电脑桌面
添加小米粒文库到电脑桌面
安装后可以在桌面快捷访问

全自动互感器综合测试仪说明书VIP免费

全自动互感器综合测试仪说明书_第1页
1/13
全自动互感器综合测试仪说明书_第2页
2/13
全自动互感器综合测试仪说明书_第3页
3/13
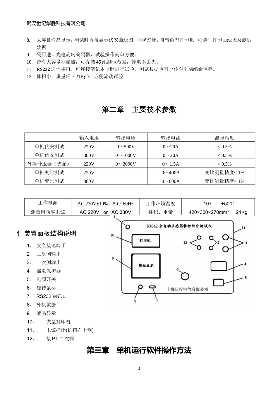
武汉世纪华胜科技有限公司概述武汉世纪华胜科技有限公司专业从事电力仪器仪表开发生产和销售,公司自主开发的RX系列便携式CT、PT伏安特性.变比.极性综合测试仪。(现有产品:单功能伏安特性测试仪;手动伏安特性、变比、极性测试仪;全自动伏安特性、变比、极性测试仪)。全自动互感器综合测试仪,是专门为试验互感器伏安特性﹑5%和10%的误差曲线、二次侧回路检查、变比和极性判别而设计,仅需设定最高测试电压、电流和步长,装置将自动升压,自动将伏安特性曲线描绘出来,省去手动调压、人工记录、描曲线等繁琐劳动。快捷、简单、方便。若单机不能满足测试要求,可外接升压器进行试验。是一台性能价格比较高的多功能试验仪器。其性能独特,该仪器目前在国内处于领先水平。公司拥有标准厂房,一批专业技术人员从事电力仪表的销售及售后服务、技术支持工作,优质的产品质量及完善的售后服务在用户中有着良好的口碑。公司产品用户涉及电业局、电厂、电力工程公司、煤炭企业、钢铁企业等领域。日行风格:一心一意。日行精神:写我们所做的,做我们所写的。日行目标:把小产品做大,把大产品做成大家的产品。注意事项1.为了保护人身及设备安全,使用前请详细阅读使用说明书,并严格按说明书要求规范操作。2.为保证仪器工作的可靠性,请勿将仪器左右侧的散热孔堵塞。3.不要让任何异物掉入机箱内,以免发生短路。4.试验之前请将仪器可靠接地。5.做CT变比试验时,请将CT二次绕组的接地线断开。6.做PT伏安特性时,请将被测PT的一次绕组的零位端接地。7.如主机不能与电脑进行通讯时,请检查你的电脑串口是否设置为COM1口。8.主机最多可保存45组数据,掉电后数据不丢失。本公司保留对此说明书修改的权利。产品与说明书不符之处,以实际产品为准。若在使用中存在技术问题,请与公司联系。1武汉世纪华胜科技有限公司目目录录第一章产品主要特点..……………………………………..…….…….………….第二章主要技术参数……………………………………………………1装置面板结构说明………………………………………………第三章单机运行软件操作方法……………………………………………1旋转鼠标使用方法………………………………………………2主菜单……………………………………………………………3CT伏安特性试验……………………………………………………3.1CT伏安特性试验的软件界面……………………………………….3.2CT伏安特性试验方法……………………………………………….3.3使用主机单机试验……………………………………………....3.4使用外部升压器试验………………………………………......3.5测试结果操作说明…………………………………………..…3.6误差曲线…………………………………………………3.7查阅以前所保存的测试数据…………………………………..4.0CT变比极性试验…………………………………………………4.1CT变比极性试验的软件界面………………………………………4.2CT变比试验接线……………………………………………………4.3CT变比试验方法…………………………………………………4.4CT二次侧回路检查…………………………………………………4.5PT伏安特性试验方法…………………………………………..4.6PT变比极性试验方法………………………………………..4.7交流耐压测试方法……………………………………5PC机操作软件使用说明…………………………………………..附录1故障维护…………………..附录2如何更换打印纸………………………………………..………附录3售后服务承诺………………………………………………………第一章:RX842全自动互感器特性综合测试仪主要特点1.仅需设定测试电压、电流和步长,装置将自动升压并能自动将伏安特性测试曲线描绘出来,省去手动调压、人工记录、描曲线等烦琐劳动。快捷、简单、方便。2.国内首创傻瓜式接线方式,只需6个接线柱便可完成CT/PT的所有试验。3.可测试CT/PT伏安特性、变比和极性、CT5%和10%的误差曲线、CT二次侧回路、交流耐压测试。4.若单机的输出电压不能满足要求,也可以采用外接升压器进行测试。5.伏安...

1、当您付费下载文档后,您只拥有了使用权限,并不意味着购买了版权,文档只能用于自身使用,不得用于其他商业用途(如 [转卖]进行直接盈利或[编辑后售卖]进行间接盈利)。
2、本站所有内容均由合作方或网友上传,本站不对文档的完整性、权威性及其观点立场正确性做任何保证或承诺!文档内容仅供研究参考,付费前请自行鉴别。
3、如文档内容存在违规,或者侵犯商业秘密、侵犯著作权等,请点击“违规举报”。

碎片内容

全自动互感器综合测试仪说明书

确认删除?
VIP
微信客服
  • 扫码咨询
会员Q群
  • 会员专属群点击这里加入QQ群
客服邮箱
回到顶部