电脑桌面
添加小米粒文库到电脑桌面
安装后可以在桌面快捷访问

全套试验仪器自校规程和记录VIP免费

全套试验仪器自校规程和记录_第1页
1/55
全套试验仪器自校规程和记录_第2页
2/55
全套试验仪器自校规程和记录_第3页
3/55
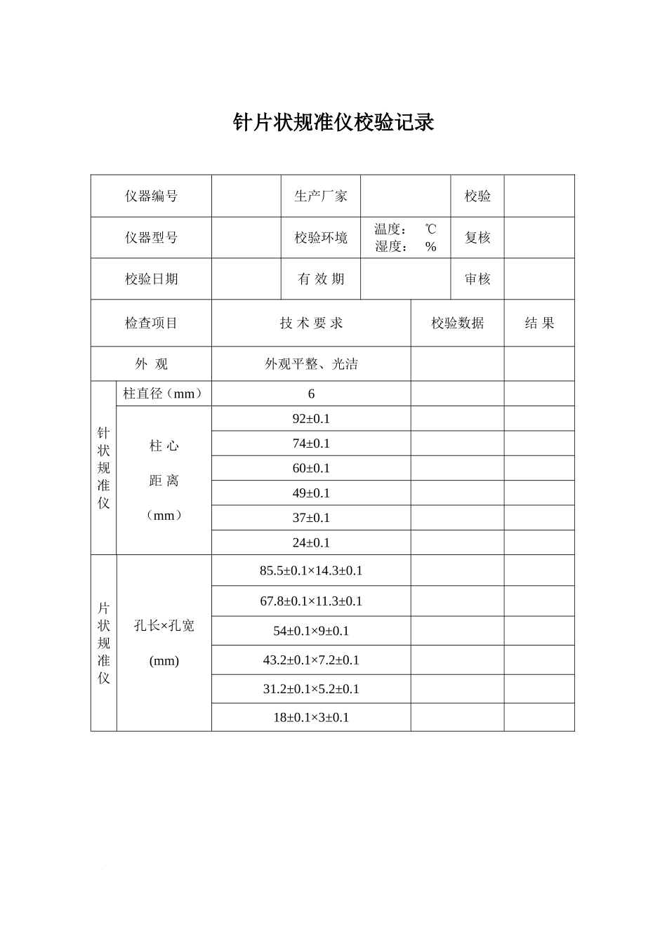
针片状规准仪校验方法1、概述本仪器是用来测定水泥混凝土使用的5mm以上的粗集料的针状及片状颗粒含量,以百分率计。2、技术要求针片状规准仪和片状规准仪2.1外观平整、光洁、耐磨。2.2针片状规准仪柱心距分别为:92、74、60、49、37、24±0.1mm,立柱直径6mm。2.3片状规准仪孔距长分别为:85.5、67.8、54、43.2、31.2、18±0.1mm;孔距宽分别为:14.3、11.3、9、7.2、5.2、3±0.1mm。3、校验条件3.1分度值0.02mm游标卡尺。3.2校验用的计量器具经计量检定合格,并在检定周期内。4、校验项目校验方法4.1用游标卡尺检测针状规准仪两立柱的距离和立柱直径,取三次测量的平均值做为结果。4.2用游标卡尺检测片状规准仪每一孔孔距长和孔距宽尺寸,取三次测量的平均值作为结果5、校验结果处理和校验周期5.1经校验,满足2.1~2.3技术条件要求的仪器为合格,发给校验合格证书,任何一条技术要求不合格者,均为校验不合格,发给校验结果通知书。5.2该仪器的校验周期为一年。针片状规准仪校验记录仪器编号生产厂家校验仪器型号校验环境温度:℃湿度:%复核校验日期有效期审核检查项目技术要求校验数据结果外观外观平整、光洁针状规准仪柱直径(mm)6柱心距离(mm)92±0.174±0.160±0.149±0.137±0.124±0.1片状规准仪孔长×孔宽(mm)85.5±0.1×14.3±0.167.8±0.1×11.3±0.154±0.1×9±0.143.2±0.1×7.2±0.131.2±0.1×5.2±0.118±0.1×3±0.1坍落度筒及捣棒校验方法本规程适用于新制的、使用中的以及检修后的坍落度筒及捣棒的校验。1、概述坍落度筒及捣棒用于校验混凝土拌合物稠度,适用于坍落度大于10mm、集料粒径不大于40mm的混凝土。2、技术要求2.1坍落度筒2.1.1外表面应平整光洁、内壁光滑、无凹凸部位。2.1.2坍落度筒的尺寸:底部直径200±2mm;顶部直径100±2mm;高度300±2mm;筒壁厚度不小于1.5mm。2.1.3底面与顶面应互相平行。2.2捣棒2.2.1捣棒直径为16mm,长度600±5mm。2.2.2端部呈圆形。3、检验条件3.1检验用的仪器设备3.1.1分度值为0.02mm的游标卡尺,测量范围为300mm。3.1.2测量范围大于300mm的直角尺。3.2检验用的计量器具应经计量检定合格,并在检定周期内。3.3该仪器应在17~23℃的室温下校检、环境清洁、无腐蚀性气体。4、校检项目和校检方法4.1外观检验:用感官来检验坍落度筒内外表面是否平整光洁,有无凹凸部位。捣棒外表是否光洁,端头是否呈圆形。4.2用游标卡尺测定坍落度筒及捣棒的几何尺寸。4.3用直角尺测量筒的顶面与底面的平行度。5、校验结果处理和校验周期5.1经校验,满足2.1—2.2条技术要求的仪器为合格,发给校验合格证书,任何一条技术要求不合格者,均为校验不合格,发给校验结果通知书。5.2该仪器的校验周期为一年,在维修后应提前校验。坍落度筒、捣棒校验记录仪器编号生产厂家校验仪器型号校验环境温度:℃湿度:%复核校验日期有效期审核检查项目技术要求校验数据结果外观筒内外平整光洁光滑,无凹凸部位;捣棒外表光洁、端头圆形坍落筒尺寸低面直径200+2mm顶面直径100+2mm筒高300+2mm管壁厚度≥1.5mm捣棒直径16mm长度600+5mm校验结论水泥砼粗集料压碎值检验方法1、概述本压碎值仪是用与测定碎石抵抗压碎的能力,间接地推测其相应的强度,以鉴定水泥混凝土粗集料的品质。2、技术要求2.1压碎仪由钢制圆形试筒、加压头和底板组成,外表光滑、平整。2.2试筒、加压头和底板尺寸:3、检验条件3.1分度值0.02mm的游标卡尺。3.2检验用计量器具经检定合格,并在检定周期内。4、检验项目和检验方法4.1用游标卡尺分别测量量筒、加压头、底盘的几何尺寸,分别取3次测量的平均值作为结果。5、检验结果5.1经校验,满足2.1—2.2条技术要求的仪器为合格,发给校验合格证书,任何一条技术要求不合格者,均为校验不合格,发给校验结果通知书。5.2该仪器的校验周期为一年。在维修后应提前校验。水泥砼用粗集料压碎值仪校验记录仪器编号生产厂家校验仪器型号校验环境温度:℃湿度:%复核校验日期有效期审核检查项目技术要求校验数据结果外观外表光滑、平整试筒内径(mm)152壁厚(mm)≮10加压头压头直径(mm)150底板内径(mm)172外径(mm)192厚度(mm)≮10校验结论...

1、当您付费下载文档后,您只拥有了使用权限,并不意味着购买了版权,文档只能用于自身使用,不得用于其他商业用途(如 [转卖]进行直接盈利或[编辑后售卖]进行间接盈利)。
2、本站所有内容均由合作方或网友上传,本站不对文档的完整性、权威性及其观点立场正确性做任何保证或承诺!文档内容仅供研究参考,付费前请自行鉴别。
3、如文档内容存在违规,或者侵犯商业秘密、侵犯著作权等,请点击“违规举报”。

碎片内容

全套试验仪器自校规程和记录

文章天下+ 关注
实名认证
内容提供者

各种文档应有尽有

确认删除?
VIP
微信客服
  • 扫码咨询
会员Q群
  • 会员专属群点击这里加入QQ群
客服邮箱
回到顶部