电脑桌面
添加小米粒文库到电脑桌面
安装后可以在桌面快捷访问

机械设备维护理论考试大纲-机务维修人员维修基础理论考试大纲VIP免费

机械设备维护理论考试大纲-机务维修人员维修基础理论考试大纲_第1页
1/3
机械设备维护理论考试大纲-机务维修人员维修基础理论考试大纲_第2页
2/3
机械设备维护理论考试大纲-机务维修人员维修基础理论考试大纲_第3页
3/3
机械设备维护理论考试大纲序号内容题量1.金属材料的机械性能:硬度、拉伸强度、疲劳强度和抗冲击性能。12.航空器上常用的合金钢的特性和识别。13.航空器上常用的有色金属材料的特性和识别14.航空器上常用的非金属材料和复合材料的特性及识别15.腐蚀的原因;腐蚀对航空器结构的影响。16.航空器上常用的防腐措施和方法。17.航空螺栓、螺帽、螺钉、垫片的类型、规格、识别和标记,应用;28.易腐蚀的材料类型,不同类型的材料对腐蚀的敏感性。19.常用保险的类型、方法和应用。210.实心铆钉和盲铆钉的类型、规格、识别、应用111.飞机图纸规范与识图112.美国航空运输协会(ATA)100规范;航空和其他适用标准包括:ISO、AN、MS、NAS和MIL。213.航空器称重与平衡的目的,基本知识,基本术语。114.无损检测215.航空器滑行/牵引的安全注意事项;航空器顶升、系留及安全注意事项;216.加油/放油程序。117.电源、气源和液压源的地面供给。118.大气的重要物理参数:温度、气压、密度、湿度、音速、粘性、压缩性等。319.气流特性:相对气流沿物体边缘的流动状态;附面层、层流、紊流、上洗流、下洗流、涡流等。320.术语:弯度、厚度、翼弦、平均空气动力弦、压力中心、迎角、后掠角、内洗和外洗、长细比、翼型和展弦比、机翼安装角321.升力:机翼升力的产生:推力、重力、空气动力合力;升力公式、升力系数、升力系数曲线、失速。322.阻力:飞机的阻力:摩擦阻力、压差阻力、诱导阻力和干扰阻力;阻力公式、阻力系数、阻力系数曲线。223.增升和增阻装置:后缘襟翼:简单襟翼、分裂襟翼、开缝襟翼、后退开缝襟翼;襟副翼;前缘襟翼及工作原理、克鲁格襟翼;前缘缝翼及工作原理;附面层控制:涡流发生器;失速楔;翼刀。扰流板。224.基本概念:坐标系,飞机的机体轴,飞机重心及相对位置,飞机的焦点,飞机的运动参数。225.飞机的平衡:力平衡、力矩平衡;飞机的静稳定和动稳定;飞机的稳定性。226.飞机的操纵性,飞机稳定性和操纵性的关系。227.操纵面上的辅助装置:气动平衡:作用、形式(各种调整片);气动补偿:目的、形式;重量平衡:目的、方法。128.墨菲定律。129.团队内和团队间的沟通,工作履历和记录,资料保持、记录等现行有效,信息的传达。130.健康状况的影响,来自家庭及与工作有关的压力的影响,时间压力和期限的影响;工作量的影响:超负荷,工作量不足;睡眠、疲劳和倒班的影响,酗酒、滥用药物、毒品的影响。231.差错类型模式及理论,维护维修工作中的差错类型,差错的征兆,避免差错及差错管理。232.CCAR-66部CCAR-145CCAR-43部333.运行合格证、航空运营人职责、航空器标识。134.维修大纲(MRBR);维修方案(MP);可靠性方案335.主最低设备清单(MMEL),最低设备清单(MEL);外型缺损放行清单(CDL);适航指令(AD);服务通告(SB);制造商服务信息(SL);修理和改装文件;维护手册(AMM),结构修理手册(SRM),图解零件目录(IPC)等。336.陀螺进动性效应。力矩的反作用及方向控制。升力不对称、桨尖失速。转换趋势和纠正。科里奥利效应和补偿。涡流环状态,动力装置,过俯仰。自转状态;地面效应。337.周期变矩操纵。总矩操纵。旋转倾转盘。偏航控制:反力矩操纵,尾桨,引气。主桨毂:设计和操纵特点。桨叶减摆器:功能和结构。旋翼桨叶:主旋翼和尾旋翼桨叶结构及附件。配平控制,固定的和可调安定面。338.飞机的区域和站位识别系统。139.气源:发动机引气;空调系统;分配系统;流量、温度和湿度控制系统;保护警告系统。240.皮托管:全压和静压、高度表、空速指示器、垂直速度指示器。241.陀螺仪:地平仪、姿态指引仪、方向指示仪、水平状态指示器、转向和侧滑指示器、转弯仪。342.电瓶、电瓶的安装、充电与检查。143.燃油系统布局、交输和传输、指示和警告、加油和抽油。244.外部:航行灯、着陆灯、滑行灯、探冰灯;内部:客舱、驾驶舱、货舱灯;应急灯。245.力、功、功率、能量、速度、加速度之间的关系;势能、动能、牛顿定律;热力学基本定律;总温和总压。燃气涡轮发动机工作循环(BRAYTONCYCLE);346.推力产生的基本原理:总推力,净推力,推力分布、推进功率,...

1、当您付费下载文档后,您只拥有了使用权限,并不意味着购买了版权,文档只能用于自身使用,不得用于其他商业用途(如 [转卖]进行直接盈利或[编辑后售卖]进行间接盈利)。
2、本站所有内容均由合作方或网友上传,本站不对文档的完整性、权威性及其观点立场正确性做任何保证或承诺!文档内容仅供研究参考,付费前请自行鉴别。
3、如文档内容存在违规,或者侵犯商业秘密、侵犯著作权等,请点击“违规举报”。

碎片内容

机械设备维护理论考试大纲-机务维修人员维修基础理论考试大纲

海纳百川+ 关注
实名认证
内容提供者

热爱教学事业,对互联网知识分享很感兴趣

确认删除?
VIP
微信客服
  • 扫码咨询
会员Q群
  • 会员专属群点击这里加入QQ群
客服邮箱
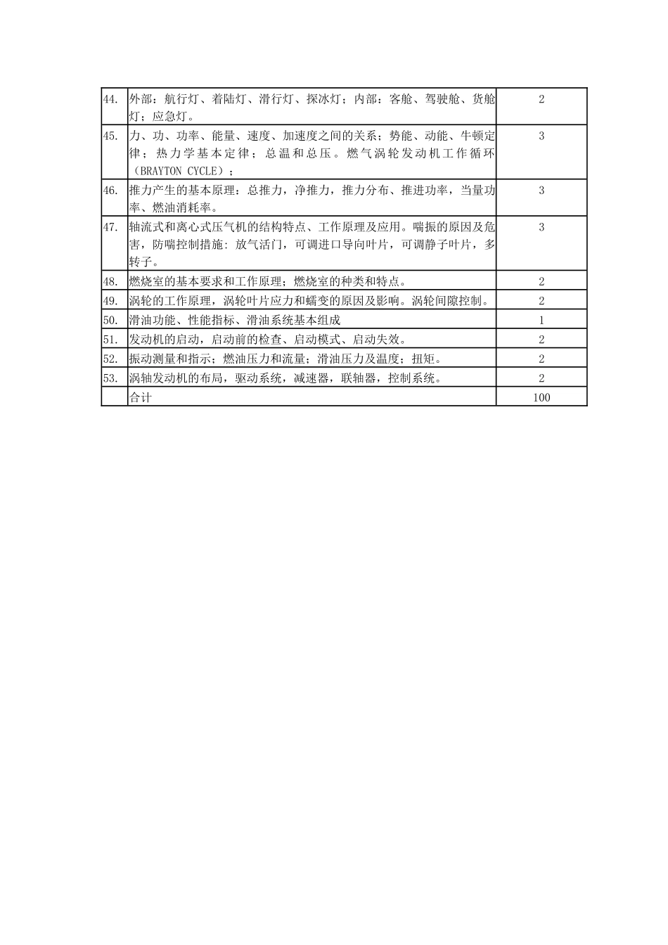
回到顶部