电脑桌面
添加小米粒文库到电脑桌面
安装后可以在桌面快捷访问

汽车交通运输管理知识分析构造VIP免费

汽车交通运输管理知识分析构造_第1页
1/6
汽车交通运输管理知识分析构造_第2页
2/6
汽车交通运输管理知识分析构造_第3页
3/6
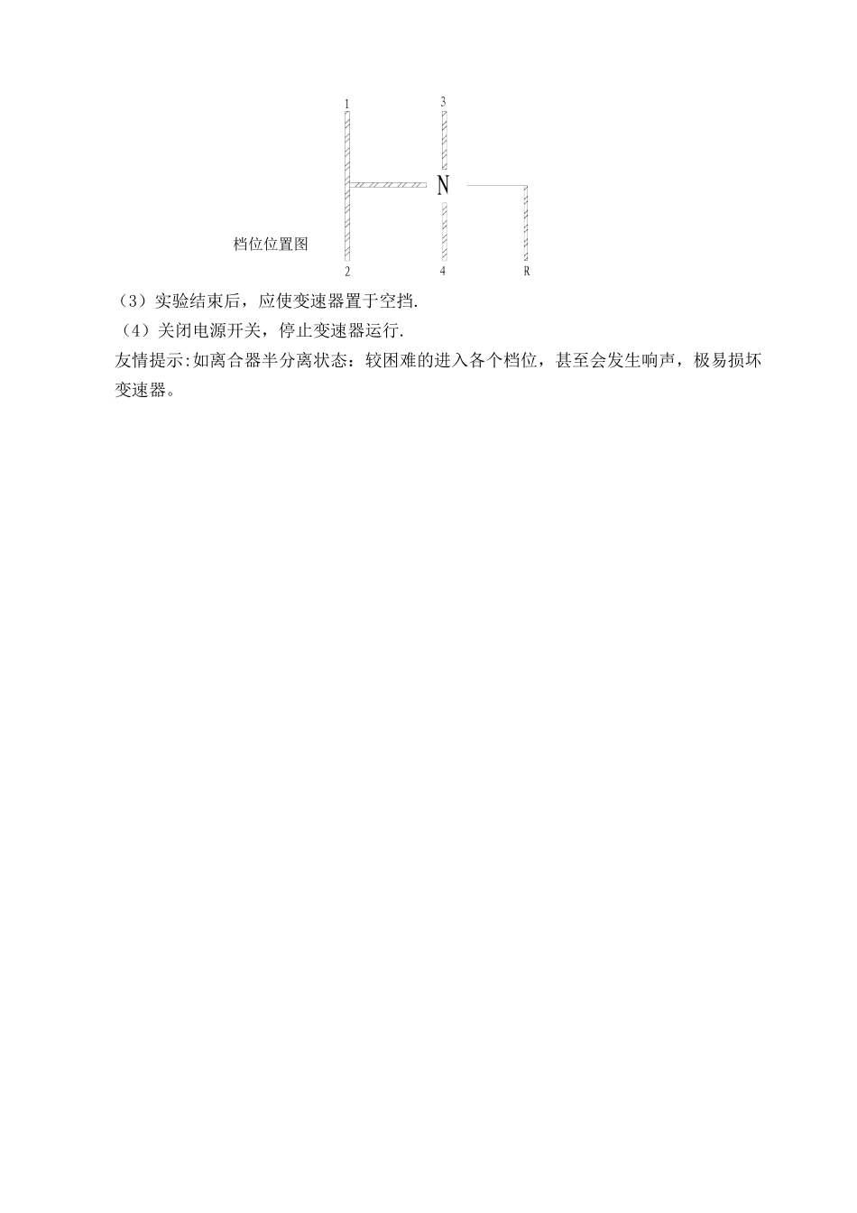
实验六变速器结构与原理实验实验目的、要求1.了解变速器操纵机构的结构特点。2.观察、了解齿轮式变速器的结构和工作原理。3.掌握锁销式惯性同步器的工作原理,了解其结构特点。4.观察不同汽车变速器的结构原理。二、实验设备无级变速器传动系统实验台、手动变速器解剖运行台、轿车自动变速器辛普森机构实验台。一、实验内容手动变速器解剖运行台运行台采用日产尼桑(NISSAN)轿车手动变速器经科学的合理剖切,使变速箱的齿轮和换档机构等得到充分的展现,并由低速电机驱动变速箱运转,运行状态清晰直观。具有设计合理、运行可靠等特点,是变速箱教学中的必备教具。变速器的功用是改变传动比,扩大驱动轮扭矩和转速的变化范围,以适应汽车经常变化的行驶条件;同时使发动机在有利的工况下工作;在发动机旋转方向不变的前提下,使汽车能倒向行驶;利用空档中断动力传递,以使发动机能够起动和怠速运转,并便于变速器换档或进行动力输出。1结构认识(1)可从剖视窗口观察变速器的内部结构.(2)参照变速器的内部元件图,进行结构和领部件认识.2实验准备⑴实验台用交流电源设备外壳应可靠接地.⑵将运行台漏电保护插头插入AC220V50HZ电源插座。⑶变速器档位杆置于空档位置(如图一、二所示)3运行演示(1)按下漏电保护插头上按钮,减速电机运转(此状态为空档)4换档演示(1)通过换档操作,观察齿轮不同组合以及输出轴不同转速;(2)档位操作实验,用脚踩离合器踏板,使离合器处于彻底分离状态,即动力分离,此时档位杆可以顺利的进入:1、2、3、4、R、N档位,见档位位置图。(3)实验结束后,应使变速器置于空挡.(4)关闭电源开关,停止变速器运行.友情提示:如离合器半分离状态:较困难的进入各个档位,甚至会发生响声,极易损坏变速器。档位位置图图二四、技术参数电源AC220V50Hz电机功率180w电机转速10~15转/min外型尺寸1500×600×700mm重量80kg五、注意事项(1)运行台在运行过程中,不要触及转动部分,以免造成伤害(2)运行台应置于通风干燥处防止锈蚀(3)实验结束后应拔下电源插头(4)对有相对运动的要进行适当润滑六、思考题1.变速器有哪些类型?各有什么优、缺点?2.画出变速器自锁与互锁机构图,说明其工作原理。实验七液力传动及万向传动装置结构与原理实验实验目的、要求掌握液力变矩器及各种万向节、传动轴的结构与原理。二、实验设备液力变矩器模型、差速器和传动轴教学系统、万向节教学系统、所需拆装工具。三、实验内容1.在完整汽车上观察万向传动的排列情况,中间轴的安装情况,伸缩套、平衡片和装备标记的位置。2.观察中间轴和轴承的交承、定位、润滑、密封及在车架上安装的情况。3.观察液力变矩器的结构、组成及工作过程。四、思考题1.液力变矩器的作用。2.等速万向节在转向驱动桥上的安装和运动情况。

1、当您付费下载文档后,您只拥有了使用权限,并不意味着购买了版权,文档只能用于自身使用,不得用于其他商业用途(如 [转卖]进行直接盈利或[编辑后售卖]进行间接盈利)。
2、本站所有内容均由合作方或网友上传,本站不对文档的完整性、权威性及其观点立场正确性做任何保证或承诺!文档内容仅供研究参考,付费前请自行鉴别。
3、如文档内容存在违规,或者侵犯商业秘密、侵犯著作权等,请点击“违规举报”。

碎片内容

汽车交通运输管理知识分析构造

您可能关注的文档

确认删除?
VIP
微信客服
  • 扫码咨询
会员Q群
  • 会员专属群点击这里加入QQ群
客服邮箱
回到顶部