电脑桌面
添加小米粒文库到电脑桌面
安装后可以在桌面快捷访问

HAF601民用核安全设备设计制造安装和无损检验监督管理VIP免费

HAF601民用核安全设备设计制造安装和无损检验监督管理_第1页
1/47
HAF601民用核安全设备设计制造安装和无损检验监督管理_第2页
2/47
HAF601民用核安全设备设计制造安装和无损检验监督管理_第3页
3/47
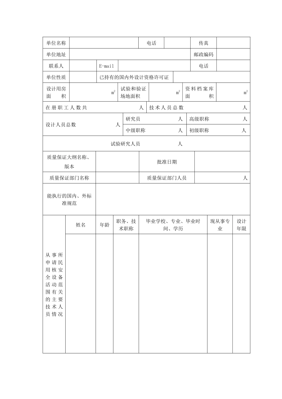
附件一:民用核安全设备许可证申请书、申请活动范围表和申请文件的格式及内容(一式二份,同时提交电子版文件)1.1《民用核安全设备设计许可证申请书》格式(1)《民用核安全机械设备设计许可证申请书》格式民用核安全机械设备设计许可证申请书设备类别____________________核安全级别____________________单位法定代表人____________________单位名称____________________(章)申请日期____________________单位名称电话传真单位地址邮政编码联系人E-mail电话单位性质已持有的国内外设计资格许可证设计用房面积m2试验和验证场地面积m2资料档案库面积m2在册职工人数共人技术人员总数人设计人员总数人研究员人高级职称人中级职称人初级职称人试验研究人员人质量保证大纲名称、版本批准日期质量保证部门名称质量保证部门人员人能执行的国内、外标准规范从事所申请民用核安全设备活动范围有关的主要技术人员情况姓名年龄职务、技术职称毕业学校、专业、毕业时间、学历现从事专业设计年限设计专用硬件和软件名称规格数量试验和验证设备名称规格数量已采用的主要规范标准名称版本与所申请的民用核安全设备类似的主要设计业绩工程名称供货日期设备名称核安全级别规格参数数量依据标准(2)《民用核安全电气设备设计许可证申请书》格式民用核安全电气设备设计许可证申请书设备类别____________________核安全级别____________________单位法定代表人____________________单位名称____________________(章)申请日期____________________单位名称电话传真单位地址邮政编码联系人E-mail电话单位性质已持有的国内外设计资格许可证设计用房面积m2试验和验证场地面积m2资料档案库面积m2在册职工总数人技术人员总数人设计人员总数人初级职称人中级职称人高级职称人研究员人试验研究人员人质量保证大纲名称、版本批准日期质量保证部门名称质量保证部门人员能执行的国内、外标准规范从事所申请民姓名年龄职务、技术职称毕业学校、专业、毕业时间、学历现从事专业设计年限用核安全设备活动范围有关的主要技术人员情况设计专用硬件和软件名称规格数量试验和验证设备名称规格数量已采用的主要规范标准名称版本与所申请的民用核安全设备类似的主要设计业绩设备名称安全等级抗震类别规格参数供货日期/数量鉴定标准项目名称1.2民用核安全设备设计许可证申请单位应当提交的申请文件一、民用核安全设备设计许可证申请公文二、民用核安全设备设计许可证申请书三、民用核安全设备设计许可证申请活动范围表四、单位营业执照复印件五、质量保证大纲六、质量保证大纲程序目录清单及下列程序:1.设计输入与输出控制程序2.设计变更控制程序3.设计验证控制程序4.设计接口控制程序5.设计分包控制程序七、单位基本情况及主要工作业绩1.单位情况概述:单位成立时间、从事的主要工作、人员、软件和硬件、设施和装备能力、设计场所等。2.资质情况:说明所取得的有关质量体系证书、设计资格许可证以及其他资质情况,并将有关证书的复印件附于申请文件后。3.以往工作成绩(相关或相近的设计工作业绩):(1)主要设计业绩描述:介绍已设计过有代表性的主要产品业绩,包括工程名称、完成时间、设备类别、设备名称、型号、规格、核安全级别、结构型式、数量、主要使用工况、依据标准等内容,并提供已设计过的主要产品清单。(2)有关产品的获奖情况和用户反馈意见,并提供相关证明材料。八、主要设计(包括设计验证)人员的基本情况1.总体描述:主要技术负责人情况(学历、职称、专业、现从事的工作等),以及技术人员各专业配置人数。2.设计人员清单:包括姓名、性别、年龄、职务/职称、毕业学校、学历、参加工作时间、所学专业、现从事专业及年限、以及主要设计活动经历。九、计算分析用软件能力的描述1.所需软件情况:结合拟从事的民用核安全设备设计活动,对所需设计分析用软件程序的名称、用途、验证情况等方面进行描述。2.现有的软件情况:说明现有的软件程序的名称、版本、功能等,以往的使用情况,软件程序是否经过验证,是否满足申请活动范围的设计需求等。十、设计技术关键、解决措施及储备1.设计技术关键:...

1、当您付费下载文档后,您只拥有了使用权限,并不意味着购买了版权,文档只能用于自身使用,不得用于其他商业用途(如 [转卖]进行直接盈利或[编辑后售卖]进行间接盈利)。
2、本站所有内容均由合作方或网友上传,本站不对文档的完整性、权威性及其观点立场正确性做任何保证或承诺!文档内容仅供研究参考,付费前请自行鉴别。
3、如文档内容存在违规,或者侵犯商业秘密、侵犯著作权等,请点击“违规举报”。

碎片内容

HAF601民用核安全设备设计制造安装和无损检验监督管理

您可能关注的文档

确认删除?
VIP
微信客服
  • 扫码咨询
会员Q群
  • 会员专属群点击这里加入QQ群
客服邮箱
回到顶部