电脑桌面
添加小米粒文库到电脑桌面
安装后可以在桌面快捷访问

北京某高压燃气工程施工组织设计方案VIP免费

北京某高压燃气工程施工组织设计方案_第1页
1/51
北京某高压燃气工程施工组织设计方案_第2页
2/51
北京某高压燃气工程施工组织设计方案_第3页
3/51
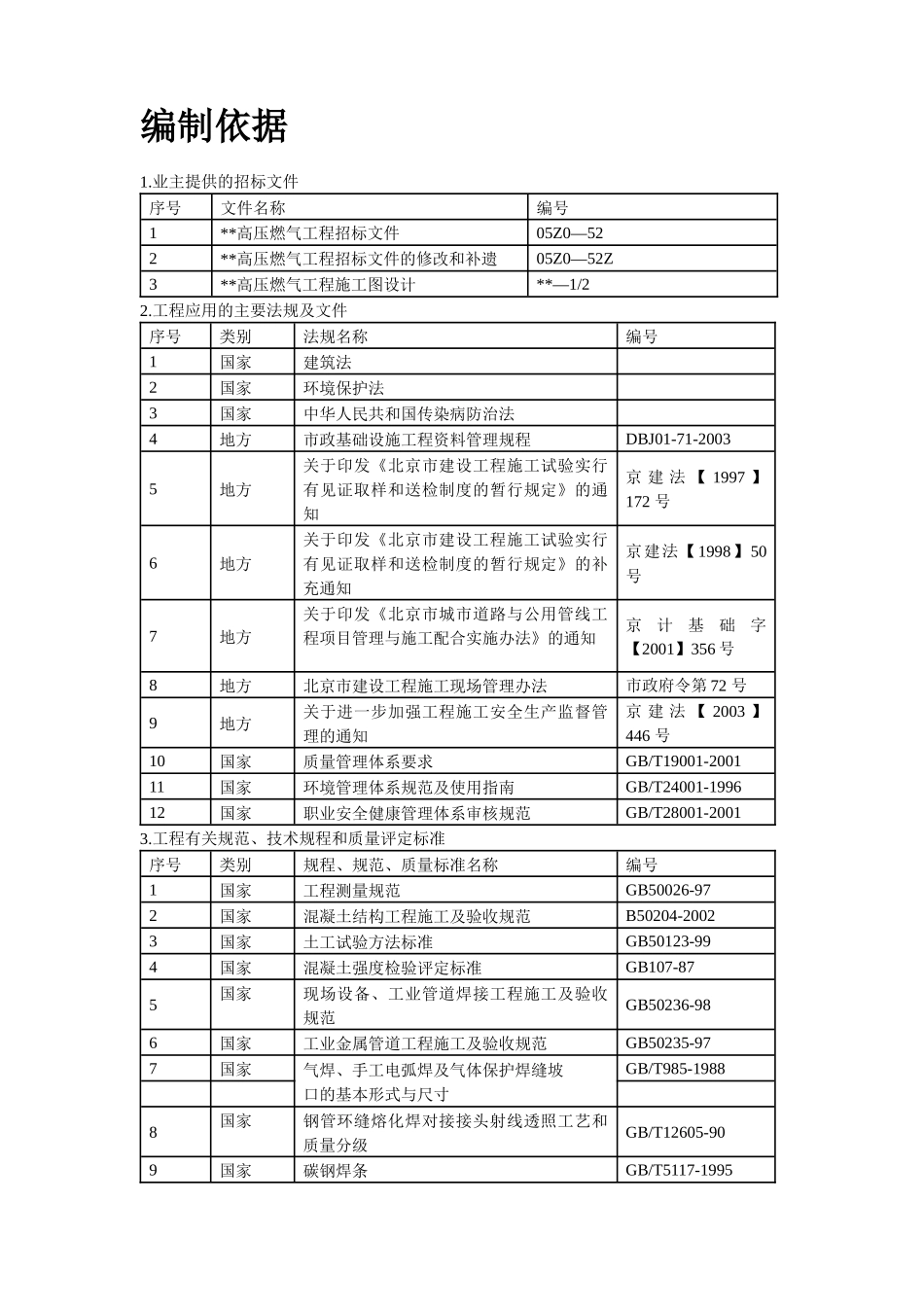
目录第一章 编制依据................................................................2第二章 工程概况................................................................6第三章 施工部署...............................................................14第四章 主要施工方法...........................................................27第五章 施工工期计划及保证措施.................................................58第六章 质量保证措施...........................................................73第七章 成品保护措施...........................................................94第八章 文明施工及环保措施.....................................................96第 1 节 雨期施工措施.......................................................109第九章 安全生产措施..........................................................113第十章 做好服务和配合........................................................125第十一章 施工附图............................................................128编制依据1.业主提供的招标文件序号 文件名称 编号 1 **高压燃气工程招标文件 05Z0—52 2 **高压燃气工程招标文件的修改和补遗 05Z0—52Z 3 **高压燃气工程施工图设计 **—1/2 2.工程应用的主要法规及文件序号类别法规名称编号1国家建筑法2国家环境保护法3国家中华人民共和国传染病防治法4地方市政基础设施工程资料管理规程DBJ01-71-20035地方关于印发《北京市建设工程施工试验实行有见证取样和送检制度的暂行规定》的通知京 建 法 【 1997 】 172 号6地方关于印发《北京市建设工程施工试验实行有见证取样和送检制度的暂行规定》的补充通知京建法【1998】50号7地方关于印发《北京市城市道路与公用管线工程项目管理与施工配合实施办法》的通知京 计 基 础 字 【2001】356 号8地方北京市建设工程施工现场管理办法市政府令第 72 号9地方关于进一步加强工程施工安全生产监督管理的通知京 建 法 【 2003 】 446 号10国家质量管理体系要求GB/T19001-200111国家环境管理体系规范及使用指南GB/T24001-199612国家职业安全健康管理体系审核规范GB/T28001-20013.工程有关规范、技术规程和质量评定标准序号 类别 规程、规范、质量标准名称 编号 1 国家 工程测量规范 GB...

1、当您付费下载文档后,您只拥有了使用权限,并不意味着购买了版权,文档只能用于自身使用,不得用于其他商业用途(如 [转卖]进行直接盈利或[编辑后售卖]进行间接盈利)。
2、本站所有内容均由合作方或网友上传,本站不对文档的完整性、权威性及其观点立场正确性做任何保证或承诺!文档内容仅供研究参考,付费前请自行鉴别。
3、如文档内容存在违规,或者侵犯商业秘密、侵犯著作权等,请点击“违规举报”。

碎片内容

北京某高压燃气工程施工组织设计方案

您可能关注的文档

墨香书阁+ 关注
实名认证
内容提供者

热爱教学事业,对互联网知识分享很感兴趣

确认删除?
VIP
微信客服
  • 扫码咨询
会员Q群
  • 会员专属群点击这里加入QQ群
客服邮箱
回到顶部