电脑桌面
添加小米粒文库到电脑桌面
安装后可以在桌面快捷访问

044 土方开挖分项工程检验批质量验收记录 Tj4-1-01VIP免费

044 土方开挖分项工程检验批质量验收记录  Tj4-1-01_第1页
1/1
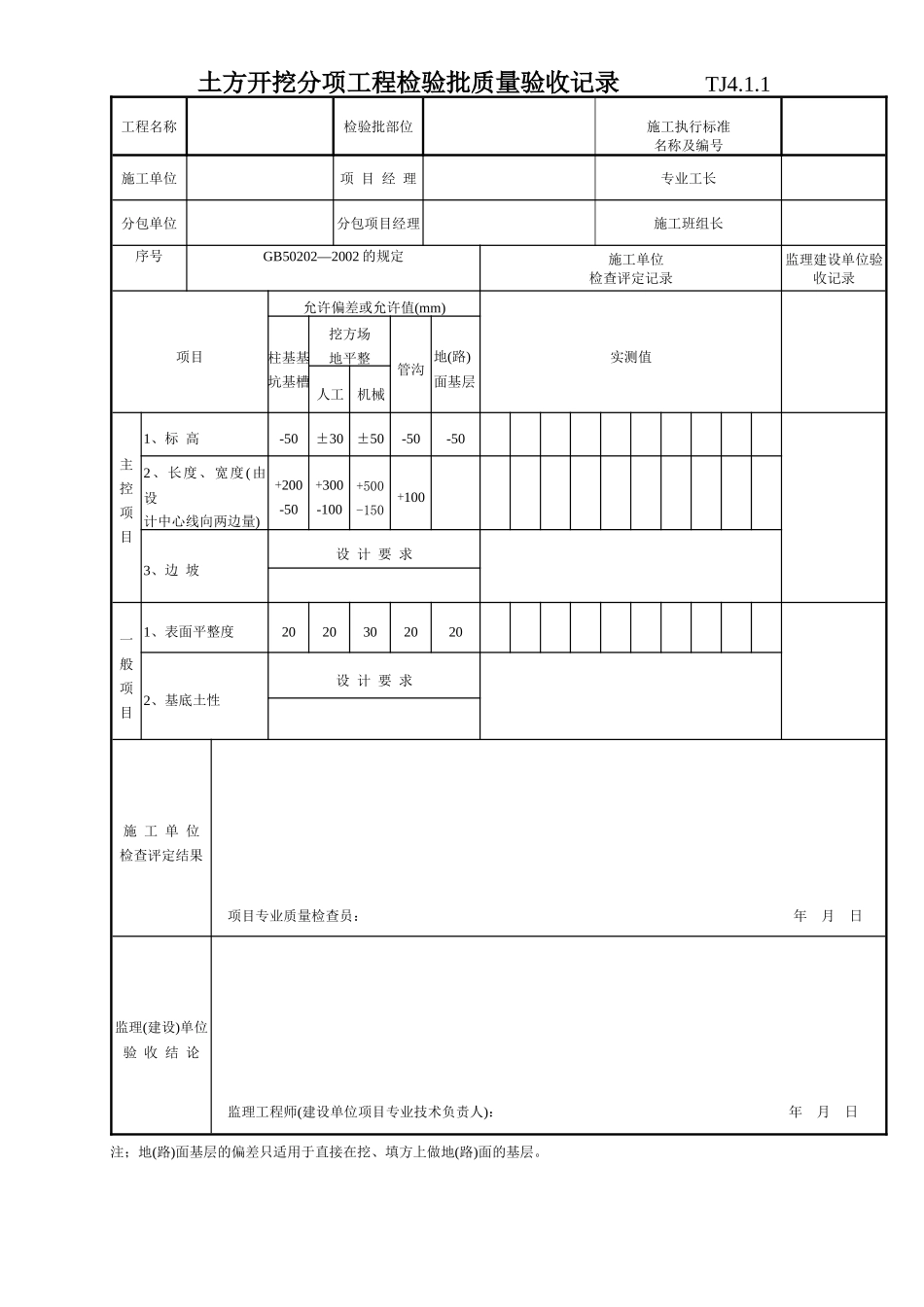
土方开挖分项工程检验批质量验收记录 TJ4.1.1工程名称检验批部位施工执行标准名称及编号施工单位项 目 经 理专业工长分包单位分包项目经理施工班组长序号GB50202—2002 的规定施工单位检查评定记录监理建设单位验收记录项目允许偏差或允许值(mm)实测值柱基基坑基槽挖方场地平整管沟地(路)面基层人工机械主控项目1、标 高-50±30±50-50-502、长度、宽度(由设计中心线向两边量)+200-50+300-100+500-150+1003、边 坡设 计 要 求一般项目1、表面平整度20203020202、基底土性设 计 要 求施 工 单 位检查评定结果项目专业质量检查员: 年 月 日监理(建设)单位验 收 结 论监理工程师(建设单位项目专业技术负责人): 年 月 日注;地(路)面基层的偏差只适用于直接在挖、填方上做地(路)面的基层。

1、当您付费下载文档后,您只拥有了使用权限,并不意味着购买了版权,文档只能用于自身使用,不得用于其他商业用途(如 [转卖]进行直接盈利或[编辑后售卖]进行间接盈利)。
2、本站所有内容均由合作方或网友上传,本站不对文档的完整性、权威性及其观点立场正确性做任何保证或承诺!文档内容仅供研究参考,付费前请自行鉴别。
3、如文档内容存在违规,或者侵犯商业秘密、侵犯著作权等,请点击“违规举报”。

碎片内容

044 土方开挖分项工程检验批质量验收记录 Tj4-1-01

确认删除?
VIP
微信客服
  • 扫码咨询
会员Q群
  • 会员专属群点击这里加入QQ群
客服邮箱
回到顶部