电脑桌面
添加小米粒文库到电脑桌面
安装后可以在桌面快捷访问

加固施工方案VIP免费

加固施工方案_第1页
1/9
加固施工方案_第2页
2/9
加固施工方案_第3页
3/9
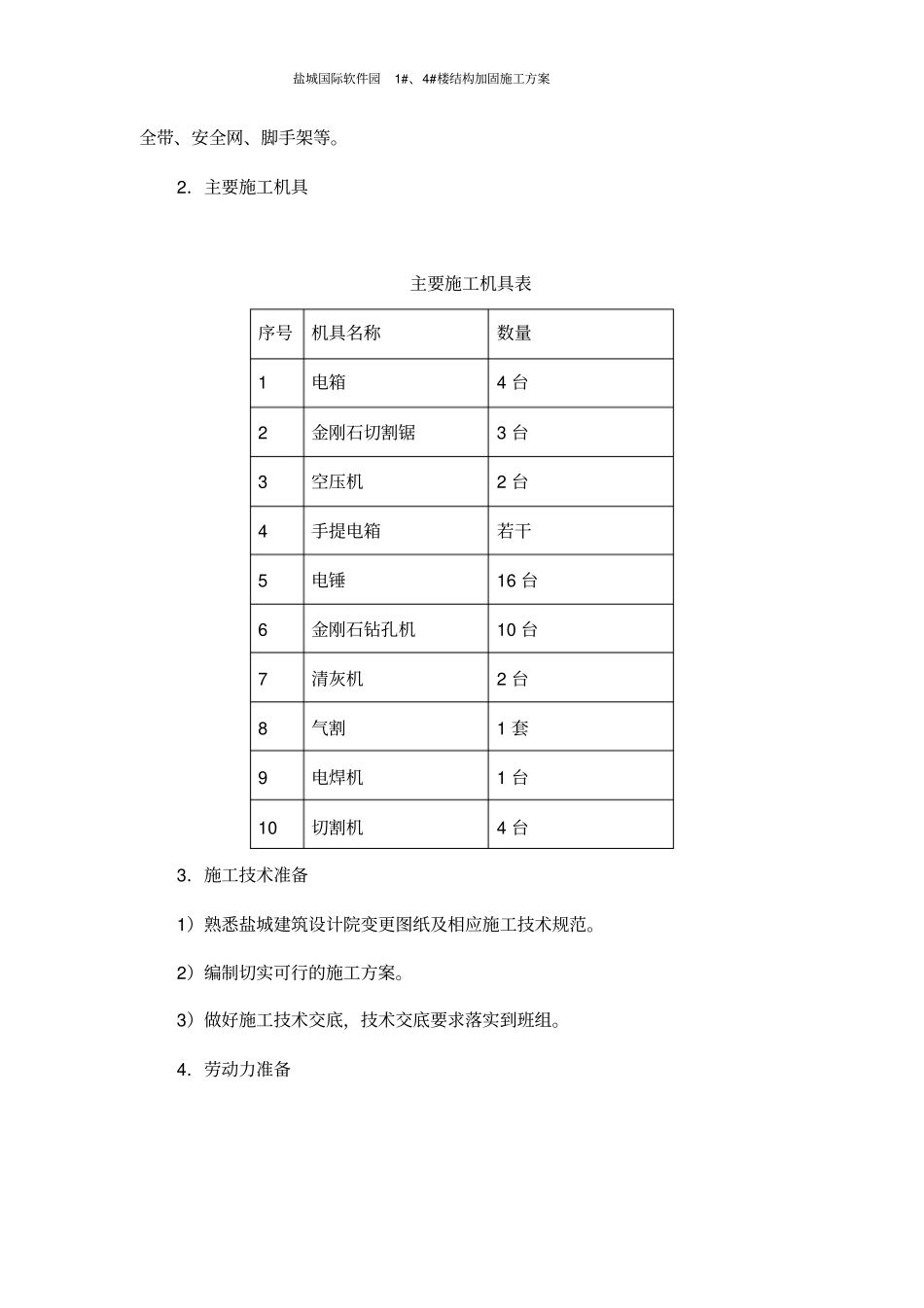
盐城国际软件园1#、4#楼结构加固施工方案目录一、施工依据二、工程概况三、施工准备四、拆除五、植筋或植栓加固六、基层处理七、钢筋绑扎八、立模、浇砼九、质量控制措施十、安全控制措施十一、组织体系盐城国际软件园1#、4#楼结构加固施工方案一、施工依据1、盐城市建筑设计院变更图纸。2、盐城市建筑设计院结构加固图。3、《混凝土结构加固技术规范》 (CECS25-90)及其它相应规范之规定验收。二、工程概况盐城国际软件园1#、4#楼工程,位于江苏省盐城经济开发区江西村境内,希望大道东侧, 松江路南侧, 路北为盐城高教公寓。 1#楼建筑面积 28884 平方米,4#楼建筑面积 31285 平方米,建筑面积为 60169平方米,框剪十五层, 地下一层 ,地上主体十五层 , 局部四层建筑, 建筑总高度 64.5 米。目前我司已施工至主体十一层,根据业主对1#楼、4#楼裙楼功能的改变及盐城市建筑设计院的变更设计图纸, 1#楼:二至三层改为餐厅、四楼为会议室及部分办公房,封闭自动扶梯,取消二至四层 ○5 轴附近的卫生间等 ,1# 楼在需开洞的 ○5 轴(烟井、五层氟里昂井),自动扶梯 KL5(1)-1.40处拆除 , 局部梁侧绑梁增大断面,部分板上叠加板,部分梁上加钢筋、;4#楼 C轴交○4 -- ○5 轴处自动扶梯变动较大,凡是搁自动扶梯的梁均要加 270mm绑梁,且 C轴处一、 二层挑耳长度相应调整, 局部需拆除需对裙楼局部结构进行加固处理。三、施工准备土建工程主要内容包括:拆除工程、结构加固。水电安装部分包括:管线拆除工程、给排水工程、通风工程、电气工程等。1.施工材料准备电锤头、电铲头、水钻头、锤子、钎子、铁锨、撬棍、、植栓胶、安全帽、安盐城国际软件园1#、4#楼结构加固施工方案全带、安全网、脚手架等。2.主要施工机具主要施工机具表序号机具名称数量1 电箱4 台2 金刚石切割锯3 台3 空压机2 台4 手提电箱若干5 电锤16 台6 金刚石钻孔机10 台7 清灰机2 台8 气割1 套9 电焊机1 台10 切割机4 台3.施工技术准备1)熟悉盐城建筑设计院变更图纸及相应施工技术规范。2)编制切实可行的施工方案。3)做好施工技术交底,技术交底要求落实到班组。4.劳动力准备盐城国际软件园1#、4#楼结构加固施工方案劳动力计划表工种人数工种人数工种人数技 术 员1 植筋技工4 木工20 质 检 员1 钢筋工15 电工1 安 全 员1 瓦工10 四、拆除1#楼在需开洞的 ○5 轴(烟井、五层氟里昂井) ,自动扶梯KL5(1...

1、当您付费下载文档后,您只拥有了使用权限,并不意味着购买了版权,文档只能用于自身使用,不得用于其他商业用途(如 [转卖]进行直接盈利或[编辑后售卖]进行间接盈利)。
2、本站所有内容均由合作方或网友上传,本站不对文档的完整性、权威性及其观点立场正确性做任何保证或承诺!文档内容仅供研究参考,付费前请自行鉴别。
3、如文档内容存在违规,或者侵犯商业秘密、侵犯著作权等,请点击“违规举报”。

碎片内容

加固施工方案

您可能关注的文档

确认删除?
VIP
微信客服
  • 扫码咨询
会员Q群
  • 会员专属群点击这里加入QQ群
客服邮箱
回到顶部