电脑桌面
添加小米粒文库到电脑桌面
安装后可以在桌面快捷访问

加工中心几何精度检测方法资料VIP免费

加工中心几何精度检测方法资料_第1页
1/13
加工中心几何精度检测方法资料_第2页
2/13
加工中心几何精度检测方法资料_第3页
3/13
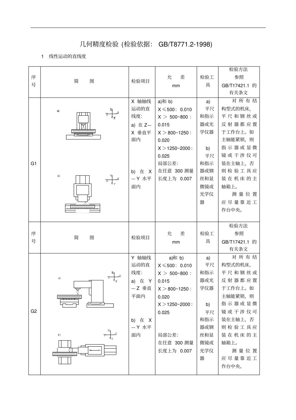
几何精度检验 (检验依据: GB/T8771.2-1998)1 线性运动的直线度序号简图检验项目允差mm 检验工具检验方法参照GB/T17421.1 的有关条文G1 X 轴轴线运动的直线度:a) 在 Z—X 垂直平面内b) 在X— Y 水平面内a)和 b) X ≤500:0.010 X > 500~800 :0.015 X > 800~1250 :0.020 X >1250~2000:0.025 局部公差:在任意 300 测量长度上为 0.007 a) 平尺和指示器或光学仪器b) 平尺和指示器或钢丝和显微镜或光学仪器对 所 有 结构型式的机床,平 尺 和 钢 丝 或反 射 器 都 应 置于工作台上。如主轴能紧锁,则指 示 器 或 显 微镜 或 干 涉 仪 可装在主轴上,否则 检 验 工 具 应装 在 机 床 的 主轴箱上。测 量 位 置应 尽 量 靠 近 工作台中央。序号简图检验项目允差mm 检验工具检验方法参照GB/T17421.1 的有关条文G2 Y 轴轴线运动的直线度:a) 在Y— Z 垂直平面内b) 在X— Y 水平面内a)和 b) X ≤500:0.010 X > 500~800 :0.015 X > 800~1250 :0.020 X >1250~2000:0.025 局部公差:在任意 300 测量长度上为 0.007 a) 平尺和指示器或光学仪器b) 平尺和指示器或钢丝和显微镜或光学仪器对 所 有 结构型式的机床,平 尺 和 钢 丝 或反 射 器 都 应 置于工作台上。如主轴能紧锁,则指 示 器 或 显 微镜 或 干 涉 仪 可装在主轴上,否则 检 验 工 具 应装 在 机 床 的 主轴箱上。测 量 位 置应 尽 量 靠 近 工作台中央。序号简图检验项目允差mm 检验工具检验方法参照GB/T17421.1 的有关条文G3 Z轴 轴线 运 动的 直 线度:a) 在 平行 于X轴 轴 线的 Z— X垂 直 平面内b) 在 平行 于Y轴 轴 线的 Y — Z垂 直 平面内a)和 b) X ≤500:0.010 X > 500~800 :0.015 X > 800~1250 :0.020 X >1250~2000:0.025 局部公差:在任意 300 测量长度上为0.007 a)和 b) 精 密水 平 仪或 角 尺和 指 示器 或 钢丝 和 显微 镜 或光 学 仪器对 所 有 结 构型式的机床, 平尺和钢丝或反射器都应置于工作台上。如主轴能紧锁,则指示器或显微镜或干涉仪可装在主轴上, 否则检验工具应装在机床的主轴箱上。2 线性运动的角度偏差序号简图检验项目允差mm 检验工具检验方法参照 GB/T17421.1 的有关条文G4 X轴 轴线 运 动的 角 度偏差:a...

1、当您付费下载文档后,您只拥有了使用权限,并不意味着购买了版权,文档只能用于自身使用,不得用于其他商业用途(如 [转卖]进行直接盈利或[编辑后售卖]进行间接盈利)。
2、本站所有内容均由合作方或网友上传,本站不对文档的完整性、权威性及其观点立场正确性做任何保证或承诺!文档内容仅供研究参考,付费前请自行鉴别。
3、如文档内容存在违规,或者侵犯商业秘密、侵犯著作权等,请点击“违规举报”。

碎片内容

加工中心几何精度检测方法资料

爱的疯狂+ 关注
实名认证
内容提供者

该用户很懒,什么也没介绍

相关文档

确认删除?
VIP
微信客服
  • 扫码咨询
会员Q群
  • 会员专属群点击这里加入QQ群
客服邮箱
回到顶部