电脑桌面
添加小米粒文库到电脑桌面
安装后可以在桌面快捷访问

地面改造方案VIP免费

地面改造方案_第1页
1/17
地面改造方案_第2页
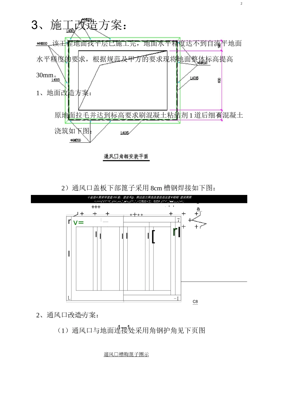
2/17
地面改造方案_第3页
3/17
11、工程概况:兰州蓝星 1500T/a 碳纤维项目碳化装置车间长为 408 米,宽为44 米,内设两条碳化设备生产线。车间地面及设备平面设计为自流平地面。根据碳纤维生产线及自流平地面施工的工艺要求,设备基础平面的水平精度必须保持一定的范围内,而土建施工完成后依据《兰州蓝星 1500T/a 碳纤维项目碳化装置车间设备基础平面标高测量成果文件》地面找平层的水平达不到验收水平。现需要对原地面进行处理后重新做找平层。室内改造面积约 19636.91 平方米,通风口 210 个,明沟长 708 米。2、规范依据及文件:《建筑地面工程施工及验收规范》(GB50209-95)《建筑工程质量验收规范统一标准》(GB50300)《建筑钢结构焊接规程》(JGJ181-2002)《混凝土结构设计规范》(GB50010-2002)《建筑施工手册》《02 系列结构标准设计图集》(02G04)《02 系列建筑标准设计图集》(02G01)甘肃省建设工程地方标准《建筑地面工程施工工艺规程》(DB62/25-3027-2005)《兰州蓝星 1500T/a 碳纤维项目碳化装置车间设备基础平面标高测量成果文件》及甲方提供施工图23、施工改造方案:该工程地面找平层已施工完,地面水平精度达不到自流平地面水平精度的要求,根据规范及甲方的要求现将地面整体标高提高30mm。1、地面改造方案:原地面拉毛并达到标高要求刷混凝土粘结剂 1 道后细石混凝土浇筑如下图:十金违 K 黑癸学塗盘 mi 妾、塗送 Kg、黑迖迭兰黑选迭塗迭选这塗 W 蛭蛭'塗渎黑黑<,<<

1、当您付费下载文档后,您只拥有了使用权限,并不意味着购买了版权,文档只能用于自身使用,不得用于其他商业用途(如 [转卖]进行直接盈利或[编辑后售卖]进行间接盈利)。
2、本站所有内容均由合作方或网友上传,本站不对文档的完整性、权威性及其观点立场正确性做任何保证或承诺!文档内容仅供研究参考,付费前请自行鉴别。
3、如文档内容存在违规,或者侵犯商业秘密、侵犯著作权等,请点击“违规举报”。

碎片内容

地面改造方案

您可能关注的文档

确认删除?
微信客服
  • 扫码咨询
会员Q群
  • 会员专属群点击这里加入QQ群