电脑桌面
添加小米粒文库到电脑桌面
安装后可以在桌面快捷访问

加气混凝土砌块墙体施工方案VIP免费

加气混凝土砌块墙体施工方案_第1页
1/8
加气混凝土砌块墙体施工方案_第2页
2/8
加气混凝土砌块墙体施工方案_第3页
3/8
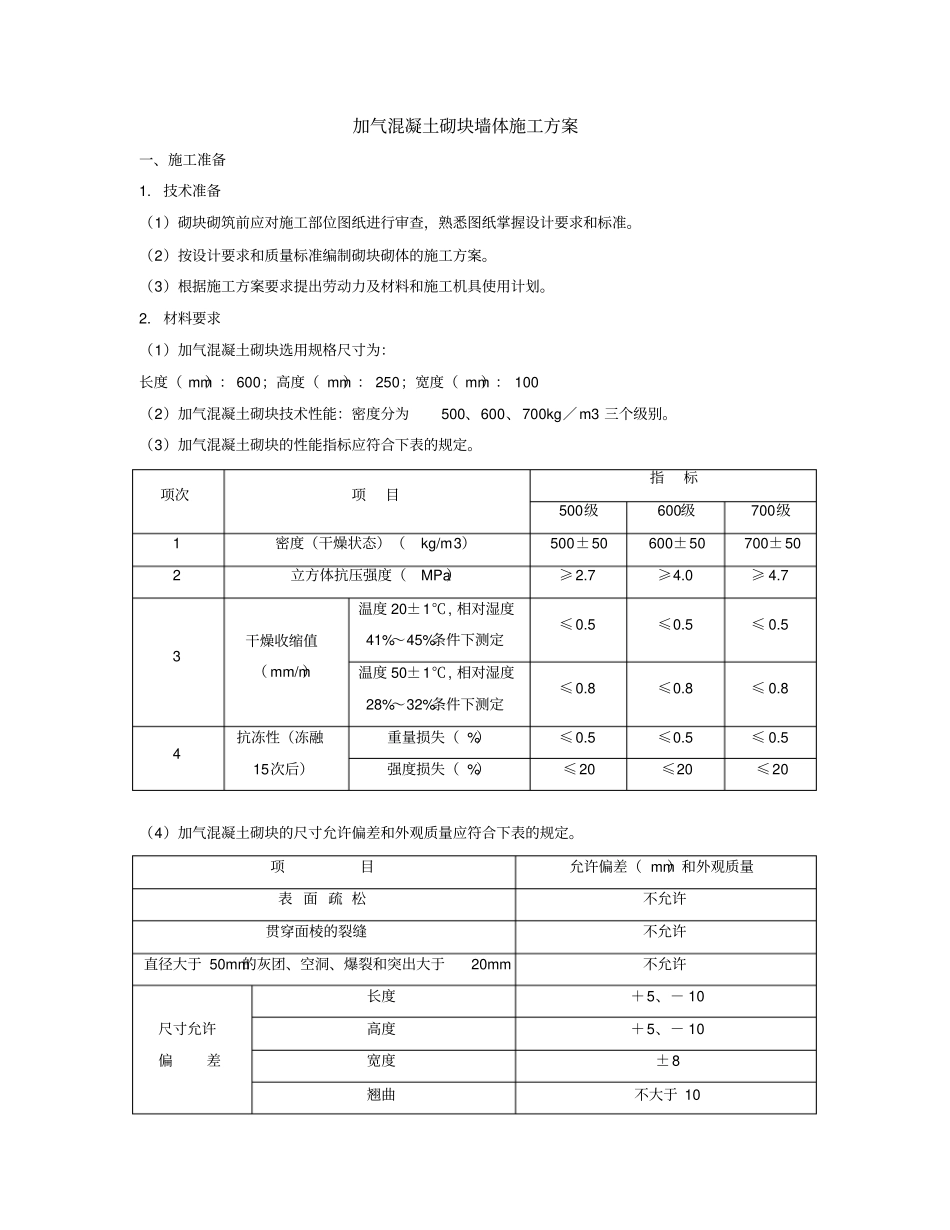
国务院台湾事务办公室(广安大厦中区)装修改造工程加气混凝土砌块墙体施 工 方 案编制:审批 :中建一局建设发展公司国务院台湾事务办公室装修改造项目经理部2006.10.25加气混凝土砌块墙体施工方案一、施工准备1. 技术准备(1)砌块砌筑前应对施工部位图纸进行审查,熟悉图纸掌握设计要求和标准。(2)按设计要求和质量标准编制砌块砌体的施工方案。(3)根据施工方案要求提出劳动力及材料和施工机具使用计划。2. 材料要求(1)加气混凝土砌块选用规格尺寸为:长度( mm): 600;高度( mm): 250;宽度( mm): 100(2)加气混凝土砌块技术性能:密度分为500、600、700kg/m3 三个级别。(3)加气混凝土砌块的性能指标应符合下表的规定。项次项目指标500级600级700级1 密度(干燥状态)(kg/m3)500±50 600±50 700±50 2 立方体抗压强度(MPa)≥2.7 ≥4.0 ≥ 4.7 3 干燥收缩值( mm/m)温度 20±1℃, 相对湿度41%~45%条件下测定≤0.5 ≤0.5 ≤ 0.5 温度 50±1℃, 相对湿度28%~32%条件下测定≤0.8 ≤0.8 ≤ 0.8 4 抗冻性(冻融15次后)重量损失( %)≤0.5 ≤0.5 ≤ 0.5 强度损失( %)≤20 ≤20 ≤20 (4)加气混凝土砌块的尺寸允许偏差和外观质量应符合下表的规定。项目允许偏差( mm)和外观质量表 面 疏 松不允许贯穿面棱的裂缝不允许直径大于 50mm的灰团、空洞、爆裂和突出大于20mm 不允许尺寸允许偏差长度+5、- 10 高度+5、- 10 宽度±8 翘曲不大于 10 条面、顶面相对两棱高低差、即大小头倾斜不大于 8 缺 棱 掉 角 深 度不大于 50 (5)检验产品的性能、强度、于密度、干燥收缩值、抗冻性等试验分别按GB 11969~GB 11973标准的规定进行。3. 主要机具准备(1)工具:夹具、电动手锯、灰斗、大铁锹、手推车、吊篮、小撬棍。4. 作业条件(1)砌筑前, 应结合设计图纸要求和施工现场具体情况根据砌体砌块的施工特点,编制施工方案、材料、施工机具计划,按计划进场以满足连续施工要求。(2)砌筑前,必须完成基础工程、基础工程验收合格且办理了验收签字手续。(3)砌体基层应清理干净,并在基层上弹好轴线、边线、门窗洞口位置线和其它尺寸线,同时办理验线签字手续。5. 施工组织及人员准备(1)必须有一名综合工长负责现场全面施工管理。(2)砌体技术工人应由20%高级技工、 50%中级技工和 30%一般技工组合成砌体作业队伍。二、质量安全与环境...

1、当您付费下载文档后,您只拥有了使用权限,并不意味着购买了版权,文档只能用于自身使用,不得用于其他商业用途(如 [转卖]进行直接盈利或[编辑后售卖]进行间接盈利)。
2、本站所有内容均由合作方或网友上传,本站不对文档的完整性、权威性及其观点立场正确性做任何保证或承诺!文档内容仅供研究参考,付费前请自行鉴别。
3、如文档内容存在违规,或者侵犯商业秘密、侵犯著作权等,请点击“违规举报”。

碎片内容

加气混凝土砌块墙体施工方案

确认删除?
VIP
微信客服
  • 扫码咨询
会员Q群
  • 会员专属群点击这里加入QQ群
客服邮箱
回到顶部