电脑桌面
添加小米粒文库到电脑桌面
安装后可以在桌面快捷访问

加油站设计规范VIP免费

加油站设计规范_第1页
1/24
加油站设计规范_第2页
2/24
加油站设计规范_第3页
3/24
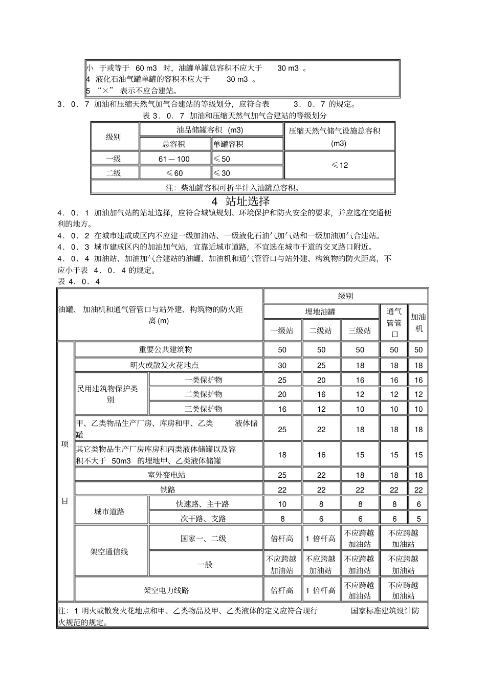
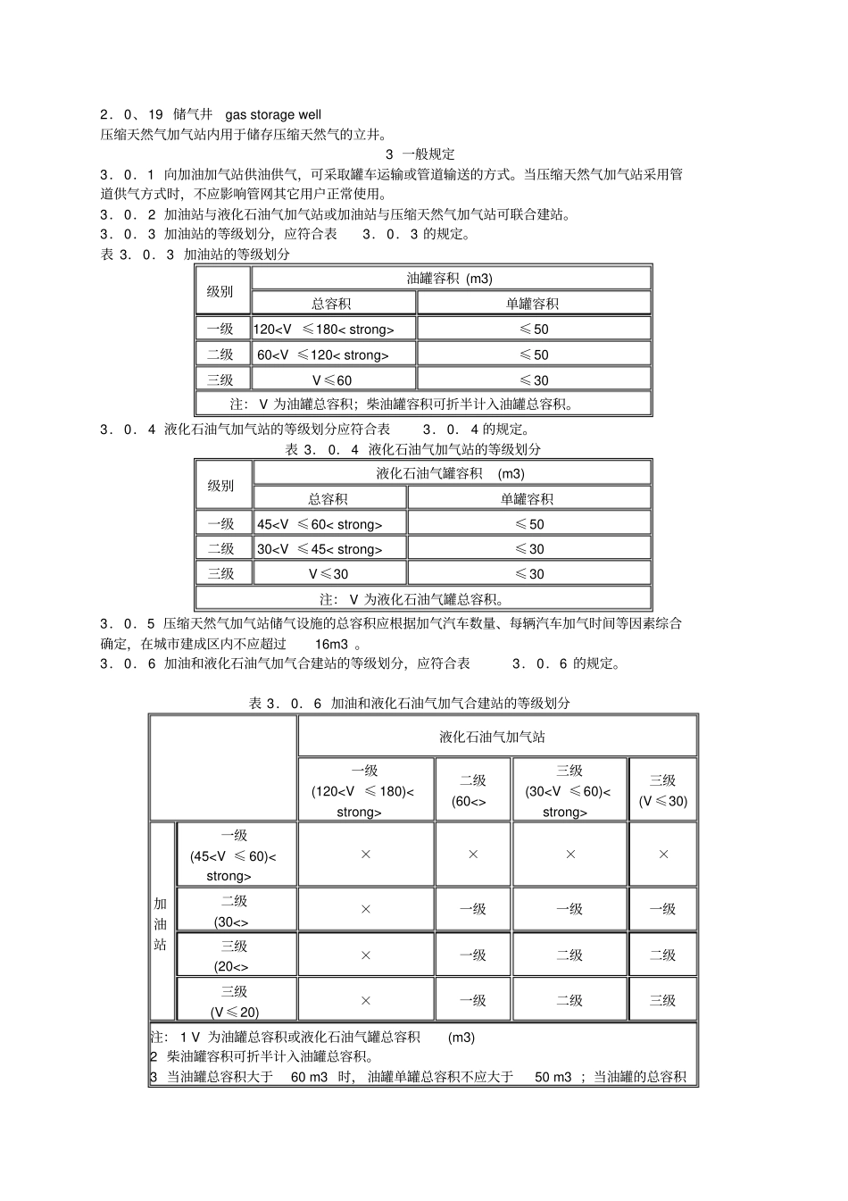
汽车加油加气站设计与施工规范GB50156-2002 ?1 总 则1 总 则1.0.1 为了在汽车加油加气站设计和施工中贯彻国家有关方针政策,统一技术要求.做到安全可靠、技术先进、经济合理,制定本规范。1.0.2 本规范适用于新建、扩建和改建的汽车加油站、液化石油气加气站、压缩天然气加气站和汽车加油加气合建站工程的设计和施工。1.0.3 汽车加油加气站设计和施工除应执行本规范外,尚应符合国家现行有关强制性标淮的规定。2 术 语2.0.1 加油加气站automobile gasoline/gas filling station 加油站、液化石油气加气站、压缩天然气加气站、加油加气合建站的统称。2.0.2 加油站automobile gasoline filling station 为汽车油箱充装汽油、柴油的专门场所。2.0.3 液化石油气加气站automobile LPG filling station 为燃气汽车储气瓶充装车用液化石油气的专门场所。2.0.4 压缩大然气加气站automobile CNG filling station 为燃气汽车储气瓶充装车用压缩天然气的专门场所。2.0.5 加油加气合建站automobile gasoline and gas filling 既可为汽车油箱充装汽油、柴油,又可为燃气汽车储气瓶充装车用液化石油气或车用压缩天然气的专门场所。2.06 加气站automobile LPG or CNG filling station 液化石油气加气站或压缩天然气加气站的简称。2.0.7 站房 station house 用于加油加气站管理和经营的建筑物。2.0.8 加油岛gasoline filling island 用于安装加油机的平台。2.0.9 加气岛gas filling island 用于安装加气机的平台。2.0.10 埋地油罐underground storage gasoline tank 采用直接覆土或罐池充沙(细土 )方式埋设在地下,且罐内最高液面低于罐外4m 范围内地面的最低标高 0.2m 的卧式油品储罐。2.0.11 埋地液化石油气罐undergroud storage LPG tank 采用直接覆土或罐池充沙(细土 )方式埋设在地下,且罐内最高液面低于罐外4m 范围内地面的最低标高 0.2m 的卧式液化石油气储罐。2.0.12 密闭卸油点closed unloading gasoline point 埋地油罐以密闭方式接卸汽车油罐车所载油品的固定接头2.0.13 卸油油气回收系统vapor recovery system for unloading gasoline 将汽油油罐车卸油时产生的油气回收至油罐车里的密闭油气回收系统。2.0.14 加油油气回收系统vapor recovery system for filling 将给汽油车辆加油时产生的油气回收至埋地汽油罐的密...

1、当您付费下载文档后,您只拥有了使用权限,并不意味着购买了版权,文档只能用于自身使用,不得用于其他商业用途(如 [转卖]进行直接盈利或[编辑后售卖]进行间接盈利)。
2、本站所有内容均由合作方或网友上传,本站不对文档的完整性、权威性及其观点立场正确性做任何保证或承诺!文档内容仅供研究参考,付费前请自行鉴别。
3、如文档内容存在违规,或者侵犯商业秘密、侵犯著作权等,请点击“违规举报”。

碎片内容

加油站设计规范

您可能关注的文档

确认删除?
VIP
微信客服
  • 扫码咨询
会员Q群
  • 会员专属群点击这里加入QQ群
客服邮箱
回到顶部