电脑桌面
添加小米粒文库到电脑桌面
安装后可以在桌面快捷访问

暖通工程设计指导书与说明书VIP免费

暖通工程设计指导书与说明书_第1页
1/9
暖通工程设计指导书与说明书_第2页
2/9
暖通工程设计指导书与说明书_第3页
3/9
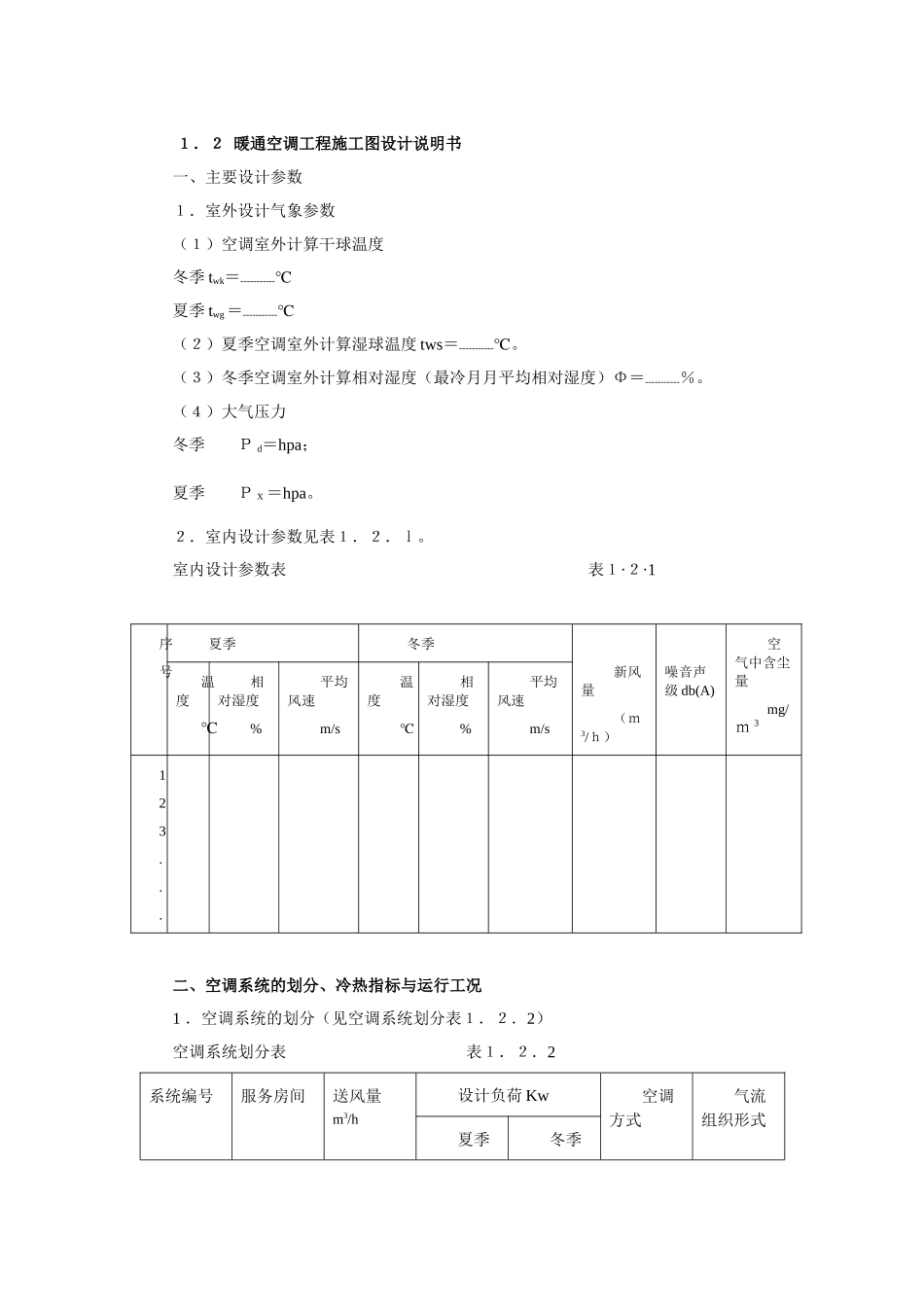
1.2 暖通空调工程施工图设计说明书一、主要设计参数1.室外设计气象参数(1)空调室外计算干球温度冬季 twk=-----------℃夏季 twg =-----------℃(2)夏季空调室外计算湿球温度 tws=-----------℃。(3)冬季空调室外计算相对湿度(最冷月月平均相对湿度)Φ=-----------%。(4)大气压力冬季 P d=hpa;夏季 Px=hpa。2.室内设计参数见表1.2.l。室内设计参数表 表1·2·1二、空调系统的划分、冷热指标与运行工况1 .空调系统的划分(见空调系统划分表1.2.2)空调系统划分表 表1.2.2系统编号服务房间送风量m3/h设计负荷 Kw空调方式气流组织形式夏季冬季序号夏季 冬季新风量(m3/h)噪音声级 db(A)空气中含尘量mg/m 3温度℃相对湿度%平均风速m/s温度℃相对湿度%平均风速m/s123...K-1K-2K-3 2.冷、热指标本项目空调建筑总面积为.______m 2,二季设计冷负荷为_____kw,冬季设计热负荷为.kw,建筑平面冷指标为______W/m 2,建筑平面热指标为______W/m 2。3.空调系统的设计运行工况,见表1.2.3。空调系统的设计运行工表 表1.2.3。系统编号参数名称单位不同工况时的运行参数室外干球温度℃湿球温度℃室内干球温度℃湿球温度%新风量m3/h一次回风混合点温度℃混合点焓值J/Kg回风量m3/h一次回风混合点温度℃混合点焓值J/Kg回风量m3/h冷却处理后的状态温度℃相对湿度%供水情况(冷水、热水、循环水)加热处理后的状态一次加热后温度℃二次加热后温度℃加湿量Kg/h送风状态温度℃相对湿度% 三、风管、方阀与防火阀1.风管(1)设计图中所注风管的标高,对于圆形时,以中心线为准;对于方形或矩形时,以风管底为准。(2)风管材料采用_________制作,厚度及加工方法,按《通风与空调工程施工及验收规范》(GB50243—97)的规定确定。(3)当设计图中未标出测量孔位置时,安装单位应根据调试要求在适当的部位配置测量孔。测量孔的做法见国标T615。(4)穿越沉降缝或变形缝处的风管两侧,以及与通风机进、出口相连处,应设置长度为200~300mm的人造革软接;软接的接口应牢固、严密。在软接处禁止变径。(5)风管上的可拆卸接口,不得设置在墙体或楼板内。(6)所有水平或垂直的风管,必须设置必要的支、吊或托架,其构造形式由安装单位在保证牢固、可靠的原则下根据现场情况选定,详见国标T616。(7)风管支、吊或托架应设置于保温层的...

1、当您付费下载文档后,您只拥有了使用权限,并不意味着购买了版权,文档只能用于自身使用,不得用于其他商业用途(如 [转卖]进行直接盈利或[编辑后售卖]进行间接盈利)。
2、本站所有内容均由合作方或网友上传,本站不对文档的完整性、权威性及其观点立场正确性做任何保证或承诺!文档内容仅供研究参考,付费前请自行鉴别。
3、如文档内容存在违规,或者侵犯商业秘密、侵犯著作权等,请点击“违规举报”。

碎片内容

暖通工程设计指导书与说明书

您可能关注的文档

确认删除?
VIP
微信客服
  • 扫码咨询
会员Q群
  • 会员专属群点击这里加入QQ群
客服邮箱
回到顶部