电脑桌面
添加小米粒文库到电脑桌面
安装后可以在桌面快捷访问

冷冲压模具设计习题集VIP专享VIP免费

冷冲压模具设计习题集_第1页
1/24
冷冲压模具设计习题集_第2页
2/24
冷冲压模具设计习题集_第3页
3/24
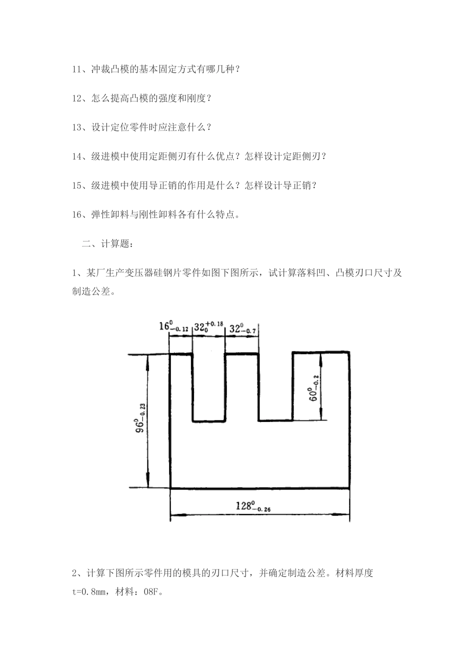
冷冲压模具设计习题集概述一、思考题:1、冷冲压工序可分为哪两大类?它们的主要区别是什么?2、分离工序有哪些工序形式?试用工序简图及自己的语言说明其中两种工序的主要特征。3、变形工序有哪些工序形式?试用工序简图及自己的语言说明其中两种工序的主要特征。冲裁一、思考题:1、板料冲裁时,其断面特征怎样?影响冲裁件断面质量的因素有哪些?2、提高冲裁件尺寸精度和断面质量的有效措施有哪些?3、什么是冲裁件的工艺性,分析冲裁件的工艺性有何实际意义?4、在设计冲裁模时,确定冲裁间隙的原则是什么?5、确定冲裁凸、凹模刃口尺寸的基本原则是什么?6、什么叫排样?排样的合理与否对冲裁工作有何意义?7、排样的方式有哪些?它们各有何优缺点?9、什么是压力中心?设计冷冲模时确定压力中心有何意义?10、试比较级进模和复合模结构特点。11、冲裁凸模的基本固定方式有哪几种?12、怎么提高凸模的强度和刚度?13、设计定位零件时应注意什么?14、级进模中使用定距侧刃有什么优点?怎样设计定距侧刃?15、级进模中使用导正销的作用是什么?怎样设计导正销?16、弹性卸料与刚性卸料各有什么特点。 二、计算题:1、某厂生产变压器硅钢片零件如图下图所示,试计算落料凹、凸模刃口尺寸及制造公差。2、计算下图所示零件用的模具的刃口尺寸,并确定制造公差。材料厚度t=0.8mm,材料:08F。3、设计冲制下图所示零件的凹模。4、计算冲裁下图所示零件的凸、凹模刃口尺寸及公差。5、试确定下图所示零件的合理排样方法,并计算其条料宽度和材料利用率。6、试根据下图所示的凹模简图画出冲裁件形状及冲裁时的排样图。7、试根据下图所示的凹模简图画出冲裁件形状及冲裁时的排样图。8、如下图所示零件,材料为 40 钢,板厚为 6mm,请确定落料凹、凸模尺寸及制造公差。9、如下图所示零件,材料为 10 钢,料厚 2mm,采用配作法加工,求凸、凹模刃口尺寸及公差。10、请计算下图所示零件落料冲孔复合模的冲裁力、推件力、卸料力,确定压力机吨位。11、求下图所示零件采用落料冲孔复合模时的压力中心,并决定凸凹模刃口尺寸和制造公差。12、求下图所示多孔冲模的压力中心。材料为 Q275,板料厚度为 2mm。弯曲一、思考题:1、板料的弯曲变形过程大致可分为哪几个阶段?各阶段的应力与应变状态如何?2、宽板弯曲件与窄板弯曲件为什么得到的模截面形状不同?3、板料的弯曲变形有哪些特点?4、什么是最小弯曲半径?影响最小弯曲半径的因素有哪些?5、影...

1、当您付费下载文档后,您只拥有了使用权限,并不意味着购买了版权,文档只能用于自身使用,不得用于其他商业用途(如 [转卖]进行直接盈利或[编辑后售卖]进行间接盈利)。
2、本站所有内容均由合作方或网友上传,本站不对文档的完整性、权威性及其观点立场正确性做任何保证或承诺!文档内容仅供研究参考,付费前请自行鉴别。
3、如文档内容存在违规,或者侵犯商业秘密、侵犯著作权等,请点击“违规举报”。

碎片内容

冷冲压模具设计习题集

确认删除?
VIP
微信客服
  • 扫码咨询
会员Q群
  • 会员专属群点击这里加入QQ群
客服邮箱
回到顶部