电脑桌面
添加小米粒文库到电脑桌面
安装后可以在桌面快捷访问

市政工程施工危险源识别与风险评价表VIP免费

市政工程施工危险源识别与风险评价表_第1页
1/10
市政工程施工危险源识别与风险评价表_第2页
2/10
市政工程施工危险源识别与风险评价表_第3页
3/10
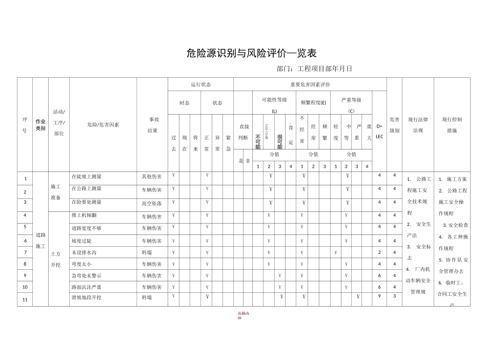
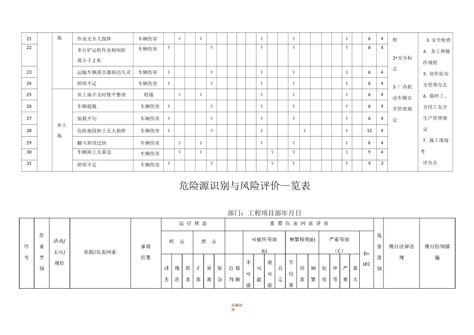
页脚内容危险源识别与风险评价—览表部门:工程项目部年月日序号作业类别活动/工序/部位危险/危害因素事故结果运行状态重要危害因素评价危害级别现行法律法规现行控制措施时态状态可能性等级(L)频繁程度(E)严重等级(C)D=LEC过去现在将来正常异常紧急直接判断不可能f匕匕一口厶冃很可能.肯定不经常经常频繁轻度中等严重重大是 非分值分值分值123412312341道路施工施工准备在陡坡上测量其他伤害VVVVV441.公路工程施工安全技术规程2.安全生产法3.安全标志4.厂内机动车辆安全管理规1.施工方案2.公路工程施工安全操作规程3.安全检查4.各工种操作规程5. 协 作 队 安全管理办去6. 临时工、合同工安全生产2在公路上测量车辆伤害VVVVV443在险要处测量高空坠落VVVVV444土方开挖推土机倾翻车辆伤害VVVVV445道路宽度不够车辆伤害VVVVV446坡度过陡车辆伤害VVVVV447未设排水沟坍塌VVVVV248弯度太小车辆伤害VVVVV449急弯处未警示车辆伤害VVVVV6410路面沆洼严重车辆伤害VVVVV6411滑坡地段开挖坍塌VVVVV93页脚内容12岩溶地区开挖坍塌VVVVV93定管理规定7.施工现场考评办去13推土机在大于 30°坡度作业车辆伤害VVVVV9314多台推土机同时操作,相间小于 1.5 米车辆伤害VVVVV2415轮胎式挖掘机未顶好支腿车辆伤害VVVVV6316照明不足车辆伤害VVVVV122危险源识别与风险评价—览表部门:工程项目部年月日序号作业类别活动/工序/部位危险/危害因素事故结果运行状态重要危害因素评价危害级别现行法律法规现行控制措施时态状态可能性等级(L)频繁程度(E)严重等级(C)D=LEC过去现在将来正常异常紧急直接判断不可能f匕匕一口厶冃很可能.肯定不经常经常频繁轻度中等严重重大是 非分值分值分值1234123123417道路施工取土机械掏没挖土坍塌VVVVV931.公路工程施工安全技术规1.施工方案2. 公路工程施工安全操作规程18雨天作业坍塌VVVVV2419不及时处理松动土坍塌VVVVV6420坍塌区未设警示人员误入其他伤害VVVVV64页脚内容21场作业无专人指挥车辆伤害VVVVV64程2•安全标志3.厂内机动车辆安全管理规定3.安全检查4. 各工种操作规程5. 协作队安全管理办去6. 临时工、合同工安全生产管理规定7. 施工现场考评办去22多台铲运机作业相间距离小于 2 米车辆伤害VVVVV6423运输车辆离合器制动失灵车辆伤害VVVVV6424照明不足车辆伤害VVVVV6425弃土场弃土场不及时推平整理坍塌VVVVV6426车辆超载车辆伤害VVVVV6427装载不匀车辆伤害VVVVV6428危险地段卸土无人指挥车辆伤害VVVVV12429翻斗卸顶...

1、当您付费下载文档后,您只拥有了使用权限,并不意味着购买了版权,文档只能用于自身使用,不得用于其他商业用途(如 [转卖]进行直接盈利或[编辑后售卖]进行间接盈利)。
2、本站所有内容均由合作方或网友上传,本站不对文档的完整性、权威性及其观点立场正确性做任何保证或承诺!文档内容仅供研究参考,付费前请自行鉴别。
3、如文档内容存在违规,或者侵犯商业秘密、侵犯著作权等,请点击“违规举报”。

碎片内容

市政工程施工危险源识别与风险评价表

您可能关注的文档

确认删除?
VIP
微信客服
  • 扫码咨询
会员Q群
  • 会员专属群点击这里加入QQ群
客服邮箱
回到顶部