电脑桌面
添加小米粒文库到电脑桌面
安装后可以在桌面快捷访问

混凝土施工检验批质量验收记录表VIP免费

混凝土施工检验批质量验收记录表_第1页
1/9
混凝土施工检验批质量验收记录表_第2页
2/9
混凝土施工检验批质量验收记录表_第3页
3/9
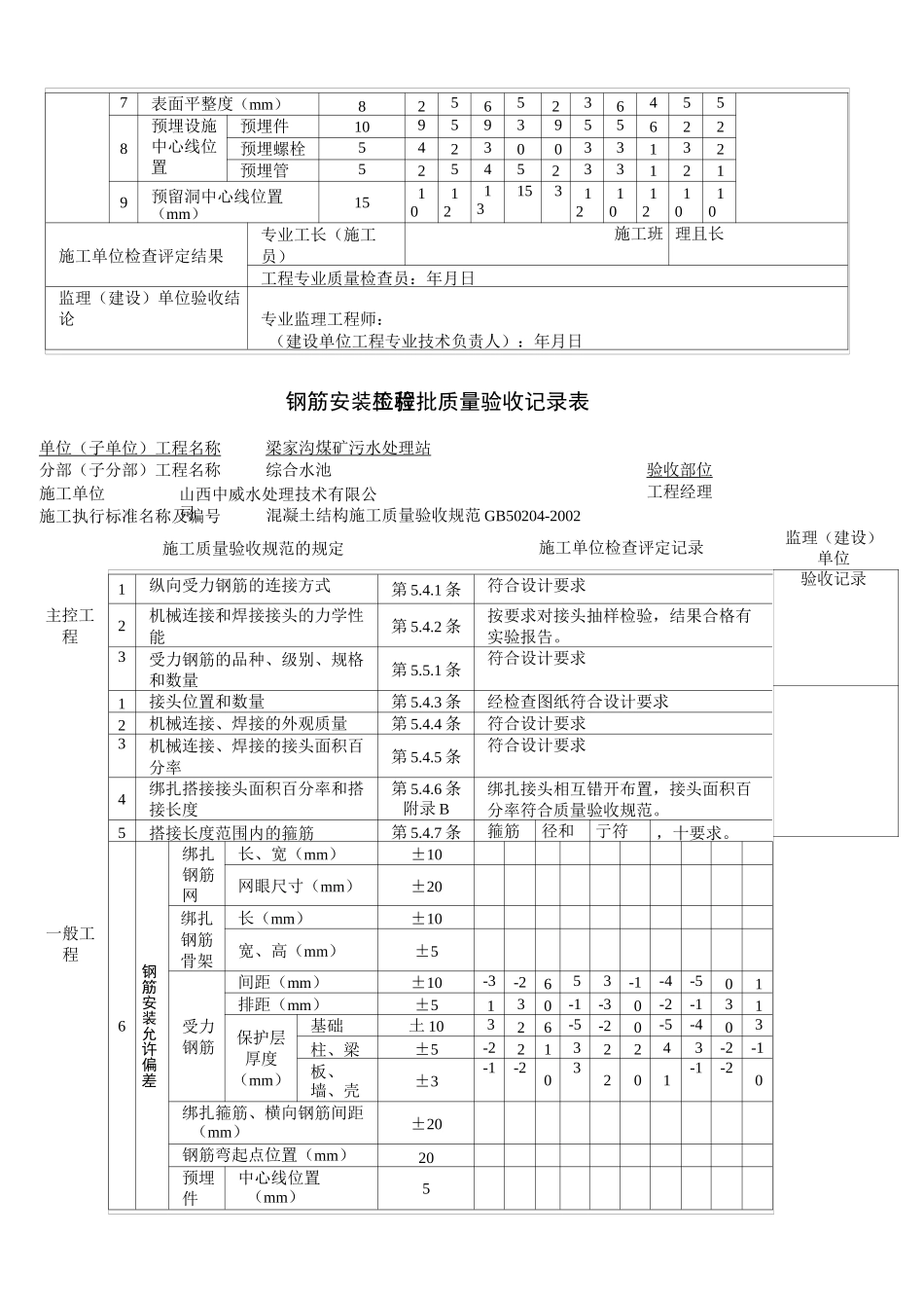
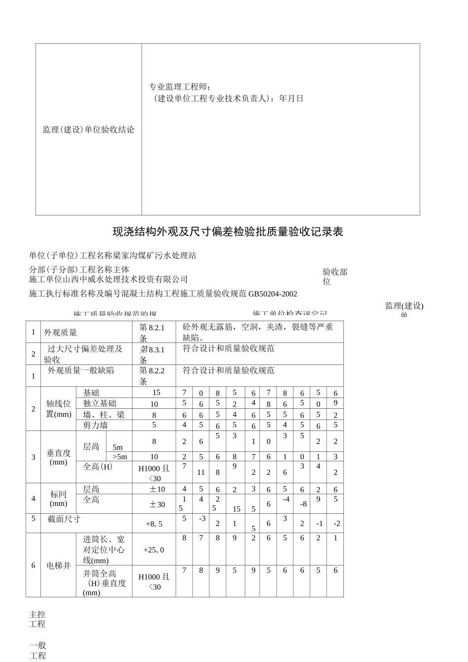
混凝土施工检验批质量验收记录表单位(子单位)工程名称梁家沟煤矿污水处理站分部(子分部)工程名称主体验收部位施工单位山西中威水处理技术投资有限公司工程经理施工执行标准名称及编号混凝土结构工程施工质量验收规范 GB50204-2002施工质量验收规范的规定施工单位检查评定记录监理(建设)单位验收记录主控工程1混凝土强度等级及试件的取样和留置第 7.4.1条符合设计和质量验收规范2混凝土抗渗及试件取样和留置第 7.4.2条符合设计和质量验收规范3原材料每盘称量的偏差第 7.4.3条每盘称重在规范范围内符合验收规范4初凝时间控制第 7.4.4条符合设计和质量验收规范般工程1施工缝的位置和处理第 7.4.5条符合设计和质量验收规范有施工记录2后浇带的位置和浇筑第 7.4.6条符合设计和质量验收规范3混凝土养护第 7.4.7条12h 以内按要求进行了养护符合规范有施工记录。施工单位检查评定结果专业工长(施工员)施工班组长工程专业质量检查员:年月日验收部位施工质量验收规范的规施工单位检查评定记监理(建设)单监理(建设)单位验收结论专业监理工程师:(建设单位工程专业技术负责人):年月日现浇结构外观及尺寸偏差检验批质量验收记录表单位(子单位)工程名称梁家沟煤矿污水处理站分部(子分部)工程名称主体施工单位山西中威水处理技术投资有限公司施工执行标准名称及编号混凝土结构工程施工质量验收规范 GB50204-20021外观质量第 8.2.1条砼外观无露筋,空洞,夹渣,裂缝等严重缺陷。2过大尺寸偏差处理及验收第 8.3.1条符合设计和质量验收规范1外观质量一般缺陷第 8.2.2条符合设计和质量验收规范2轴线位置(mm)基础157085678656独立基础105652486509墙、柱、梁86654655652剪力墙545656545653垂直度(mm)层咼5m82653103522>5m102568761013全高(H)H1000 且<30711892263424标冋(mm)层咼±104562365626全高±30154251556-4-8955截面尺寸+8,55-3215632-1-26电梯井进筒长、宽对定位中心线(mm)+25,08789265621井筒全高(H)垂直度(mm)H1000 且<307895956656主控工程一般工程7表面平整度(mm)825652364558预埋设施中心线位置(mm)预埋件109593955622预埋螺栓54230033132预埋管525452331219预留洞中心线位置(mm)151012131531210121010施工单位检查评定结果专业工长(施工员)施工班 理且长工程专业质量检查员:年月日监理(建设)单位验收结论专业监理工程师:(建设单位工程专业技术负责人):年月日钢筋安装工程检验批质量验收记录表单位(子单位)工...

1、当您付费下载文档后,您只拥有了使用权限,并不意味着购买了版权,文档只能用于自身使用,不得用于其他商业用途(如 [转卖]进行直接盈利或[编辑后售卖]进行间接盈利)。
2、本站所有内容均由合作方或网友上传,本站不对文档的完整性、权威性及其观点立场正确性做任何保证或承诺!文档内容仅供研究参考,付费前请自行鉴别。
3、如文档内容存在违规,或者侵犯商业秘密、侵犯著作权等,请点击“违规举报”。

碎片内容

混凝土施工检验批质量验收记录表

确认删除?
VIP
微信客服
  • 扫码咨询
会员Q群
  • 会员专属群点击这里加入QQ群
客服邮箱
回到顶部