电脑桌面
添加小米粒文库到电脑桌面
安装后可以在桌面快捷访问

纺织印染公司锅炉烟气治理(脱硫、脱硝、除尘)技术改造建设项目环境影响报告表VIP免费

纺织印染公司锅炉烟气治理(脱硫、脱硝、除尘)技术改造建设项目环境影响报告表_第1页
1/55
纺织印染公司锅炉烟气治理(脱硫、脱硝、除尘)技术改造建设项目环境影响报告表_第2页
2/55
纺织印染公司锅炉烟气治理(脱硫、脱硝、除尘)技术改造建设项目环境影响报告表_第3页
3/55
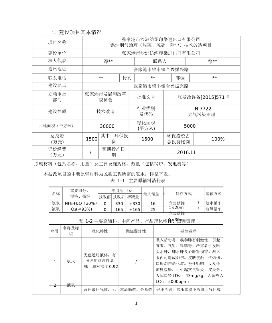
建设项目环境影响报告表(试 行)项目名称: 张家港市沙洲纺织印染进出口有限公司锅炉烟气治理(脱硫、脱硝、除尘)技术改造项目建设单位(盖章) 张家港市沙洲纺织印染进出口有限公司(公示版)编制日期: 2016 年 9 月江苏省环境保护局制 《建设项目环境影响报告表》编制说明《建设项目环境影响报告表》由具有从事环境影响评价工作资质的单位编制。1.项目名称……指项目立项批复时的名称,应不超过 30 个字(两个英文字段作一个汉字)。2.3.4.5.建设地点……指项目所在地详细地址,公路、铁路应填写起止地点。行业类别……按国标填写。总投资……指项目投资总额。主要环境保护目标……指项目区周围一定范围内集中居民住宅区、学校、医院、保护文物、风景名胜区、水源地和生态敏感点等,应尽可能给出保护目标、性质、规模和距厂界距离等。6.结论与建议……给出本项目清洁生产、达标排放和总量控制的分析结论,确定污染防治措施的有效性,说明本项目对环境造成的影响,给出建设项目环境可行性的明确结论。同时提出减少环境影响的其它建议。7.8.预审意见……由行业主管部门填写答复意见,无主管部门项目,可不填。审批意见……由负责审批该项目的环境保护行政主管部门批复。 一、建设项目基本情况张家港市沙洲纺织印染进出口有限公司锅炉烟气治理(脱硫、脱硝、除尘)技术改造项目项目名称建设单位法人代表通讯地址张家港市沙洲纺织印染进出口有限公司谭**联系人徐**张家港市锦丰镇合兴振兴路联系电话建设地点**传真**邮编**张家港市锦丰镇合兴振兴路立项审批部门张家港市发展和改革委员会批准文号张发改许备[2015]571 号行业类别及代码N 7722大气污染治理建设性质技术改造绿化面积(平方米)占地面积(平方米)300005000总投资其中:环保投环保投资占15001500100%(万元)资总投资比例评价经费(万元)预期投产日期/2016.11原辅材料(包括名称、用量)及主要设施规格、数量(包括锅炉、发电机等)本技改项目的主要原辅材料为脱硝工程所需的氨水,详见下表。表 1-1 主要原辅料消耗表重要组分、规格、指标年用量 t/a名称最大储量 t储存方式运输方式技改前 技改后 增减量氨水液氧NH3·H2O(20%)O2(≧93%)00330165+330+1651625立式储罐 1×20m立式储罐 1×30m33氨水罐车液氧漕车表 1-2 主要原辅料、中间产品、产品理化特性、毒性毒理名称及标识序号理化特性燃烧爆炸性毒性毒理吸入后对鼻、喉和肺有刺激性,引起咳嗽、气短、哮...

1、当您付费下载文档后,您只拥有了使用权限,并不意味着购买了版权,文档只能用于自身使用,不得用于其他商业用途(如 [转卖]进行直接盈利或[编辑后售卖]进行间接盈利)。
2、本站所有内容均由合作方或网友上传,本站不对文档的完整性、权威性及其观点立场正确性做任何保证或承诺!文档内容仅供研究参考,付费前请自行鉴别。
3、如文档内容存在违规,或者侵犯商业秘密、侵犯著作权等,请点击“违规举报”。

碎片内容

纺织印染公司锅炉烟气治理(脱硫、脱硝、除尘)技术改造建设项目环境影响报告表

您可能关注的文档

文泉书屋+ 关注
实名认证
内容提供者

热爱教学事业,对互联网知识分享很感兴趣

确认删除?
VIP
微信客服
  • 扫码咨询
会员Q群
  • 会员专属群点击这里加入QQ群
客服邮箱
回到顶部