电脑桌面
添加小米粒文库到电脑桌面
安装后可以在桌面快捷访问

化工原理试验思考题答案27740VIP免费

化工原理试验思考题答案27740_第1页
1/14
化工原理试验思考题答案27740_第2页
2/14
化工原理试验思考题答案27740_第3页
3/14
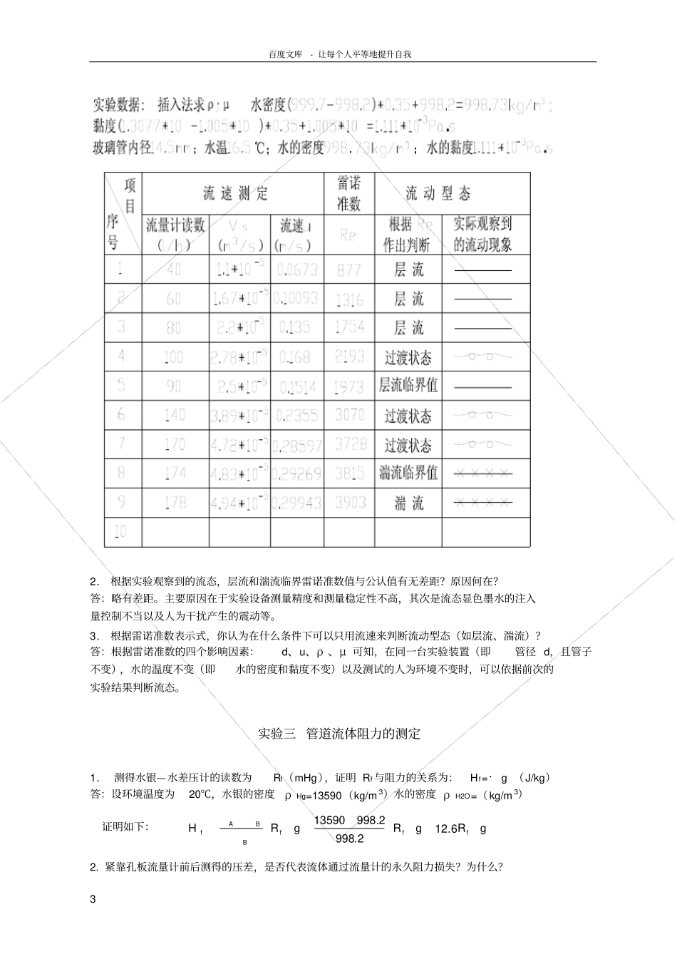
百度文库- 让每个人平等地提升自我1 化工原理实验思考题实验一:柏努利方程实验1. 关闭出口阀,旋转测压管小孔使其处于不同方向(垂直或正对流向),观测并记录各测压管中的液柱高度H 并回答以下问题:(1)各测压管旋转时, 液柱高度 H 有无变化?这一现象说明了什么?这一高度的物理意义是什么?答:在关闭出口阀情况下,各测压管无论如何旋转液柱高度H 无任何变化。这一现象可通过柏努利方程得到解释: 当管内流速u=0 时动压头022uH 动,流体没有运动就不存在阻力,即Σ hf=0,由于流体保持静止状态也就无外功加入,既W e=0,此时该式反映流体静止状态见( P31)。这一液位高度的物理意义是总能量(总压头)。(2) A、B、C、D、 E 测压管内的液位是否同一高度?为什么?答: A、B、C、 D、E 测压管内的液位在同一高度(排除测量基准和人为误差)。这一现象说明各测压管总能量相等。2. 当流量计阀门半开时,将测压管小孔转到垂直或正对流向,观察其的液位高度H/并回答以下问题:(1)各 H /值的物理意义是什么?答:当测压管小孔转到正对流向时H /值指该测压点的冲压头H /冲;当测压管小孔转到垂直流向时H/值指该测压点的静压头H /静;两者之间的差值为动压头H/ 动=H /冲-H /静。(2)对同一测压点比较H 与 H/各值之差,并分析其原因。答:对同一测压点H>H/值,而上游的测压点H/值均大于下游相邻测压点H /值,原因显然是各点总能量相等的前提下减去上、下游相邻测压点之间的流体阻力损失Σhf 所致。(3)为什么离水槽越远H 与 H/差值越大?(4)答:离水槽越远流体阻力损失Σhf 就越大, 就直管阻力公式可以看出22udlH f与管长 l 呈正比。3. 当 流 量 计 阀 门 全 开 时 , 将 测 压 管 小 孔 转 到 垂 直 或 正 对 流 向 , 观 察 其 的 液 位 高 度H2222dcuu22abucdpabp22udlH f计算流量计阀门半开和全开A 点以及 C 点所处截面流速大小。答:注: A 点处的管径d=(m) ;C 点处的管径d=(m) A 点半开时的流速:135.00145.03600408.03600422dVsu A半(m/s)A 点全开时的流速:269.00145.03600416.03600422dVsu A全(m/s)百度文库- 让每个人平等地提升自我2 C 点半开时的流速:1965.0012.03600408.03600422dVsu c半( m/s)C 点全开时的流速:393.0012.03600416.03600422dVsu c全( m/s)实验二:雷诺实验1. 根据雷诺实验测定的读数和观察流...

1、当您付费下载文档后,您只拥有了使用权限,并不意味着购买了版权,文档只能用于自身使用,不得用于其他商业用途(如 [转卖]进行直接盈利或[编辑后售卖]进行间接盈利)。
2、本站所有内容均由合作方或网友上传,本站不对文档的完整性、权威性及其观点立场正确性做任何保证或承诺!文档内容仅供研究参考,付费前请自行鉴别。
3、如文档内容存在违规,或者侵犯商业秘密、侵犯著作权等,请点击“违规举报”。

碎片内容

化工原理试验思考题答案27740

确认删除?
VIP
微信客服
  • 扫码咨询
会员Q群
  • 会员专属群点击这里加入QQ群
客服邮箱
回到顶部