电脑桌面
添加小米粒文库到电脑桌面
安装后可以在桌面快捷访问

悬挑防护棚计算书VIP免费

悬挑防护棚计算书_第1页
1/14
悬挑防护棚计算书_第2页
2/14
悬挑防护棚计算书_第3页
3/14
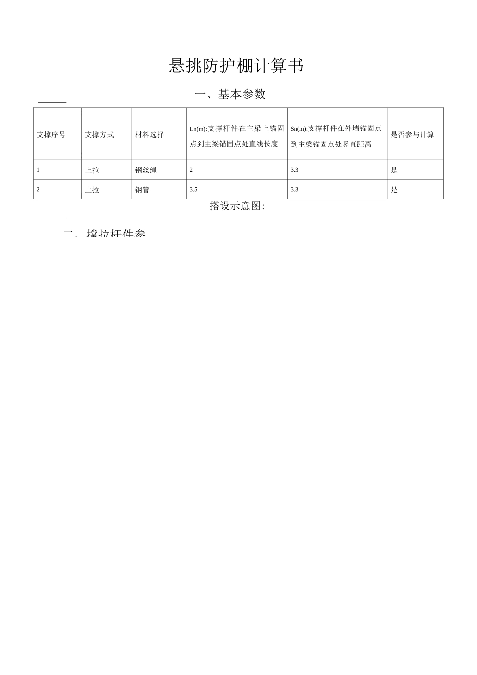
悬挑防护棚类型防护栏高度悬挑防护棚宽度主梁间距主梁之间添加横向次梁的根数二、撑拉杆件参悬挑防护棚计算书一、基本参数支撑序号支撑方式材料选择Ln(m):支撑杆件在主梁上锚固点到主梁锚固点处直线长度Sn(m):支撑杆件在外墙锚固点到主梁锚固点处竖直距离是否参与计算1上拉钢丝绳23.3是2上拉钢管3.53.3是搭设示意图:侧立面示意图防护层内材料类型栏杆与挡脚板类型安全网自重次梁自重四、次梁验二、何载参数次梁材料钢管次梁钢管型号①48.3x3.6截面面积 A(cm2)5.06截面惯性矩 Ix(cm4)12.71截面抵抗矩 Wx(cm3)5.26抗弯强度设计值[f](N/mm2)205回转半径 i(mm)15.9弹性模量玖 N/mm2)206000次梁计算方式三等跨连续梁平面图0.0.024lcNO.(124kN0,0241cNO.G24lcNLc为主梁之间添加的横向次梁的间距,Lc=La/(n+l)=1.5/(2+l)=0.5mcca计算简图:.■—15001EW.■—1E0D计算抗弯:M=0.467kN.m计算抗剪:V=1.081kN计算挠度:v=2.192mm计算简图:O.Cl24kND.024kNO.D24kM.4kNi.Q24kN^.Q24kND.(124kN计算抗弯:M=0.383kN.m计算抗剪:o.s0.75B.3V=0.9kN计算挠度:v=1.502mm承载能力极限状态:q=1.2x(gk1+gk3)xLb+1.2xgk4=1.2x(0.3+0.01)x0.5+1.2x0.04=0.234kN/m横向次梁的集中力:R=1.2xLbxgk4=1.2x0.5x0.04=0.024kNPk=1.4pk=1.4x1=1.4kN正常使用极限状态:q'=(gk1+gk3)xLb+gk4=(0.3+0.01)x0.5+0.04=0.195kN/m横向次梁的集中力:R'=Lbxgk4=0.5x0.04=0.02kNP'=1kNk1.抗弯验算M=Max(0.467,0.383)=0.467kN.mmax1.375ko=Mmax/WX=0.467x106/(5.26xl03)=88.722N/mm2S[f]=205N/mm2次梁强度满足!2•挠度验算v=Max(2.192,1.502)=2.192mm<[v]=L/400=1500/400=3.75mmmaxa次梁挠度满足要求!3•支座反力计算极限状态下支座反力:R=R=Max(1.455,1.245)=1.455kN次梁 max'丿正常使用状态下支座反力:R'=R'=Max(1.092,0.942)=1.092kN次梁 max'丿五、主梁验算主梁材料双钢管主梁钢管型号①48.3x3.6截面面积 A(cm2)10.12截面惯性矩 Ix(cm4)25.42截面抵抗矩 Wx(cm3)10.52抗弯强度设计值[f](N/mm2)205回转半径 i(mm)31.8弹性模量玖 N/mm2)206000主梁与主体结构的连接方式双扣件扣件的抗滑移折减系数1计算简图:■3.4??5kN/m'M1141414141山J4"4141■I1小44"心4TTTT11111",.■—.■-EM计算抗弯:1.37SkN1.37SkM1.375kML.S7ELMI.87SLN1.87ELNl.S7SkN2.Z4®2.2462.1372.051.9220.5730J25D.215O.L€7■2n丄£-1.EE-l.w-1.70®-L.7E5M=1.299kN.m计算抗剪:V=3.52kN计算挠度:v=6.681mm下...

1、当您付费下载文档后,您只拥有了使用权限,并不意味着购买了版权,文档只能用于自身使用,不得用于其他商业用途(如 [转卖]进行直接盈利或[编辑后售卖]进行间接盈利)。
2、本站所有内容均由合作方或网友上传,本站不对文档的完整性、权威性及其观点立场正确性做任何保证或承诺!文档内容仅供研究参考,付费前请自行鉴别。
3、如文档内容存在违规,或者侵犯商业秘密、侵犯著作权等,请点击“违规举报”。

碎片内容

悬挑防护棚计算书

您可能关注的文档

确认删除?
VIP
微信客服
  • 扫码咨询
会员Q群
  • 会员专属群点击这里加入QQ群
客服邮箱
回到顶部