电脑桌面
添加小米粒文库到电脑桌面
安装后可以在桌面快捷访问

水利水电三检表(DOC46页)VIP免费

水利水电三检表(DOC46页)_第1页
1/46
水利水电三检表(DOC46页)_第2页
2/46
水利水电三检表(DOC46页)_第3页
3/46
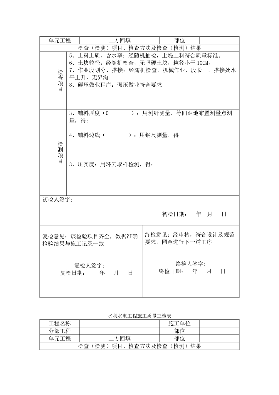
水利水电工程施工质量三检表工程名称施工单位分部工程部位单元工程土方开挖部位检查(检测)项目、检查方法及检查(检测)结果检查项目1、地基清理和处理:经随机抽检,树根、草皮、乱石已清除,预留保护层已挖除,地质符合设计要求2、岸坡清理和处理:经随机检查,岸坡上无数根、草皮,保护层已清除。检测项目1、坑(槽)长宽(设计值 ,允许偏差: ):用皮尺测量,等间距地布置测量点进行测量,得 2、坑(槽)底部标高(设计值 ,允许偏差: ):用水准仪测量,等间距地布置测量点进行测量,得:3、垂直或斜面平整度:用 2 米靠尺和塞尺测量,随机布点,得:初检人签字: 初检日期: 年 月 日复检意见:该检验项目齐全,数据准确,检验结果与施工记录一致 复检人签字: 复检日期: 年 月 日终检意见:经审核,符合设计及规范要求,同意进行下一道工序 终检人签字: 终检日期: 年 月 日水利水电工程施工质量三检表工程名称施工单位分部工程部位单元工程土方回填部位检查(检测)项目、检查方法及检查(检测)结果检查项目1、土料土质、含水率:经随机抽检,上堤土料符合质量标准。2、土块粒径:经随机检查,无坚硬土块,粒径小于 10CM。3、作业段划分、搭接:经随机检查,机械作业,段长 ,搭接处水平上升,无界沟4、碾压做业程序:碾压做业符合要求检测项目1、铺料厚度(0 ):用测纤测量,等间距地布置测量点测量,得:2、铺料边线( ):用钢尺测量,得3、压实度:用环刀取样检测,得:初检人签字: 初检日期: 年 月 日 复检意见:该检验项目齐全,数据准确检验结果与施工记录一致 复检人签字: 复检日期: 年 月 日终检意见:经审核,符合设计及规范要求,同意进行下一道工序 终检人签字: 终检日期: 年 月 日水利水电工程施工质量三检表工程名称施工单位分部工程部位单元工程土方回填部位检查(检测)项目、检查方法及检查(检测)结果检查项目5、土料土质、含水率:经随机抽检,上堤土料符合质量标准。6、土块粒径:经随机检查,无坚硬土块,粒径小于 10CM。7、作业段划分、搭接:经随机检查,机械作业,段长 ,搭接处水平上升,无界沟8、碾压做业程序:碾压做业符合要求检测项目3、铺料厚度(0 ):用测纤测量,等间距地布置测量点测量,得:4、铺料边线( ):用钢尺测量,得3、压实度:用环刀取样检测,得:初检人签字: 初检日期: 年 月 日 复检意见:该检验项目齐全,数据准确检验结...

1、当您付费下载文档后,您只拥有了使用权限,并不意味着购买了版权,文档只能用于自身使用,不得用于其他商业用途(如 [转卖]进行直接盈利或[编辑后售卖]进行间接盈利)。
2、本站所有内容均由合作方或网友上传,本站不对文档的完整性、权威性及其观点立场正确性做任何保证或承诺!文档内容仅供研究参考,付费前请自行鉴别。
3、如文档内容存在违规,或者侵犯商业秘密、侵犯著作权等,请点击“违规举报”。

碎片内容

水利水电三检表(DOC46页)

您可能关注的文档

确认删除?
VIP
微信客服
  • 扫码咨询
会员Q群
  • 会员专属群点击这里加入QQ群
客服邮箱
回到顶部