电脑桌面
添加小米粒文库到电脑桌面
安装后可以在桌面快捷访问

某机电安装工程施工组织设计(DOC49页)VIP免费

某机电安装工程施工组织设计(DOC49页)_第1页
1/49
某机电安装工程施工组织设计(DOC49页)_第2页
2/49
某机电安装工程施工组织设计(DOC49页)_第3页
3/49
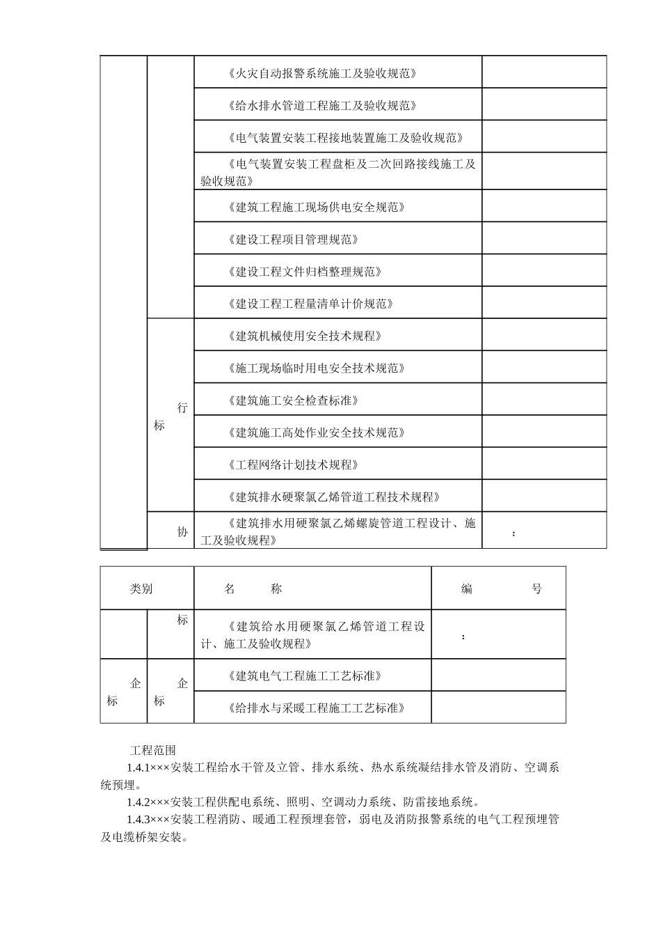
目录第卷编制说明................................................第卷工程概况................................................第卷施工部署................................................第卷施工准备................................................第卷主要分部分项施工方法....................................第卷各项管理及保证措施......................................第卷施工进度控制措施........................................第卷文明施工管理............................................第卷环境保护措施............................................第卷工程交付、服务及保修....................................第卷主要经济技术指标........................................编制说明 编制目的我们在仔细阅读施工合同、熟悉图纸、了解设计意图的基础上,组织了本次××××机电安装工程施工组织设计编制工作。本工程合同质量目标是符合国家验收规范优质工程标准对安装工程施工有严格要求。本施工组织设计为×××安装工程施工提供指导性施工方案,用于工程的施工组织与管理协调,以确保优质、高速、安全、文明地达到机电安装工程各项目标指标。 编制依据1.2.1×××安装工程施工图。1.2.2×××工程施工合同。1.2.3 国家有关施工验收规范、规程和当地有关法令、法规。.4 《质量、环境和职业健康安全管理手册》、《程序文件》及公司《技术管理手册》。1.2.5×××工程总包施工组织总设计。1.2.6×××建筑工程施工工艺标准。 采用标准主要标准、规范、技术规程和规范性文件类别 名 称 编号 范性文件 国标 《建设工程质量管理条例》 国务院令第 号《建设工程安全生产管理条例》 国务院令第 号《实施工程建设强制性标准监督规定》 建设部令 号文 《建筑工程施工质量验收规范系列表格》 建质管[]号 类别 名 称 编号 件 《建筑工程施工质量验收统一标准》 《建筑给水排水及采暖工程施工质量验收规范》 《电气装置安装工程低压电器施工及验收规范》 国标 《压缩机、风机、泵安装工程施工及验收规范》 《建筑电气安装工程施工质量验收规范》 《建筑与建筑群综合布线系统工程验收规范》 《火灾自动报警系统施工及验收规范》 《给水排水管道工程施工及验收规范》 《电气装置安装工程接地装置施工及验收规范》 《电气装置安装工程盘柜及二次回路接线施工及验收规范》 《建筑工程施...

1、当您付费下载文档后,您只拥有了使用权限,并不意味着购买了版权,文档只能用于自身使用,不得用于其他商业用途(如 [转卖]进行直接盈利或[编辑后售卖]进行间接盈利)。
2、本站所有内容均由合作方或网友上传,本站不对文档的完整性、权威性及其观点立场正确性做任何保证或承诺!文档内容仅供研究参考,付费前请自行鉴别。
3、如文档内容存在违规,或者侵犯商业秘密、侵犯著作权等,请点击“违规举报”。

碎片内容

某机电安装工程施工组织设计(DOC49页)

确认删除?
VIP
微信客服
  • 扫码咨询
会员Q群
  • 会员专属群点击这里加入QQ群
客服邮箱
回到顶部