电脑桌面
添加小米粒文库到电脑桌面
安装后可以在桌面快捷访问

兖矿选煤厂筒仓施工组织设计方案VIP免费

兖矿选煤厂筒仓施工组织设计方案_第1页
1/38
兖矿选煤厂筒仓施工组织设计方案_第2页
2/38
兖矿选煤厂筒仓施工组织设计方案_第3页
3/38
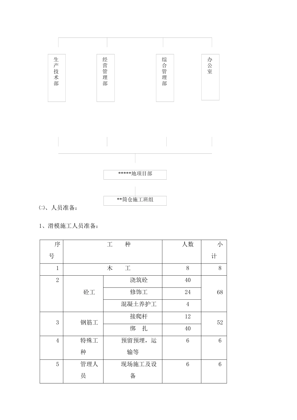
兖矿选煤厂筒仓施工组织设计一、工程概况:㈠、工程概述兖矿******选煤厂**筒仓工程:建设单位:*******有限公司设计单位:*******计研究院监理单位:*********监理公司施工单位:*********公司㈡、建筑及结构特征1、本工程主体为筒体及框架结构,由四个内径 18m 的钢筋砼圆筒仓组成,**筒仓容积约28909m3,建筑高度 46.8m,顶部为二层框架结构的仓顶室,仓顶室建筑面积为 1207.44㎡,±0.00 相当于绝对标高 45.000m。2、主体为筒体结构,筒壁 250mm 厚(漏斗以上 270mm 厚);剪力墙 300mm 厚。仓底梁板采用 C35,其余各现浇钢筋混凝土结构部分均采用 C30,框架填充墙采用 M5 混合砂浆砌筑200mm 厚 MU5 轻质砌块。每个仓设置 6 个漏斗,漏斗壁厚 400mm。3、楼面为水泥砂浆地面,地坪为混凝土水泥地坪;砌块墙体及砼墙体内墙粉刷均为混合砂浆抹面;外墙粉刷为水泥砂浆抹面,表层均刷乳胶漆涂料;门采用平开钢板门,推拉塑钢窗。仓顶屋面为防水保温上人屋面,仓顶室为防水保温屋面。4、本工程安全等级为二级;耐火等级为二级;抗震等级为三级。5、本工程平面位置在厂区东部,位于原煤仓的东面。二、施工目标㈠、质量目标:在施工中,我们将严格执行国家、省颁布的有关施工规范及技术标准,工程质量符合设计要求,国家规范标准,检验批,分项分部工程质量合格 100%,确保该工程达到省优标准。㈡、安全目标:1、杜绝重伤,消灭轻伤。2、杜绝重大机电事故和非人身事故。3、交通运输杜绝责任性的伤亡事故。4、杜绝火灾和煤气中毒事故。㈢、文明施工目标:严格按文明施工要求组织现场施工,通过采用必要的措施确保施工期间环境美观,确保达到市级安全文明卫生工地。三、施工准备及部署为保证工程质量,按期完成施工任务,创造良好的社会信誉和经济效益,项目部下设生产技术组,质量安全组,材料组,设备组,经营组五个职能部门。负责从施工准备,计划统计,生产调度,技术管理,质量控制,试验检测,安全生产,经济核算,文明施工,材料供应和施工设备机械使用维修等方面的管理,对建设工程全面负责。㈠、项目公司组织机构项目经理:项目工程师:生产经理:经营经理:㈡、人员准备:1、滑模施工人员准备:序号工 种人数小计1木 工882砼工浇筑砼4068修饰工24混凝土养护工43钢筋工接爬杆1252绑 扎404特殊工种预留预埋,运输等665管理人员现场施工及设备66生产技术部经营管理部综合管理部办公室**筒仓施工班组*****地项目部6塔吊指挥227...

1、当您付费下载文档后,您只拥有了使用权限,并不意味着购买了版权,文档只能用于自身使用,不得用于其他商业用途(如 [转卖]进行直接盈利或[编辑后售卖]进行间接盈利)。
2、本站所有内容均由合作方或网友上传,本站不对文档的完整性、权威性及其观点立场正确性做任何保证或承诺!文档内容仅供研究参考,付费前请自行鉴别。
3、如文档内容存在违规,或者侵犯商业秘密、侵犯著作权等,请点击“违规举报”。

碎片内容

兖矿选煤厂筒仓施工组织设计方案

您可能关注的文档

确认删除?
VIP
微信客服
  • 扫码咨询
会员Q群
  • 会员专属群点击这里加入QQ群
客服邮箱
回到顶部