电脑桌面
添加小米粒文库到电脑桌面
安装后可以在桌面快捷访问

制冷管道安装工艺标准VIP专享VIP免费

制冷管道安装工艺标准_第1页
1/10
制冷管道安装工艺标准_第2页
2/10
制冷管道安装工艺标准_第3页
3/10
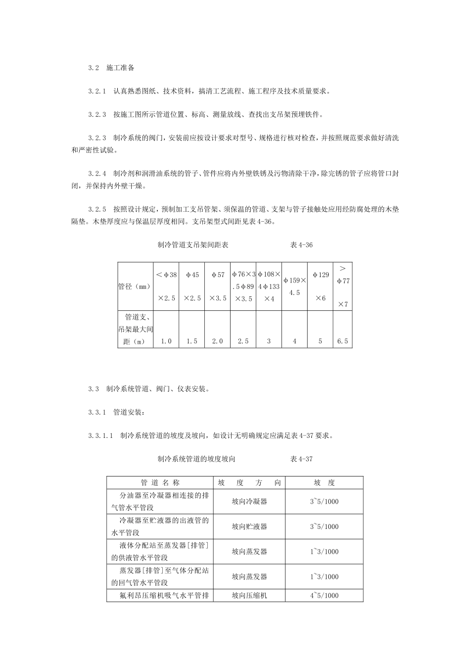
4—11 制冷管道安装工艺标准(411—1998) 1 范围 本工艺标准适用于制冷系统中工作压力低于 2MPa、温度在 150~-20℃范围内、输送介质为制冷剂和润滑油的管道安装工程。2 施工准备2.1 材料及主要机具2.1.1 所采用的管子和焊接材料应符合设计规定,并具有出厂合格证明或质量鉴定文件。2.1.2 制冷系统的各类阀件必须采用专用产品,并有出厂合格证。2.1.3 无缝钢管内外表面应无显著腐蚀、无裂纹、重皮及凹凸不平等缺陷。2.1.4 铜管内外壁均应光洁、无疵孔、裂缝、结疤、层裂或气泡等缺陷。2.1.5 施工机具:卷扬机、空气压缩机、真空泵、砂轮切割机、手砂轮、压力工作台、倒链、台钻、电锤、坡口机、铜管板边器、手锯、套丝板、管钳子、套筒扳手、梅花扳手、活扳子、水平尺、铁锤、电气焊设备等。2.1.6 测量工具:钢直尺、钢卷尺、角尺、半导体测温计、 形压力计等。2.2 作业条件2.2.1 设计图纸、技术文件齐全,制冷工艺及施工程序清楚。2.2.2 建筑结构工程施工完毕,室内装修基本完成,与管道连接的设备已安装找正完毕,管道穿过结构部位的孔洞已配合预留,尺寸正确。预埋件设置恰当,符合制冷管道施工要求。2.2.3 施工准备工作完成,材料送至现场。3 操作工艺3.1 工艺流程: 预检→施工准备→管道等安装→系统吹污→系统气密性试验→ 系统抽真空→管道防腐→系统充制冷制→检验3.2 施工准备3.2.1 认真熟悉图纸、技术资料,搞清工艺流程、施工程序及技术质量要求。3.2.3 按施工图所示管道位置、标高、测量放线、查找出支吊架预埋铁件。3.2.3 制冷系统的阀门,安装前应按设计要求对型号、规格进行核对检查,并按照规范要求做好清洗和严密性试验。3.2.4 制冷剂和润滑油系统的管子、管件应将内外壁铁锈及污物清除干净,除完锈的管子应将管口封闭,并保持内外壁干燥。3.2.5 按照设计规定,预制加工支吊管架、须保温的管道、支架与管子接触处应用经防腐处理的木垫隔垫。木垫厚度应与保温层厚度相同。支吊架型式间距见表 4-36。制冷管道支吊架间距表表 4-36管径(mm)<φ38×2.5φ45×2.5φ57×3.5φ76×3.5φ89×3.5φ108×4φ133×4φ159×4.5φ129×6>φ77×7 管道支、吊架最大间距(m) 1.0 1.5 2.0 2.5 3 4 5 6.5 3.3 制冷系统管道、阀门、仪表安装。3.3.1 管道安装:3.3.1.1 制冷系统管道的坡度及坡向,如设计无明确规定应满足表 4-37 要求。制冷系统管道的坡度坡向表 4-37管 道 名 称坡度方向坡...

1、当您付费下载文档后,您只拥有了使用权限,并不意味着购买了版权,文档只能用于自身使用,不得用于其他商业用途(如 [转卖]进行直接盈利或[编辑后售卖]进行间接盈利)。
2、本站所有内容均由合作方或网友上传,本站不对文档的完整性、权威性及其观点立场正确性做任何保证或承诺!文档内容仅供研究参考,付费前请自行鉴别。
3、如文档内容存在违规,或者侵犯商业秘密、侵犯著作权等,请点击“违规举报”。

碎片内容

制冷管道安装工艺标准

确认删除?
VIP
微信客服
  • 扫码咨询
会员Q群
  • 会员专属群点击这里加入QQ群
客服邮箱
回到顶部