电脑桌面
添加小米粒文库到电脑桌面
安装后可以在桌面快捷访问

塔吊监测方案标准版(1)VIP免费

塔吊监测方案标准版(1)_第1页
1/8
塔吊监测方案标准版(1)_第2页
2/8
塔吊监测方案标准版(1)_第3页
3/8
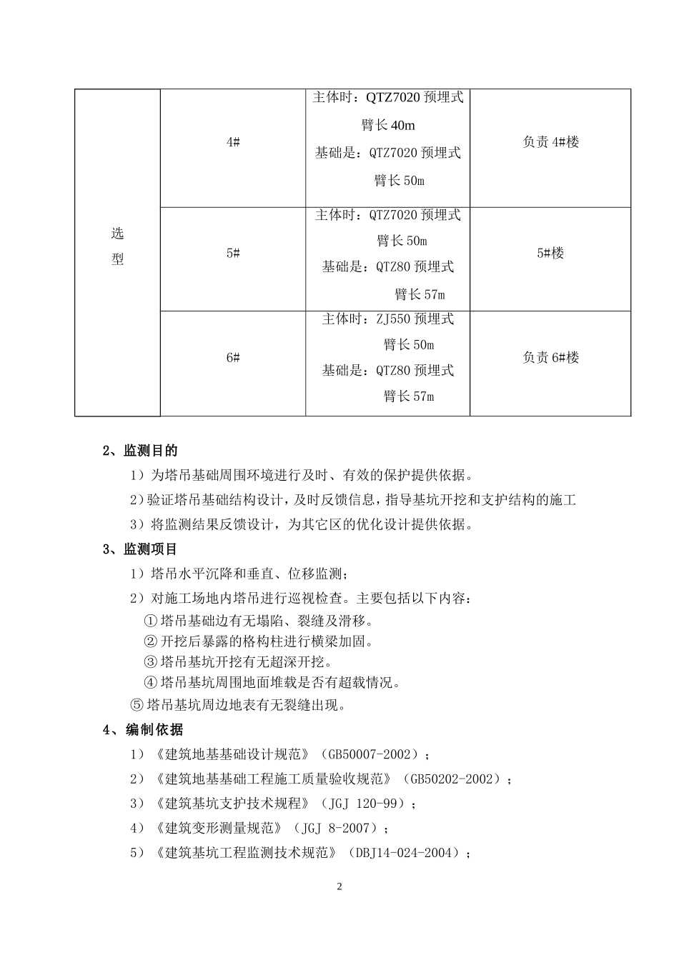
目 录1、工程概况…………………………………………………………………………1 2、监测目的……………………………………………………………………… 2 3、监测项目……………………………………………………………………2 4、方案编制依据……………………………………………………………………35、监测布点………………………………………………………………………3 6、监测方法及观测精度……………………………………………………………3 7、监测频度……………………………………………………………………6 8、监控报警…………………………………………………………………………6 9、数据记录、处理及监测成果……………………………………………………6塔吊基础沉降、位移、垂直度监测方案1、工程概述工程名称新建松江区中山街道国际生态商务区 11 号地块商办用房项目工程地址上海市松江区中山街道广富林路北侧、茸兴路东侧、郭家娄街南侧、茸凯路西侧开、竣工时间2017 年 7 月 1 日~2019 年 5 月 10 日建设单位上海高佳房地产开发有限公司设计单位上海水石建筑规划设计股份有限公司监理单位上海同建工程建设监理咨询有限公司 施工单位福建省艾邦建设工程有限公司建筑面积123531.45㎡建筑造价60831.9014(万元)结构类型剪力墙或框架结构基础类型桩+筏板或承台基础基坑开挖深度塔楼:10.17m,地下车库 9.47m本工程为抗震设防烈度为 7 度,建筑设计使用年限为 50 年,建筑结构安全等级二级,地基基础安全等级二级。本工程±0.000 相当于绝对标高(吴淞高程)5.000m。本工程各单体结构形式采用桩+承台梁,车库结构形式采用桩筏,地基基础设计等级二级,桩基设计等级甲级。本工程塔吊碰撞共有 5 个单体工程,详见下表:楼号层 数建筑物最大高度(m)3#楼19F、-2F88.54#楼27F、-2F94.55#楼21F、-2F97.56#楼11F、-2F55.3塔吊3#QTZ7020 预埋式臂长 45m负责 3#、4#楼1选型4#主体时:QTZ7020 预埋式臂长 40m基础是:QTZ7020 预埋式 臂长 50m负责 4#楼5#主体时:QTZ7020 预埋式 臂长 50m基础是:QTZ80 预埋式 臂长 57m5#楼6#主体时:ZJ550 预埋式 臂长 50m基础是:QTZ80 预埋式 臂长 57m负责 6#楼2、监测目的1)为塔吊基础周围环境进行及时、有效的保护提供依据。2)验证塔吊基础结构设计,及时反馈信息,指导基坑开挖和支护结构的施工3)将监测结果反馈设计,为其它区的优化设计提供依据。3...

1、当您付费下载文档后,您只拥有了使用权限,并不意味着购买了版权,文档只能用于自身使用,不得用于其他商业用途(如 [转卖]进行直接盈利或[编辑后售卖]进行间接盈利)。
2、本站所有内容均由合作方或网友上传,本站不对文档的完整性、权威性及其观点立场正确性做任何保证或承诺!文档内容仅供研究参考,付费前请自行鉴别。
3、如文档内容存在违规,或者侵犯商业秘密、侵犯著作权等,请点击“违规举报”。

碎片内容

塔吊监测方案标准版(1)

您可能关注的文档

确认删除?
VIP
微信客服
  • 扫码咨询
会员Q群
  • 会员专属群点击这里加入QQ群
客服邮箱
回到顶部