电脑桌面
添加小米粒文库到电脑桌面
安装后可以在桌面快捷访问

桥梁工程验收表格VIP免费

桥梁工程验收表格_第1页
1/144
桥梁工程验收表格_第2页
2/144
桥梁工程验收表格_第3页
3/144
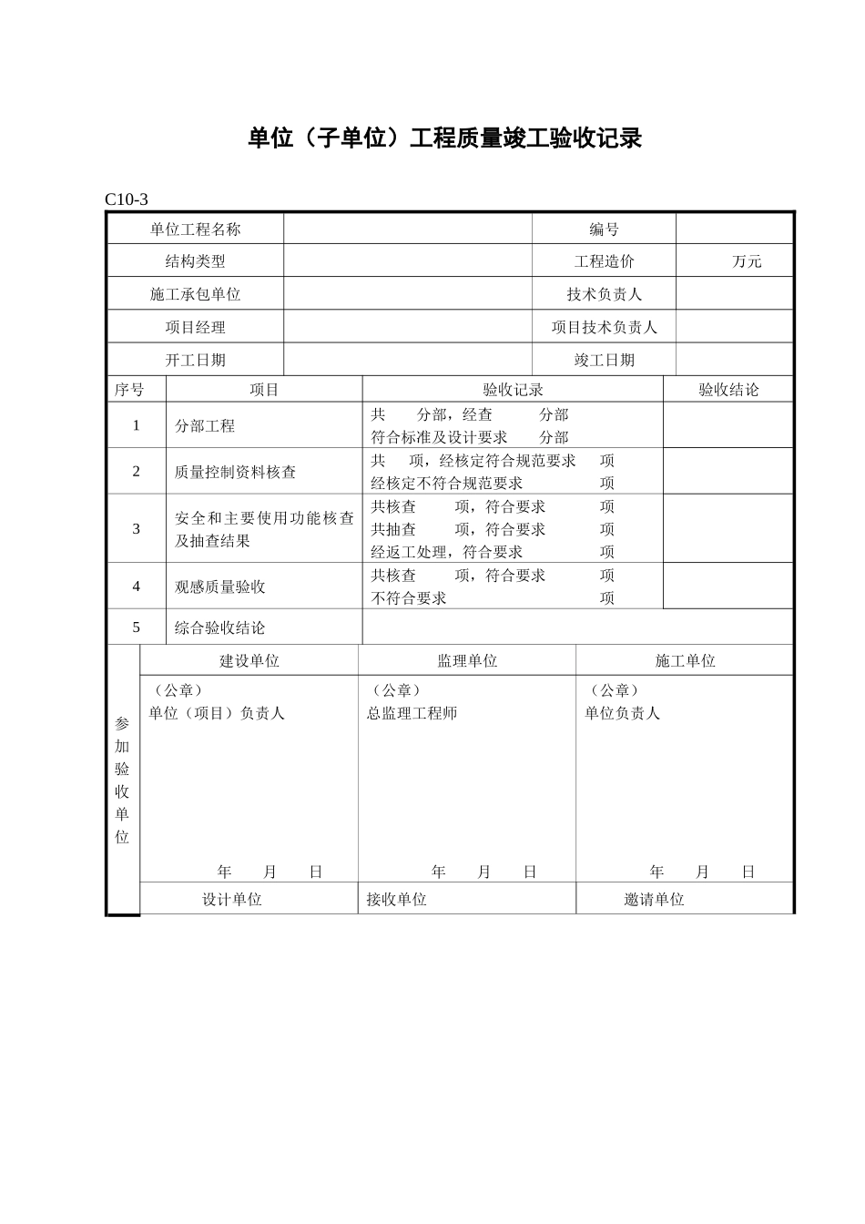
3、桥梁工程验收资料用表单位(子单位)工程质量竣工验收记录C10-3 单位工程名称编号结构类型工程造价 万元施工承包单位技术负责人项目经理项目技术负责人开工日期竣工日期序号项目验收记录验收结论1分部工程共 分部,经查 分部符合标准及设计要求 分部2质量控制资料核查共 项,经核定符合规范要求 项经核定不符合规范要求 项 3安全和主要使用功能核查及抽查结果共核查 项,符合要求 项共抽查 项,符合要求 项经返工处理,符合要求 项4观感质量验收共核查 项,符合要求 项不符合要求 项5综合验收结论参加验收单位建设单位监理单位施工单位(公章)单位(项目)负责人年 月 日(公章)总监理工程师 年 月 日(公章)单位负责人 年 月 日设计单位接收单位 邀请单位(公章)单位(项目)负责人年 月 日(公章)单位(项目)负责人 年 月 日(公章)单位(项目)负责人 年 月 日单位(子单位)工程质量控制资料核查记录 C10-4 单位工程名称编号Q0-2施工单位序号资料名称份数核查意见核查人1图纸会审、设计变更通知单、工程洽商记录(技术核定单)2工程定位测量、交桩记录、放线、复核记录3施工组织设计、施工方案及审批记录4原材料出厂合格证及进场检(试)验报告5成品、半成品出厂合格证及试验报告6施工试验报告及见证检测报告7隐蔽工程验收记录8施工记录9试验记录10工程质量事故及事故调查处理资料11分项、分部工程质量验收记录12新材料、新工艺施工记录检查结论施工总承包单位项目经理 监理工程师(建设单位项目术负责人) 年 月 日 年 月 日单位(子单位)工程安全和功能检验资料核查及主要功能抽查记录 C10-5 单位工程名称编号Q0-3施工单位序号安全和功能检查项目份数核查意见抽查结果核查人1地基承载力试验记录2基桩无损检测记录3钻芯取样检测记录4同条件养护试件试验记录5斜拉索张力振动频率试验记录6索力调整检测记录7桥梁的动、静载试验记录8桥梁工程竣工测量资料检查结论施工总承包单位项目经理 监理工程师(建设单位项目术负责人) 年 月 日 年 月 日单位(子单位)工程观感质量检查记录 C10-6 单位工程名称编号Q0-4施工单位序号项目抽查质量状况质量评价好一般差1墩(柱)、塔2盖梁3桥台4混凝土梁5系梁6拱部7拉索、吊索8桥面9人行道10防撞设施11排水设施12伸缩缝13栏杆、扶手14桥台护坡15涂装、饰面16钢结构焊缝17灯柱、照明18隔声装置19防眩装置观感质量综合评价检查结论施工总承...

1、当您付费下载文档后,您只拥有了使用权限,并不意味着购买了版权,文档只能用于自身使用,不得用于其他商业用途(如 [转卖]进行直接盈利或[编辑后售卖]进行间接盈利)。
2、本站所有内容均由合作方或网友上传,本站不对文档的完整性、权威性及其观点立场正确性做任何保证或承诺!文档内容仅供研究参考,付费前请自行鉴别。
3、如文档内容存在违规,或者侵犯商业秘密、侵犯著作权等,请点击“违规举报”。

碎片内容

桥梁工程验收表格

确认删除?
VIP
微信客服
  • 扫码咨询
会员Q群
  • 会员专属群点击这里加入QQ群
客服邮箱
回到顶部