电脑桌面
添加小米粒文库到电脑桌面
安装后可以在桌面快捷访问

GMW3172-AUG2008中文完整版本VIP免费

GMW3172-AUG2008中文完整版本_第1页
1/65
GMW3172-AUG2008中文完整版本_第2页
2/65
GMW3172-AUG2008中文完整版本_第3页
3/65
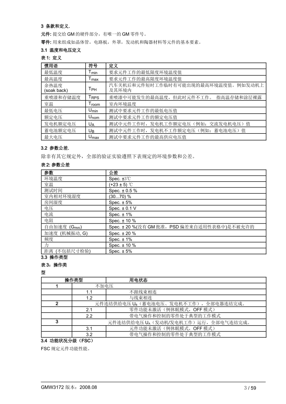
GMW3172 版本:2008.081 / 59GMW3172电气功能元件通用规范电气/电子元件通用规范---环境/耐久性1 范围1.1 任务/主题2 参考标准2.1 外部标准/技术规范2.2GM 标准/技术规范2.3 其它参考标准3 条款和定义3.1 温度和电压的定义3.2 参数公差3.3 操作类型3.4 功能状况分级(FSC)4 流程4.1 电气/电子元件 A/D/V 程序4.2A/D/V 程序流程4.2.1 测试方案协商4.2.2 硬件设计重检4.2.3 分析活动4.2.4 开发活动4.2.5 设计验证活动4.2.6 产品验证活动4.3 程序活动概要5 要求5.1 生命周期目标值5.2 可靠度5.3 引用要求5.3.1 电气负载代码符号5.3.2 机械负载代码符号5.3.3 温度负载代码符号5.3.4 气候负载符号代码5.3.5 化学负载符号代码5.3.6 覆盖物保护国际代码符号5.3.7 基于装车位置的代码标识6 性能验证6.1 5-点功能/参数检查6.2 1-点功能/参数检查6.3 持续监测6.4 功能循环6.5 目视检测和分解—DRBTR7 分析7.1 分析任务7.2 电性能7.2.1 正常和最差情况性能分析7.2.2 短/开路分析7.3 机械7.3.1 共振频率分析7.3.2 高海拔运输压强影响分析7.3.3 塑制品扣合结构配合分析7.3.4 挤压分析7.4 温度7.4.1 高海拔工作过热分析7.4.2 热疲劳分析7.4.3 无铅焊锡分析8 开发8.1 开发任务8.2 电性能8.2.1 启动8.2.2 反向极性8.2.3 过压8.2.4 状态改变波形特征8.2.5 接地线路自感应系数8.2.6 电磁兼容性(EMC)8.3 机械8.3.1 高加速生命周期测试 (HALT)8.4 温度8.4.1 温度测量8.4.2 低温觉醒8.5 气候8.5.1 霜冻8.5.2 高加速压力测试 (HAST)8.5.3 测量9 设计验证(DV)9.1 DV 任务9.2 电性能9.2.1 寄生电流9.2.2 电源中断9.2.3 蓄电池电压流失9.2.4 正弦交变电压9.2.5 脉冲电压9.2.6 蓄电池和接地间歇短路9.2.7 蓄电池和接地持续短路9.2.8 接地与蓄电池短路连接9.2.9 开路 – 单线中断9.2.10 开路 – 多线中断9.2.11 接地补偿9.2.12 电源补偿9.2.13 分离数字式输入电压9.2.14 过载 – 所有电路9.2.15 过载 – 电路保险丝9.2.16 绝缘电阻9.3 机械9.3.1 热循环振动9.3.1.1 随机振动 – 固定在发动机或传动装置上GMW3172 版本:2008.082 / 599.3.1.2 随机振动– 固定在弹性装置上9.3.1.3 随机振动–固定在非弹性装置上9.3.1.4 所有振动测试中使用的热循环概况9.3.2热疲劳振动9.3.3 机械冲击– Pothole9.3.4 机械冲击– 碰撞9.3.5 机械冲击 – 猛然关闭...

1、当您付费下载文档后,您只拥有了使用权限,并不意味着购买了版权,文档只能用于自身使用,不得用于其他商业用途(如 [转卖]进行直接盈利或[编辑后售卖]进行间接盈利)。
2、本站所有内容均由合作方或网友上传,本站不对文档的完整性、权威性及其观点立场正确性做任何保证或承诺!文档内容仅供研究参考,付费前请自行鉴别。
3、如文档内容存在违规,或者侵犯商业秘密、侵犯著作权等,请点击“违规举报”。

碎片内容

GMW3172-AUG2008中文完整版本

您可能关注的文档

确认删除?
VIP
微信客服
  • 扫码咨询
会员Q群
  • 会员专属群点击这里加入QQ群
客服邮箱
回到顶部