电脑桌面
添加小米粒文库到电脑桌面
安装后可以在桌面快捷访问

钻孔灌注桩检验批VIP免费

钻孔灌注桩检验批_第1页
1/18
钻孔灌注桩检验批_第2页
2/18
钻孔灌注桩检验批_第3页
3/18
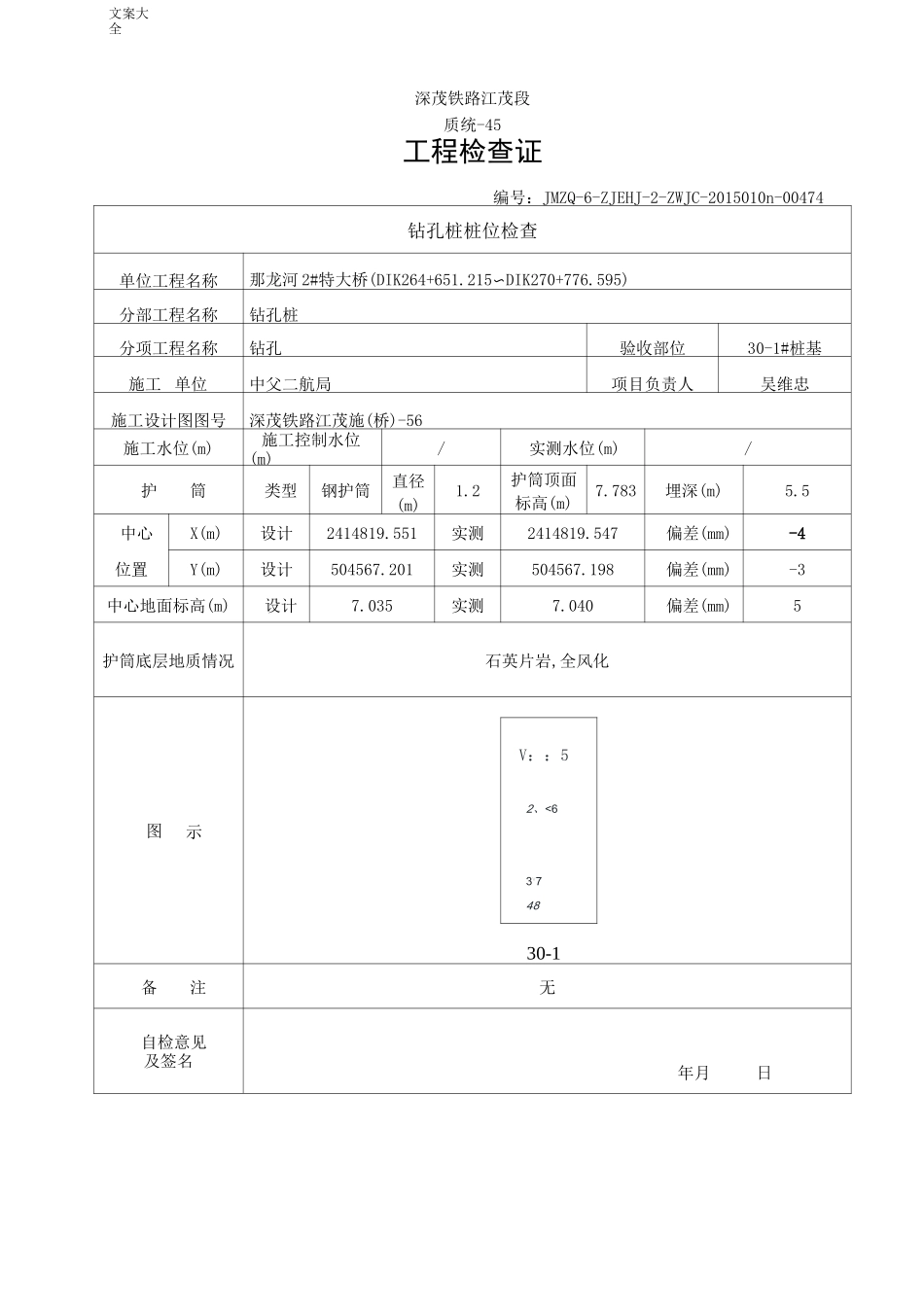
文案大全TA8 工程报验申请表工程项目名称:深茂铁路江茂段施工合同段:JMZQ-6 标编号:JMZQ6-TA8-2-03010402-0474致广东至艺工程建设监理有限公司深茂铁路 JMJL-4 标监理站 :根据施工承包合同和设计文件的要求,我单位已完成那龙河 2# 特大桥 30-1# 桩基钻孔 工程并自检合格,报请审查。项目 1:钻孔检验批质量验收记录表附件:自检资料。1、钻孔桩桩位检查表(质统-45);2、钻孔记录表(表 D-2);3、泥浆试验记录表(表 D-1);4、钻孔桩成孔检查表(质统-46);承包单位(章)质量检查工程师(签字)日期监理工程师意见:项目监理机构专业监理工程师(签字)日期注:本表一式 3 份,承包单位 2 份,监理单位 1 份实用文档文案大全深茂铁路江茂段[钻孔桩]钻孔检验批质量验收记录表03010040200474文案大全深茂铁路江茂段质统-45工程检查证编号:JMZQ-6-ZJEHJ-2-ZWJC-2015010n-00474钻孔桩桩位检查单位工程名称那龙河 2#特大桥(DIK264+651.215〜DIK270+776.595)分部工程名称钻孔桩分项工程名称钻孔验收部位30-1#桩基施工 单位中父二航局项目负责人吴维忠施工设计图图号深茂铁路江茂施(桥)-56施工水位(m)施工控制水位(m)/实测水位(m)/护筒类型钢护筒直径(m)1.2护筒顶面标高(m)7.783埋深(m)5.5中心X(m)设计2414819.551实测2414819.547偏差(mm)-4位置Y(m)设计504567.201实测504567.198偏差(mm)-3中心地面标高(m)设计7.035实测7.040偏差(mm)5护筒底层地质情况石英片岩,全风化V::52、<6图示3v74830-1备注无自检意见及签名年月日实用文档文案大全监理工程师意见及签名年月日填表人:主管工程师:深茂铁路江茂段表 D-2 钻孔记录表编号:JMZQ-6-ZJEHJ-2-ZK-2015010n-00474工程名称那龙河 2#特大桥(DIK264+651.215〜DIK270+776.595)墩台号30桩号1#起迄日期2015 年 10 月 11日设计桩径(m)1.0设计孔深(m)11.1642015 年 10 月 11日设计孔底高程(m)-3.727护筒顶高程血)7.437钻孔方法旋挖钻设计桩顶咼程(m)4.774钻头直径(cm)100钻头形式筒式取芯时间工作项目钻进深度(m)孔底咼程(m)记事10 月 11 日起止本次累计10 月 11 日5:056:11钻进225.437取样10 月 11 日6:116:59钻进243.437取样10 月 11 日6:597:23钻进261.437取样10 月 11 日7:238:12钻进1.37.30.137取样10 月 11 日8:128:33钻进1.28.5-1.063取样10 月 11 日8:338:44钻进0.79.2-1.763取样10 月 11 日8:449:03钻进0.69.8-2.36...

1、当您付费下载文档后,您只拥有了使用权限,并不意味着购买了版权,文档只能用于自身使用,不得用于其他商业用途(如 [转卖]进行直接盈利或[编辑后售卖]进行间接盈利)。
2、本站所有内容均由合作方或网友上传,本站不对文档的完整性、权威性及其观点立场正确性做任何保证或承诺!文档内容仅供研究参考,付费前请自行鉴别。
3、如文档内容存在违规,或者侵犯商业秘密、侵犯著作权等,请点击“违规举报”。

碎片内容

钻孔灌注桩检验批

确认删除?
VIP
微信客服
  • 扫码咨询
会员Q群
  • 会员专属群点击这里加入QQ群
客服邮箱
回到顶部