电脑桌面
添加小米粒文库到电脑桌面
安装后可以在桌面快捷访问

医药行业有毒有害提前退休工种范围表VIP免费

医药行业有毒有害提前退休工种范围表_第1页
1/18
医药行业有毒有害提前退休工种范围表_第2页
2/18
医药行业有毒有害提前退休工种范围表_第3页
3/18
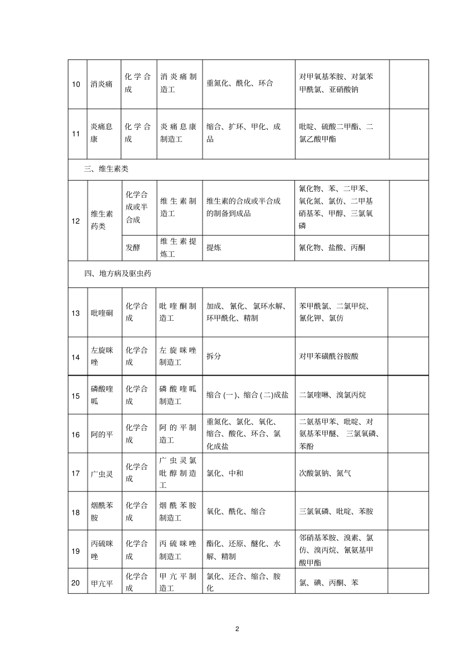
1 医药行业有毒有害提前退休工种范围表专业:化学制药一、抗菌药类序号产品名称生产方法划入工种名称包括范围劳动条件备注1 化学合成法抗菌素化学合成化 学 合 成法 抗 菌 素制造工硝化、氯化、溴化、还原、酯化、酰化、缩合、氰化、成盐、拆分、精制、回收苯类、卤素、硝酸、硫酸二甲酯、氯丙烯、丙炔酮、甲苯、甲醇、氰化物、三氯化磷2 半合成法抗菌素化学合成半 合 成 法抗 菌 素 制造工侧链、酰氯化、缩合、精制二氯甲烷、氯化亚砜、氰化物、甲苯三氯氧磷、甲醇3 发酵法抗菌素发酵提炼抗 菌 素 提取工吸附、解吸、提取、浓缩、精制醋酸丁酯、甲醇、二氧化硫、二甲基甲酰胺、苯肼硫羟偶氮苯、丙酮二、解热镇痛药4 牛磺酸化 学 合成牛 磺 酸 制造工酪化、置换乙醇胺、硫酸5 萘普生化 学 合成萘 普 生 制造工萘乙酮、萘丙醛、萘丙酸、拆分、成品硝基苯、三氯化磷、甲苯、硝酸6 强痛定化 学 合成强 痛 定 制造工甲酰化、丁酰化、氯甲基化、氯化六水哌嗪、甲酰哌嗪、苯、苯乙烯、二氯亚砜7 舒筋灵化 学 合成舒 筋 灵 制造厂氨甲酰化、胺化、精制成品甲苯、氨水、醋酸乙酯8 布洛芬化 学 合成布 洛 芬 制造工付克反应至成品干燥异丁苯、石油醚、氯乙酸9 芬布芬化 学 合成芬 布 芬 制造工付克反应、后处理、精制、成品联苯、二氯乙烷2 10 消炎痛化 学 合成消 炎 痛 制造工重氮化、酰化、环合对甲氧基苯胺、对氯苯甲酰氯、亚硝酸钠11 炎痛息康化 学 合成炎 痛 息 康制造工缩合、扩环、甲化、成品吡啶、硫酸二甲酯、二氯乙酸甲酯三、维生素类12 维生素药类化学合成或半合成维 生 素 制造工维生素的合成或半合成的制备到成品氰化物、苯、二甲苯、氧化氮、氯仿、二甲基硝基苯、甲醇、三氯氧磷发酵维 生 素 提炼工提炼氰化物、盐酸、丙酮四、地方病及驱虫药13 吡喹硐化学合成吡 喹 酮 制造工加成、氰化、氯环水解、环甲酰化、精制苯甲酰氯、二氯甲烷、氰化钾、氯仿14 左旋咪唑化学合成左 旋 咪 唑制造工拆分对甲苯磺酰谷胺酸15 磷酸喹呱化学合成磷 酸 喹 呱制造工缩合 (一 )、缩合 (二)成盐二氯喹啉、溴氯丙烷16 阿的平化学合成阿 的 平 制造工重氮化、氯化、氧化、缩合、酸化、环合、氯化成盐二氨基甲苯、吡啶、对氨基苯甲醚、 三氯氧磷、苯酚17 广虫灵化学合成广 虫 灵 氯吡 醇 制 造工氯化、中和次酸氯钠、氮气18 烟酰苯胺化学合成烟 酰 苯 ...

1、当您付费下载文档后,您只拥有了使用权限,并不意味着购买了版权,文档只能用于自身使用,不得用于其他商业用途(如 [转卖]进行直接盈利或[编辑后售卖]进行间接盈利)。
2、本站所有内容均由合作方或网友上传,本站不对文档的完整性、权威性及其观点立场正确性做任何保证或承诺!文档内容仅供研究参考,付费前请自行鉴别。
3、如文档内容存在违规,或者侵犯商业秘密、侵犯著作权等,请点击“违规举报”。

碎片内容

医药行业有毒有害提前退休工种范围表

您可能关注的文档

确认删除?
VIP
微信客服
  • 扫码咨询
会员Q群
  • 会员专属群点击这里加入QQ群
客服邮箱
回到顶部