电脑桌面
添加小米粒文库到电脑桌面
安装后可以在桌面快捷访问

品质管理诊断检查表VIP免费

品质管理诊断检查表_第1页
1/3
品质管理诊断检查表_第2页
2/3
品质管理诊断检查表_第3页
3/3
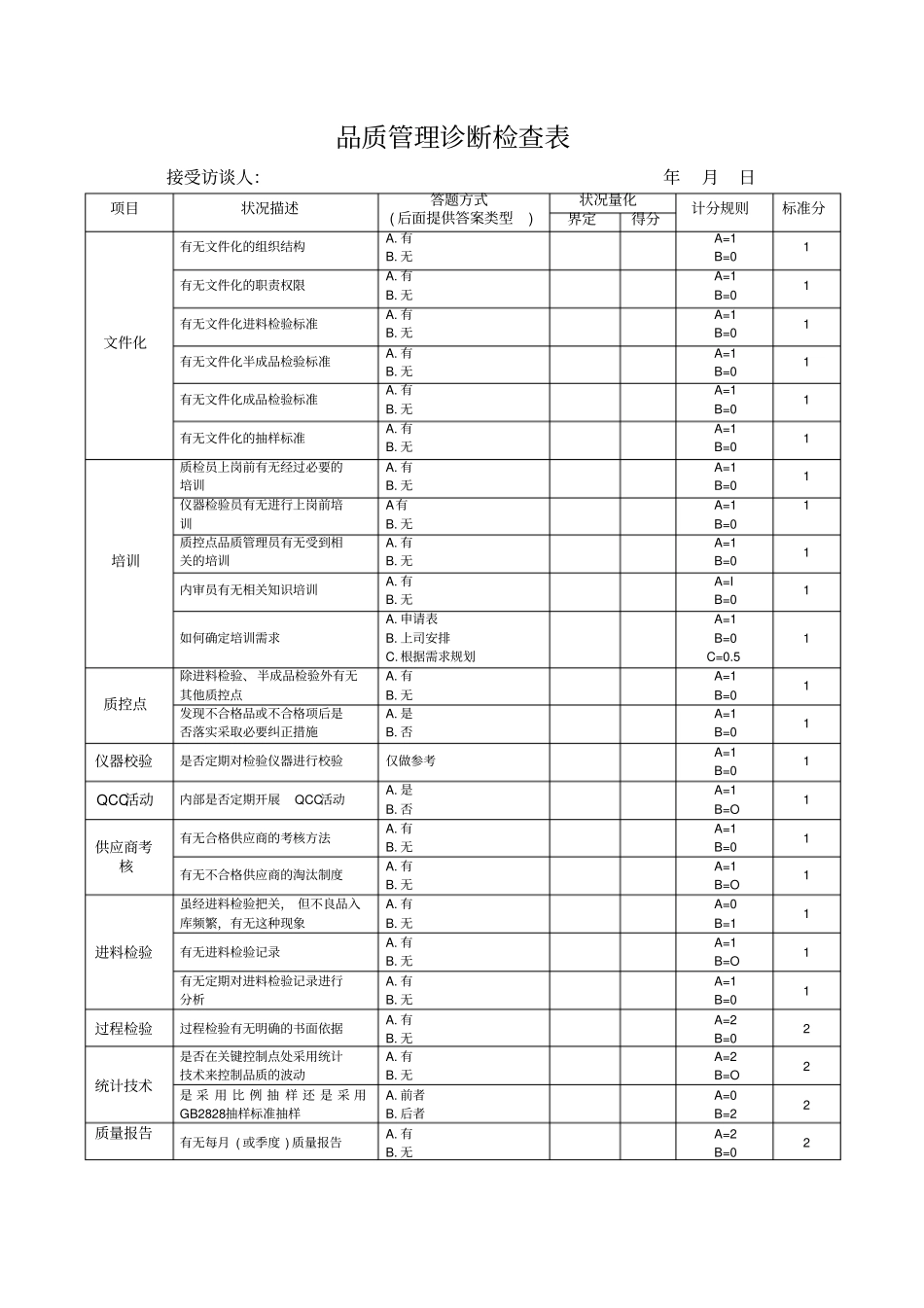
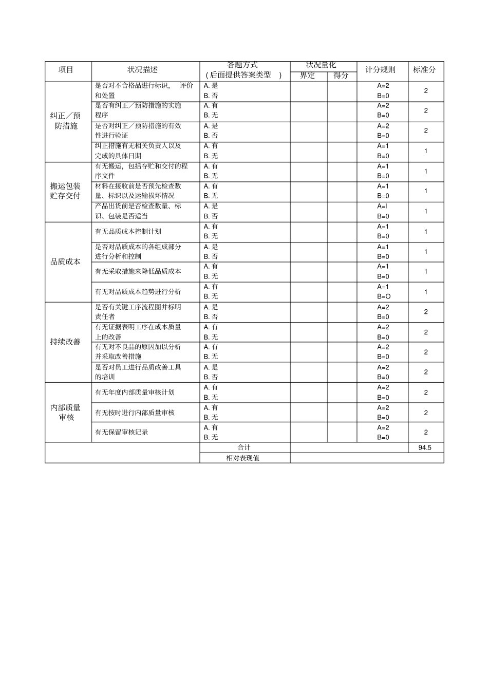
品质管理诊断检查表接受访谈人:年月日项目状况描述答题方式( 后面提供答案类型) 状况量化计分规则标准分界定得分文件化有无文件化的组织结构A. 有B. 无A=1 B=0 1 有无文件化的职责权限A. 有B. 无A=1 B=0 1 有无文件化进料检验标准A. 有B. 无A=1 B=0 1 有无文件化半成品检验标准A. 有B. 无A=1 B=0 1 有无文件化成品检验标准A. 有B. 无A=1 B=0 1 有无文件化的抽样标准A. 有B. 无A=1 B=0 1 培训质检员上岗前有无经过必要的培训A. 有B. 无A=1 B=0 1 仪器检验员有无进行上岗前培训A有B. 无A=1 B=0 1 质控点品质管理员有无受到相关的培训A. 有B. 无A=1 B=0 1 内审员有无相关知识培训A. 有B. 无A=I B=0 1 如何确定培训需求A. 申请表B. 上司安排C. 根据需求规划A=1 B=0 C=0.5 1 质控点除进料检验、 半成品检验外有无其他质控点A. 有B. 无A=1 B=0 1 发现不合格品或不合格项后是否落实采取必要纠正措施A. 是B. 否A=1 B=0 1 仪器校验是否定期对检验仪器进行校验仅做参考A=1 B=0 1 QCC活动内部是否定期开展QCC活动A. 是B. 否A=1 B=O 1 供应商考核有无合格供应商的考核方法A. 有B. 无A=1 B=0 1 有无不合格供应商的淘汰制度A. 有B. 无A=1 B=O 1 进料检验虽经进料检验把关, 但不良品入库频繁,有无这种现象A. 有B. 无A=0 B=1 1 有无进料检验记录A. 有B. 无A=1 B=O 1 有无定期对进料检验记录进行分析A. 有B. 无A=1 B=0 1 过程检验过程检验有无明确的书面依据A. 有B. 无A=2 B=0 2 统计技术是否在关键控制点处采用统计技术来控制品质的波动A. 有B. 无A=2 B=O 2 是 采 用 比 例 抽 样 还 是 采 用GB2828抽样标准抽样A. 前者B. 后者A=0 B=2 2 质量报告有无每月 ( 或季度 ) 质量报告A. 有B. 无A=2 B=0 2 项目状况描述答题方式( 后面提供答案类型) 状况量化计分规则标准分界定得分品质工程有无品质工程图A. 有B. 无A=1 B=0 1 有无品质工程师A. 有B. 无A=2 B=0 2 实验室有无专门的实验室A. 有B. 无A=1 B=0 1 品质考核有无品质考核制度(或质量责任制度 ) A. 有B. 无A=2 B=0 2 是否将产品的合格率与品质检验员经济利益挂钩A. 是B. 否A=2 B=0 2 售后服务有无将售后服务的质量纳入质量管理的范围A. 有B. 无A=2 B=0 2 售后服务人员上岗之前有无经过相关的培训A. 有B. 无A=2 B=0 2 管理职...

1、当您付费下载文档后,您只拥有了使用权限,并不意味着购买了版权,文档只能用于自身使用,不得用于其他商业用途(如 [转卖]进行直接盈利或[编辑后售卖]进行间接盈利)。
2、本站所有内容均由合作方或网友上传,本站不对文档的完整性、权威性及其观点立场正确性做任何保证或承诺!文档内容仅供研究参考,付费前请自行鉴别。
3、如文档内容存在违规,或者侵犯商业秘密、侵犯著作权等,请点击“违规举报”。

碎片内容

品质管理诊断检查表

您可能关注的文档

确认删除?
VIP
微信客服
  • 扫码咨询
会员Q群
  • 会员专属群点击这里加入QQ群
客服邮箱
回到顶部