电脑桌面
添加小米粒文库到电脑桌面
安装后可以在桌面快捷访问

北京三菱电机空调故障代码维修VIP免费

北京三菱电机空调故障代码维修_第1页
1/6
北京三菱电机空调故障代码维修_第2页
2/6
北京三菱电机空调故障代码维修_第3页
3/6
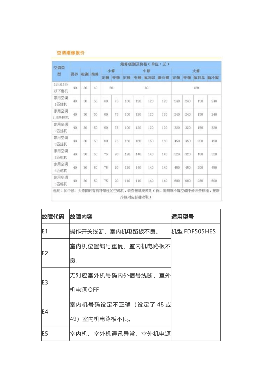
故障代码故障内容适用型号E1操作开关线断、室内机电路板不良。机型FDF505HESE2室内机位置编号重复、室内机电路板不良。E3无对应室外机号码内外信号线断、室外机电源OFFE4室内机号码设定不正确(设定了48或49)室内机电路板不良。E5室内机、室外机通讯异常、室外机电源部分异常(室外机室内机电源分开时)、E6室内机热交换器热敏电阻不良、室内机电路板不良。E7室内机吸气热敏电阻不良、室内机电路板不良。E8内机热交换器温度高(暖气时)、室内机热交换用热敏电阻短路、室内机电路板不良。E10操作开关多台控制时台数超过。E31室外机号码重复、室外机电路板不良。E32电源反相或缺T相(初级)、室外机电路板不良。E33压缩机过电流、压缩机缺S相或R相(初级52C的次级配线)故障代码故障内容适用型号E1操作开关线断、室内机电路板不良。机型FDF304HEN、FDF504HESE2室内机位置编号重复、室内机电路板不良。E3无对应室外机号码内外信号线断、室外机电源OFFE4室内机号码设定不正确(设定了48或49)室内机电路板不良。E5室内机、室外机通讯异常、室外机电源部分异常(室外机室内机电源分开时)、E6室内机热交换器热敏电阻不良、室内机电路板不良。E7室内机吸气热敏电阻不良、室内机电路板不良。E8内机热交换器温度高(暖气时)、室内机热交换用热敏电阻短路、室内机电路板不良。E10操作开关多台控制时台数超过。E31室外机号码重复、室外机电路板不良。E32电源反相或缺T相(初级)、室外机电路板不良。E33压缩机过电流、压缩机缺S相或R相(初级52C的次级配线)E3452C的次级缺T相、室外机电路板不良。E35室外机热交换器温度高(冷气时)、室外机热交换器用热敏电阻不良(短路)、室外机电路板不良。E36压缩机出口冷媒管温度过高、压缩机出口冷媒管温度热敏电阻不良、室外机电路板不良。E37室外机热交换器热敏电阻不良、室外机电路板不良。E38室外机气温热敏电阻不良、室外机电路板不良。E39压缩机出口冷媒管热敏电阻不良、室外机电路板不良。E40室外机安全设备工作、室外机电路板不良~故障代码故障内容适用型号E1室外机电源关闭或电源线断开(保险、变压器坏)机型504-304系列E2室内机机号重复或室内主板损坏E3室外机机号设定不良,室外机信号线断开或电源关E4室外机机号设定不良或室内机主板损坏E5室外机电源关、室外侧信号线断或控制板损坏E6室内侧温度传感器开路或室内主控制板损坏E7室内机吸入温度传感器或室内主控制板损坏E8过热保护(室内管温或室内主板损坏)E9运转开关误动作(选择开关或室内主控制板损坏)E10多台中心控制时室内连接台数超过17台E31室外机侧机号重复或室外主控制板故障E32电源相序错、缺T相、外管温异常、外主板坏E33压缩机过载缺S或R相、52C二次侧断开保护E34压缩机缺T相(52C二次侧)室外主控制板损坏E35制冷时室外散热器超过设定或室外管温故障,外主板坏E36室外排气管温过高保护(35-80型120度、90-200型135度以上)E37室外管温开路,室外主控制板故障E38室外温度传感器开路,室外主控制板故障E39室外排气管温度传感器开路,室外主控板故障E40室外机保护元件动作,室外主控板故障通告:修不好不收费,更换配件保修一年,同一问题上门三次未修好退全款,再补偿一百元!点击页面下方拨打电话,我们将有专业师傅24小时在线解决您的问题!

1、当您付费下载文档后,您只拥有了使用权限,并不意味着购买了版权,文档只能用于自身使用,不得用于其他商业用途(如 [转卖]进行直接盈利或[编辑后售卖]进行间接盈利)。
2、本站所有内容均由合作方或网友上传,本站不对文档的完整性、权威性及其观点立场正确性做任何保证或承诺!文档内容仅供研究参考,付费前请自行鉴别。
3、如文档内容存在违规,或者侵犯商业秘密、侵犯著作权等,请点击“违规举报”。

碎片内容

北京三菱电机空调故障代码维修

文章天下+ 关注
实名认证
内容提供者

各种文档应有尽有

确认删除?
VIP
微信客服
  • 扫码咨询
会员Q群
  • 会员专属群点击这里加入QQ群
客服邮箱
回到顶部