电脑桌面
添加小米粒文库到电脑桌面
安装后可以在桌面快捷访问

初三化学推断题汇总及答案VIP免费

初三化学推断题汇总及答案_第1页
1/9
初三化学推断题汇总及答案_第2页
2/9
初三化学推断题汇总及答案_第3页
3/9
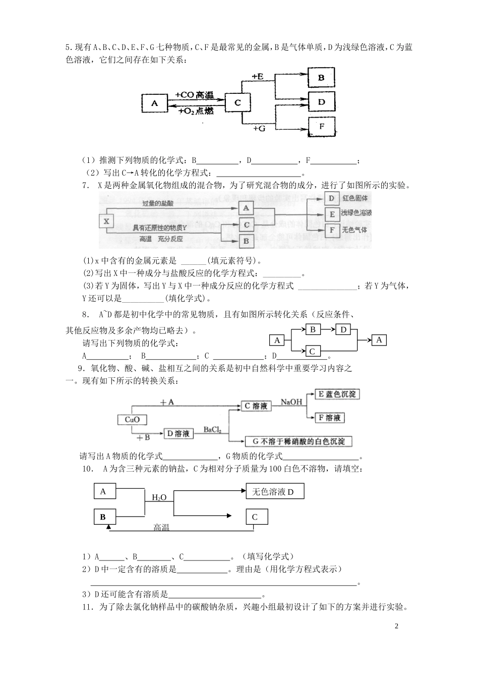
中考化学物质推断题1.已知X是有毒且不溶于水的气体,Y是不支持燃烧的气体,Z是不溶于水的固体,X、Y、Z之间有如下转化关系。请回答下列问题。(1)写出X的化学式___________________________________________;(2)写出Z和稀盐酸反应生成Y的化学方程式:___________________________(3)“物质的组成与结构决定物质的性质”是重要的化学思想。气体X、Y都含有________元素和________元素,但它们的物理性质、化学性质都不同。请举出X、Y性质不同的一个例子________________________________。2.现有A~F六种常见物质,其中B是食品包装中的常用的干燥剂,A、B、C三种白色固体都含有同种金属元素,E是固体单质,D、E、F都含有同种非金属元素,它们的转化关系如下图。请回答:(1)写出下列物质的化学式:C_____________B_____________E_______________。(2)写出下列变化的化学方程式:AC:___________________________________________;FD:_________________________________________。3.下图中物质是你在初中化学中见过的物质。除①外,其他反应的条件均已略去。⑴写出反应①的化学方程式________________________。⑵如果E为单质或者氧化物,D都是同种物质,则D的化学式为______;如果E为单质或者酸,D都是同种物质,则D的化学式为____________;如果E为单质或者酸,F都是同种物质,则F的化学式为____________。⑶当E为单质时,反应③的化学方程式为_____________________。(任写一个)⑷当E为酸时,反应③可能属于___________(填字母序号)A.化合反应B.分解反应C.复分解反应D.置换反应4.已知A、B、C、D四种物质都含有同一种元素,其中A是单质,B是黑色固体,C是红色固体。它们之间存在着如下转化关系:(1)A在不同条件下能够转化成B或C;(2)A和稀硫酸反应有D生成;(3)在高温条件下,B、C分别和无色气体E反应,都能生成A和另一种无色气体。根据上述信息,写出下列物质的化学式:A;C;D;E。1ABCDEF5.现有A、B、C、D、E、F、G七种物质,C、F是最常见的金属,B是气体单质,D为浅绿色溶液,C为蓝色溶液,它们之间存在如下关系:(1)推测下列物质的化学式:B,D,F;(2)写出C→A转化的化学方程式:。7.X是两种金属氧化物组成的混合物,为了研究混合物的成分,进行了如图所示的实验。(1)x中含有的金属元素是______(填元素符号)。(2)写出X中一种成分与盐酸反应的化学方程式:_________。(3)若Y为固体,写出Y与X中一种成分反应的化学方程式______________;若Y为气体,Y还可以是__________(填化学式)。8.A~D都是初中化学中的常见物质,且有如图所示转化关系(反应条件、其他反应物及多余产物均已略去)。请写出下列物质的化学式:A;B;C;D。9.氧化物、酸、碱、盐相互之间的关系是初中自然科学中重要学习内容之一。现有如下所示的转换关系:请写出A物质的化学式,G物质的化学式。10.A为含三种元素的钠盐,C为相对分子质量为100白色不溶物,请填空:1)A、B、C。(填写化学式)2)D中一定含有的溶质是。理由是(用化学方程式表示)。3)D还可能含有溶质是。11.为了除去氯化钠样品中的碳酸钠杂质,兴趣小组最初设计了如下的方案并进行实验。2ABCDAAB无色溶液DCH2O高温(1)写出沉淀A的化学式。(2)加入CaCl2溶液后,分离除去沉淀A的实验操作方法是。(3)同学在实验过程中,又发现了新的问题:此方案很容易引入新的杂质,请写出固体物质B的成分(用化学式表示)。(4)同学继续探究后又提出新的方案:将混合物溶解,若滴加盐酸至不再产生气体为止,则既能除去Na2CO3杂质,又能有效地防止新杂质的引入。写出有关反应的化学方程式:。12.小明在家中厨房取得一种白色粉末A,到化学实验室进行实验,结果如下图所示:请回答下列问题:(1)若A含有氢元素,则A的名称是_______,它与盐酸反应的化学反应方程式为_____________________________。(2)若A不含氢元素,则A的名称是____________,它与石灰水反应的化学反应方程式为__________________________________。(3)写出D→E的化学反应方程式_______________________________。13.有A、B、C、D四种物质,它们之间...

1、当您付费下载文档后,您只拥有了使用权限,并不意味着购买了版权,文档只能用于自身使用,不得用于其他商业用途(如 [转卖]进行直接盈利或[编辑后售卖]进行间接盈利)。
2、本站所有内容均由合作方或网友上传,本站不对文档的完整性、权威性及其观点立场正确性做任何保证或承诺!文档内容仅供研究参考,付费前请自行鉴别。
3、如文档内容存在违规,或者侵犯商业秘密、侵犯著作权等,请点击“违规举报”。

碎片内容

初三化学推断题汇总及答案

确认删除?
VIP
微信客服
  • 扫码咨询
会员Q群
  • 会员专属群点击这里加入QQ群
客服邮箱
回到顶部