电脑桌面
添加小米粒文库到电脑桌面
安装后可以在桌面快捷访问

33剪力墙结构(高层住宅)施工组织设计方案(DOC162页)VIP免费

33剪力墙结构(高层住宅)施工组织设计方案(DOC162页)_第1页
1/105
33剪力墙结构(高层住宅)施工组织设计方案(DOC162页)_第2页
2/105
33剪力墙结构(高层住宅)施工组织设计方案(DOC162页)_第3页
3/105
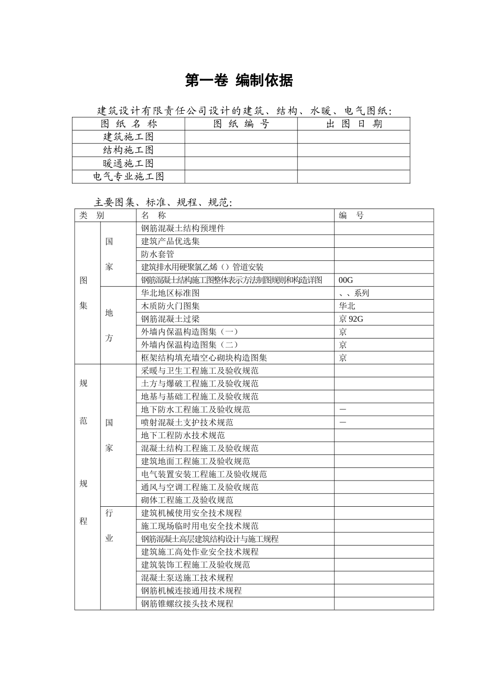
剪力墙结构(高层住宅)编制日期:年月日编制单位:目录第一卷 编制依据建筑设计有限责任公司设计的建筑、结构、水暖、电气图纸:图 纸 名 称图 纸 编 号出 图 日 期建筑施工图结构施工图暖通施工图电气专业施工图主要图集、标准、规程、规范:类 别名 称编 号图集国家钢筋混凝土结构预埋件建筑产品优选集防水套管建筑排水用硬聚氯乙烯()管道安装钢筋混凝土结构施工图整体表示方法制图规则和构造详图00G地方华北地区标准图、、系列木质防火门图集华北钢筋混凝土过梁京 92G外墙内保温构造图集(一)京外墙内保温构造图集(二)京框架结构填充墙空心砌块构造图集京 规范规程国家采暖与卫生工程施工及验收规范土方与爆破工程施工及验收规范地基与基础工程施工及验收规范地下防水工程施工及验收规范-喷射混凝土支护技术规范-地下工程防水技术规范混凝土结构工程施工及验收规范建筑地面工程施工及验收规范电气装置安装工程施工及验收规范通风与空调工程施工及验收规范砌体工程施工及验收规范行业建筑机械使用安全技术规程施工现场临时用电安全技术规范钢筋混凝土高层建筑结构设计与施工规程建筑施工高处作业安全技术规程建筑装饰工程施工及验收规范混凝土泵送施工技术规程钢筋机械连接通用技术规程钢筋锥螺纹接头技术规程钢筋焊接及验收规程建筑工程冬期施工规程建筑排水硬聚氯乙烯管道工程技术规程高层建筑箱形与筏形基础技术规范建筑给水硬聚氯乙烯管道设计与施工验收规程 建筑给水铝塑复合管道工程技术规程 地方建筑工程施工测量规程01-21-95建筑安装分项工程施工工艺规程01-26-96建筑安装工程资料管理规程标准国家建筑安装工程质量检验评定统一标准建筑工程质量检验评定标准建筑采暖卫生与煤气工程质量检验评定标准建筑电气安装工程质量检验评定标准通风与空调工程质量检验评定标准电梯安装工程质量检验评定标准地方工程建设监理规程主要法规:序号 名 称 编 号《建筑工程质量管理监督法规文件汇编》北京市建设工程质量监督总站《中华人民共和国计量法》年主席令第号建设工程质量管理条例年月日国务院颁发《中华人民共和国建筑法》年主席令第号《北京市建设工程施工试验实行有见证取样和送检制度的暂行规定的补充通知》京建法()号《预防砼工程碱集料反应技术管理规定(试行)》京建科()号《房屋建筑工程和市政基础设施工程实行见证取样和送检的规定》京建质[]号第二卷 工程概况工程简介:序项 目内 容工程名称工程...

1、当您付费下载文档后,您只拥有了使用权限,并不意味着购买了版权,文档只能用于自身使用,不得用于其他商业用途(如 [转卖]进行直接盈利或[编辑后售卖]进行间接盈利)。
2、本站所有内容均由合作方或网友上传,本站不对文档的完整性、权威性及其观点立场正确性做任何保证或承诺!文档内容仅供研究参考,付费前请自行鉴别。
3、如文档内容存在违规,或者侵犯商业秘密、侵犯著作权等,请点击“违规举报”。

碎片内容

33剪力墙结构(高层住宅)施工组织设计方案(DOC162页)

确认删除?
VIP
微信客服
  • 扫码咨询
会员Q群
  • 会员专属群点击这里加入QQ群
客服邮箱
回到顶部