电脑桌面
添加小米粒文库到电脑桌面
安装后可以在桌面快捷访问

触摸屏控制芯片ADS7843中文资料VIP免费

触摸屏控制芯片ADS7843中文资料_第1页
1/9
触摸屏控制芯片ADS7843中文资料_第2页
2/9
触摸屏控制芯片ADS7843中文资料_第3页
3/9
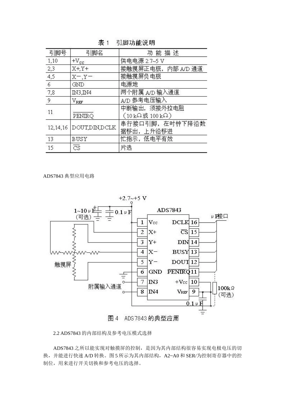
网址:http://www.ledline.net.cnQQ: 21414861如侵犯您的利益和著作权请发信到 【langmanbuluo@163.com】我们将收到信两个工作日内删除!!触摸屏控制芯片 ADS7843 中文资料 ADS7843 是一个内置 12 位模数转换、低导通电阻模拟开关的串行接口芯片。供电电压 2.7~5 V,参考电压 VREF 为 1 V~+VCC,转换电压的输入范围为 0~ VREF,最高转换速率为 125 kHz。ADS7843 引脚图及引脚功能说明了:ADS7843 的引脚配置如图 3 所示。表 1 为引脚功能说明,图 4 为典型应用。 aDS7843 引脚说明 ADS7843 典型应用电路 2.2 ADS7843 的内部结构及参考电压模式选择 ADS7843 之所以能实现对触摸屏的控制,是因为其内部结构很容易实现电极电压的切换,并能进行快速 A/D 转换。图 5 所示为其内部结构,A2~A0 和 SER/为控制寄存器中的控制位,用来进行开关切换和参考电压的选择。 ADS7843 支持两种参考电压输入模式:一种是参考电压固定为 VREF,另一种采取差动模式,参考电压来自驱动电极。这两种模式分别如图 6(a)、(b)所示。采用图 6(b)的差动模式可以消除开关导通压降带来的影响。表 2 和表 3 为两种参考电压输入模式所对应的内部开关状况。 2.3 ADS7843 的控制字及数据传输格式 ADS7843 的控制字如表 4 所列,其中 S 为数据传输起始标志位,该位必为"1"。A2~A0进行通道选择(见表 2 和 3)。 MODE 用来选择 A/D 转换的精度,"1"选择 8 位,"0"选择 12 位。 SER/选择参考电压的输入模式(见表 2 和 3)。PD1、PD0 选择省电模式: "00"省电模式允许,在两次 A/D 转换之间掉电,且中断允许; "01"同"00",只是不允许中断; "10"保留; "11"禁止省电模式。 为了完成一次电极电压切换和 A/D 转换,需要先通过串口往 ADS7843 发送控制字,转换完成后再通过串口读出电压转换值。标准的一次转换需要 24 个时钟周期,如图 7 所示。由于串口支持双向同时进行传送,并且在一次读数与下一次发控制字之间可以重叠,所以转换速率可以提高到每次 16 个时钟周期,如图 8 所示。如果条件允许,CPU 可以产生 15个 CLK 的话(比如 FPGAs 和 ASICs),转换速率还可以提高到每次 15 个时钟周期,如图 9 所示。 2.4 A/D 转换时序的程序设计 ADS7843 的典型应用如图 4 所示。假设 μP 接口与 51 单片机的 P1.3~P1.7 相连,现以一次转换需 24 个时钟周期为例,介绍 A...

1、当您付费下载文档后,您只拥有了使用权限,并不意味着购买了版权,文档只能用于自身使用,不得用于其他商业用途(如 [转卖]进行直接盈利或[编辑后售卖]进行间接盈利)。
2、本站所有内容均由合作方或网友上传,本站不对文档的完整性、权威性及其观点立场正确性做任何保证或承诺!文档内容仅供研究参考,付费前请自行鉴别。
3、如文档内容存在违规,或者侵犯商业秘密、侵犯著作权等,请点击“违规举报”。

碎片内容

触摸屏控制芯片ADS7843中文资料

您可能关注的文档

金钥匙书屋+ 关注
实名认证
内容提供者

热爱教育事业,爱好互联网行业

确认删除?
VIP
微信客服
  • 扫码咨询
会员Q群
  • 会员专属群点击这里加入QQ群
客服邮箱
回到顶部