电脑桌面
添加小米粒文库到电脑桌面
安装后可以在桌面快捷访问

某电气安装工程监理实施规范VIP专享VIP免费

某电气安装工程监理实施规范_第1页
1/27
某电气安装工程监理实施规范_第2页
2/27
某电气安装工程监理实施规范_第3页
3/27
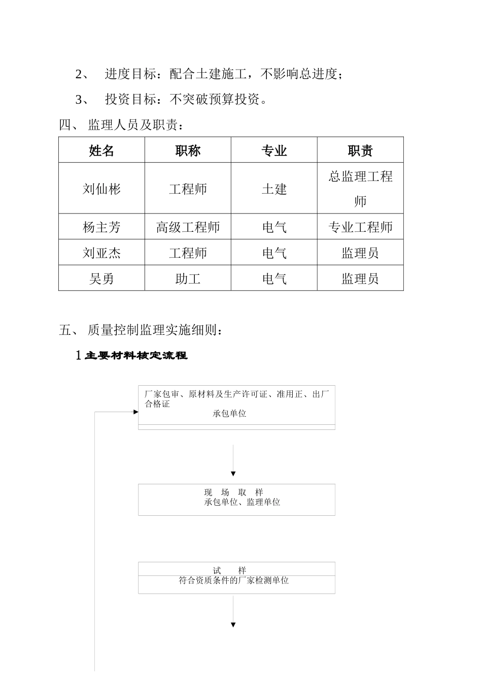
某项目电气安装工程监理实施细则一、 工程概况:1、 分部工程名称:电气2、 分项工程概描述:单位工程内的情况,本工程属二类建筑,设一个 10KV 开闭所、六个变电所,由临近的110KV 变压站采用高压交联电缆敷设至 10KV 总开关站,其六个变电所采用环网方式供电。二、 本工程由 10KV 变电所,6 个变电所向各区供电,变压器总装机容量 16500KVA,导管均采用 KBG 管,PVC 管氧指数不小于 42,导线采用 YJV-1KV 铜芯电缆和 BV-500 型铜塑线,采用 V-C-S 系统,PEN 线入户处需做重复接地,所有电气设备外壳、基座、金属管路,电缆桥架以及各设备专业进入大楼之管路均需做等电位联结,形成一体化接地系统。三、 目标分解:1、 质 量 目 标 : 符 合 《 建 筑 电 气 工 程 施 工 质 量 验 收 规范》GB50303-2002;2、 进度目标:配合土建施工,不影响总进度;3、 投资目标:不突破预算投资。四、 监理人员及职责:姓名职称专业职责刘仙彬工程师土建总监理工程师杨主芳高级工程师电气专业工程师刘亚杰工程师电气监理员吴勇助工电气监理员五、 质量控制监理实施细则:1 主要材料核定流程 厂家包审、原材料及生产许可证、准用正、出厂合格证承包单位现 场 取 样承包单位、监理单位试 样符合资质条件的厂家检测单位 不合格2 监理工作流程 不合格 合格审查图纸会审、设计交底、施工方案材料设备报验 监理工程师检查填写工程材料、构配件设备报审表承包单位核 验监理单位投 入 使 用承包单位 整改 合格 不合格 合格 合格 填写《分部分项工程施工报验表》报验监理工程师审查报验表监理单位组织人员进行现场检查验收通过,进入下一工序分部、分项工程施工分部分项隐蔽工程质量自检监理工程师签认《分部分项工程施工报验表》报验3、质量目标风险分析电气安装工程是建筑安装工程的分部工程,通过正确的工艺,合理的程序,把门类广泛,价值昂贵的材料、设备、成品及半成品按照设计的要求在施工中形成质量合格的工程成品,它包括动力系统、照明系统、消防报警系统、弱点系统、防雷接地保护系统。安装工程的质量直接关系到生产、生活、房屋建筑的使用功能以及生命财产的安全,所以要求做到:1) 施工前熟悉国家标准,施工规范,工程施工图,参于设计交底,审核施工方案;2) 严格对材料、设备、配件、成品及半成品的质量把关;3) 严格认真地按照规范、设计要求验收标准对各项隐蔽工程进行...

1、当您付费下载文档后,您只拥有了使用权限,并不意味着购买了版权,文档只能用于自身使用,不得用于其他商业用途(如 [转卖]进行直接盈利或[编辑后售卖]进行间接盈利)。
2、本站所有内容均由合作方或网友上传,本站不对文档的完整性、权威性及其观点立场正确性做任何保证或承诺!文档内容仅供研究参考,付费前请自行鉴别。
3、如文档内容存在违规,或者侵犯商业秘密、侵犯著作权等,请点击“违规举报”。

碎片内容

某电气安装工程监理实施规范

确认删除?
VIP
微信客服
  • 扫码咨询
会员Q群
  • 会员专属群点击这里加入QQ群
客服邮箱
回到顶部