电脑桌面
添加小米粒文库到电脑桌面
安装后可以在桌面快捷访问

钢筋工程专项安全施工方案VIP专享VIP免费

钢筋工程专项安全施工方案_第1页
1/10
钢筋工程专项安全施工方案_第2页
2/10
钢筋工程专项安全施工方案_第3页
3/10
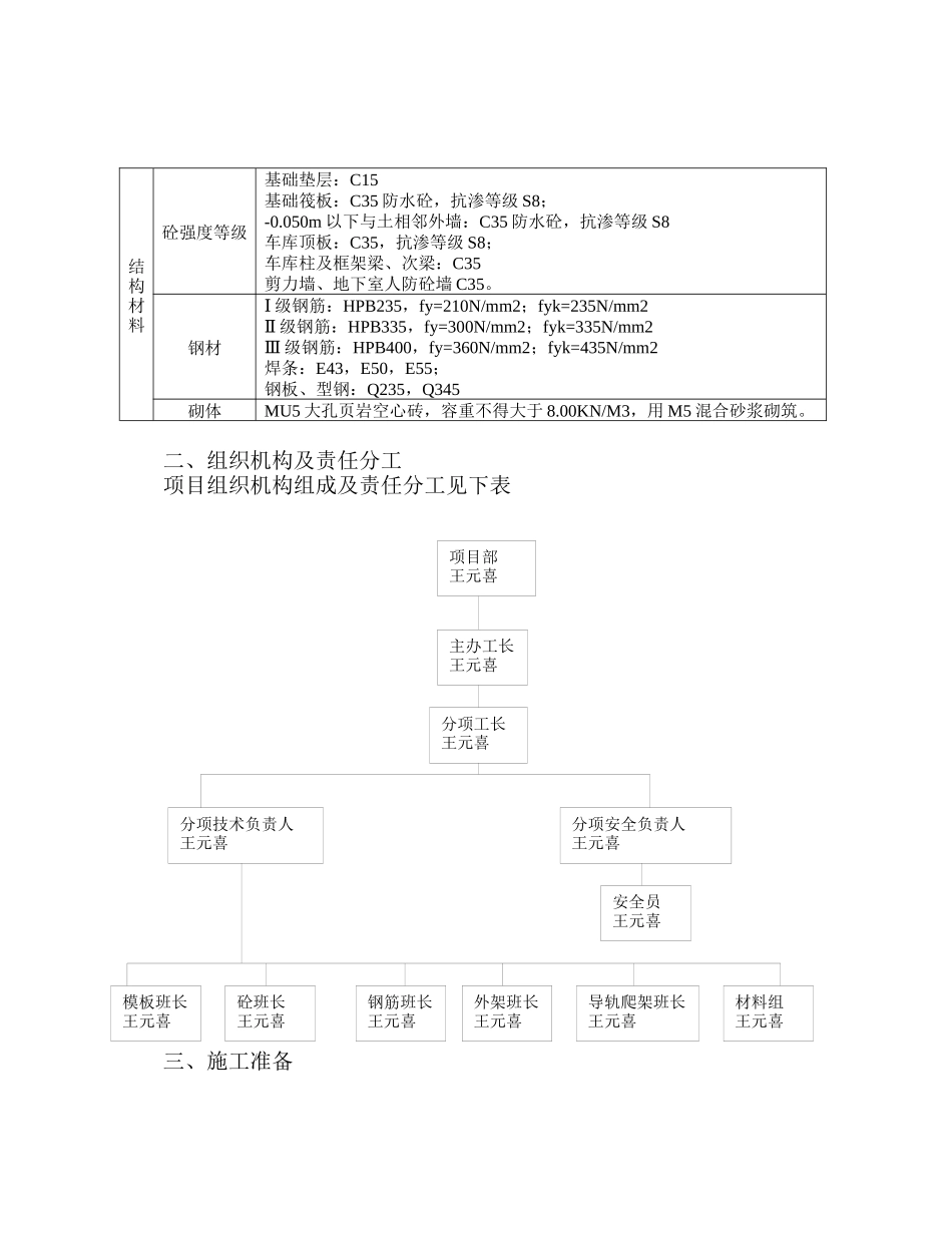
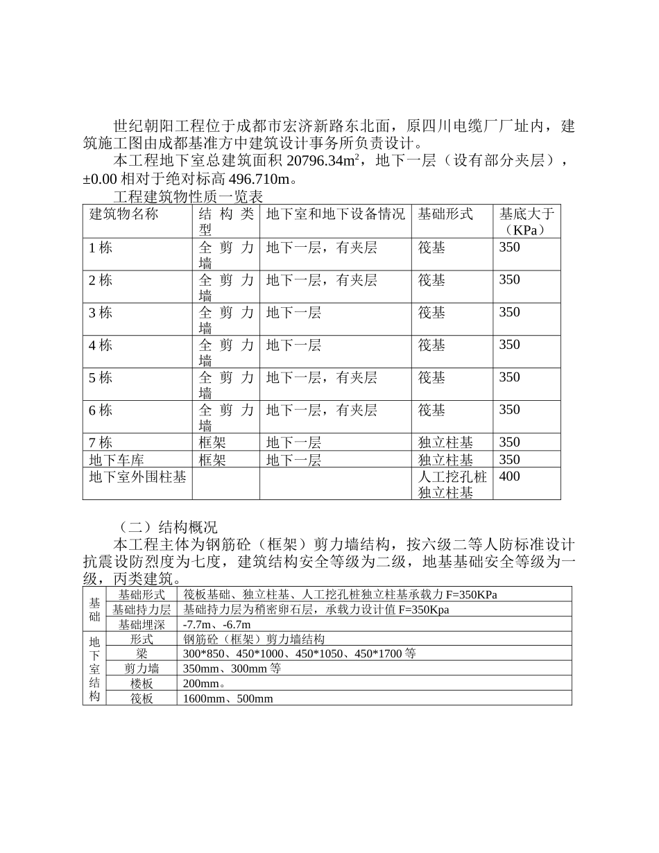
钢筋工程专项安全施工方案 目 录一、工程概况……………………………………………………………4 (一、)建筑概况………………………………………………….4 (二)、结构概况………………………………………………………4二、组织机构及责任分工………………………………………………5三、施工准备……………………………………………………………….6 (一)、技术准备…………………………………………………,7 (二)、机具准备……………………………………………………7 (三)、劳动力准备……………………………………………….,8四、施工方法…………………………………………………………8 (一)、底板钢筋施工………………………………………………8 (二)、柱子钢筋施工………………………………………………8 (三)墙钢筋施工…………………………………………………9 (四)梁钢筋施工………………………………………………10 (五)板钢筋施工……………………………………………… 10 (六)楼梯钢筋施工…………………………………………………10五、特殊工序的工艺要求……………………………………………,10六、质量控制措施……………………………………………………… 13七、质量标准………………………………………………………14八、安全生产措施…………………………………………………16九、文明施工措施……………………………………………………..17十、对突发事件,应急措施方案一、工程概况(一)建筑概况世纪朝阳工程位于成都市宏济新路东北面,原四川电缆厂厂址内,建筑施工图由成都基准方中建筑设计事务所负责设计。本工程地下室总建筑面积 20796.34m2,地下一层(设有部分夹层),±0.00 相对于绝对标高 496.710m。工程建筑物性质一览表建筑物名称结 构 类型地下室和地下设备情况基础形式基底大于(KPa)1 栋全 剪 力墙地下一层,有夹层筏基3502 栋全 剪 力墙地下一层,有夹层筏基3503 栋全 剪 力墙地下一层筏基3504 栋全 剪 力墙地下一层筏基3505 栋全 剪 力墙地下一层,有夹层筏基3506 栋全 剪 力墙地下一层,有夹层筏基3507 栋框架地下一层独立柱基350地下车库框架地下一层独立柱基350地下室外围柱基人工挖孔桩独立柱基400(二)结构概况本工程主体为钢筋砼(框架)剪力墙结构,按六级二等人防标准设计抗震设防烈度为七度,建筑结构安全等级为二级,地基基...

1、当您付费下载文档后,您只拥有了使用权限,并不意味着购买了版权,文档只能用于自身使用,不得用于其他商业用途(如 [转卖]进行直接盈利或[编辑后售卖]进行间接盈利)。
2、本站所有内容均由合作方或网友上传,本站不对文档的完整性、权威性及其观点立场正确性做任何保证或承诺!文档内容仅供研究参考,付费前请自行鉴别。
3、如文档内容存在违规,或者侵犯商业秘密、侵犯著作权等,请点击“违规举报”。

碎片内容

钢筋工程专项安全施工方案

确认删除?
VIP
微信客服
  • 扫码咨询
会员Q群
  • 会员专属群点击这里加入QQ群
客服邮箱
回到顶部