电脑桌面
添加小米粒文库到电脑桌面
安装后可以在桌面快捷访问

电气设备检测试验VIP免费

电气设备检测试验_第1页
1/12
电气设备检测试验_第2页
2/12
电气设备检测试验_第3页
3/12
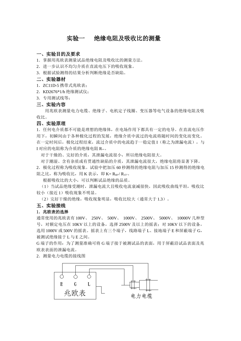
电气设备检测中心安全制度1、进入实验室工作的任何人,都必须严格遵守本制度,以保证人身及设备的安全。2、必须有两人或两人以上,方可进行试验。精神萎靡、精神失常者不得参与进行试验。3、不得乱动实验室中的任何设备。4、在每次接触设备的高压部分之前,必须检查: (1) 供给高压设备的低压电源是否已经断开。 (2)可能带电的导体是否已经牢固接地。检查无误后,方可进入遮栏,进行接线等操作。5、试验前必须把实验区内非试验设备的金属部分用导线牢固接地,电容器或电缆等要用导线短接。6、试验过程中,要进入遮栏,必须先断开电源,再用接地棒将设备充分放电,并把接地棒挂回规定位置。试脸结束时也须如此。7、学生试验时,必须经指导老师检查无误后,方可加压。加压时不准任何人留在遮栏内,并须发出加压信号。8、万一发生事故,必须立即切断电源,报告实验室人员或指导老师。如有人触电停止呼吸,应立即进行人工呼吸,直到触电者恢复知觉为止。不可中途停止,并且要送医院检查、抢救。实验一 绝缘电阻及吸收比的测量一、实验目的及要求1.掌握用兆欧表测量试品绝缘电阻及吸收比的测量方法。2.进一步认识不均匀介质在直流电压下的吸收现象。3.根据试验测得的结果分析判断绝缘是否缺陷。二、实验器材1.ZC11D-5 携带式兆欧表;2.KD2676*1/h 绝缘测试仪;3.专用测试线等;三、实验内容用兆欧表测量电力电缆、绝缘子、电机定子线圈、变压器等电气设备的绝缘电阻及吸收比。四、实验原理1.任何电介质都不可能是理想的绝缘体,在电场作用下都具有一定的电导。在直流电压作用下,初瞬间由于各种极化过程的发展,绝缘介质中流过的电流将随时间的变化而变化。在一定时间后,极化过程结束,流过介质中的电流趋于一稳定值 I(称之为泄漏电流),与I 对应的电阻称为介质的绝缘电阻 R∞。 对于干燥的、完好的介质,其泄漏电流很小,所以绝缘电阻很大。 对于潮湿、含有杂质或有贯通性缺陷的介质,其泄漏电流很大,绝缘电阻将显著下降。2.极化过程称为吸收现象。试验中把加压 60 秒测得的绝缘电阻与加压 15 秒测得的绝缘电阻之比,称为吸收比,用 K 表示,即 K= R60“/ R15“。 根据吸收比的大小,可以判断试品绝缘的品质。 (1)当试品绝缘受潮时,泄漏电流大且吸收电流衰减很快,因此吸收曲线平坦,吸收比较小(接近 1)吸收现象不明显。 (2)完好干燥的绝缘,吸收现象明显,吸收比较大(通常大于 1.3)。五、实验接线1....

1、当您付费下载文档后,您只拥有了使用权限,并不意味着购买了版权,文档只能用于自身使用,不得用于其他商业用途(如 [转卖]进行直接盈利或[编辑后售卖]进行间接盈利)。
2、本站所有内容均由合作方或网友上传,本站不对文档的完整性、权威性及其观点立场正确性做任何保证或承诺!文档内容仅供研究参考,付费前请自行鉴别。
3、如文档内容存在违规,或者侵犯商业秘密、侵犯著作权等,请点击“违规举报”。

碎片内容

电气设备检测试验

知识面包店+ 关注
实名认证
内容提供者

热爱教学事业,对互联网知识分享很感兴趣

确认删除?
VIP
微信客服
  • 扫码咨询
会员Q群
  • 会员专属群点击这里加入QQ群
客服邮箱
回到顶部