电脑桌面
添加小米粒文库到电脑桌面
安装后可以在桌面快捷访问

上海市公共建筑建设项目施工图节能审查备案表(暖通空调及动力专VIP免费

上海市公共建筑建设项目施工图节能审查备案表(暖通空调及动力专_第1页
1/4
上海市公共建筑建设项目施工图节能审查备案表(暖通空调及动力专_第2页
2/4
上海市公共建筑建设项目施工图节能审查备案表(暖通空调及动力专_第3页
3/4
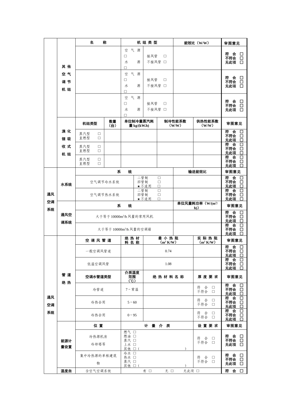
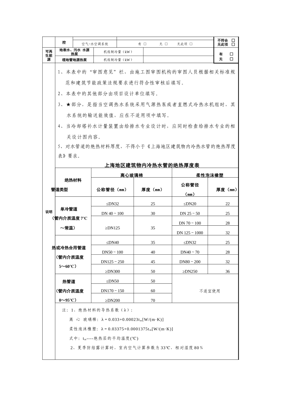
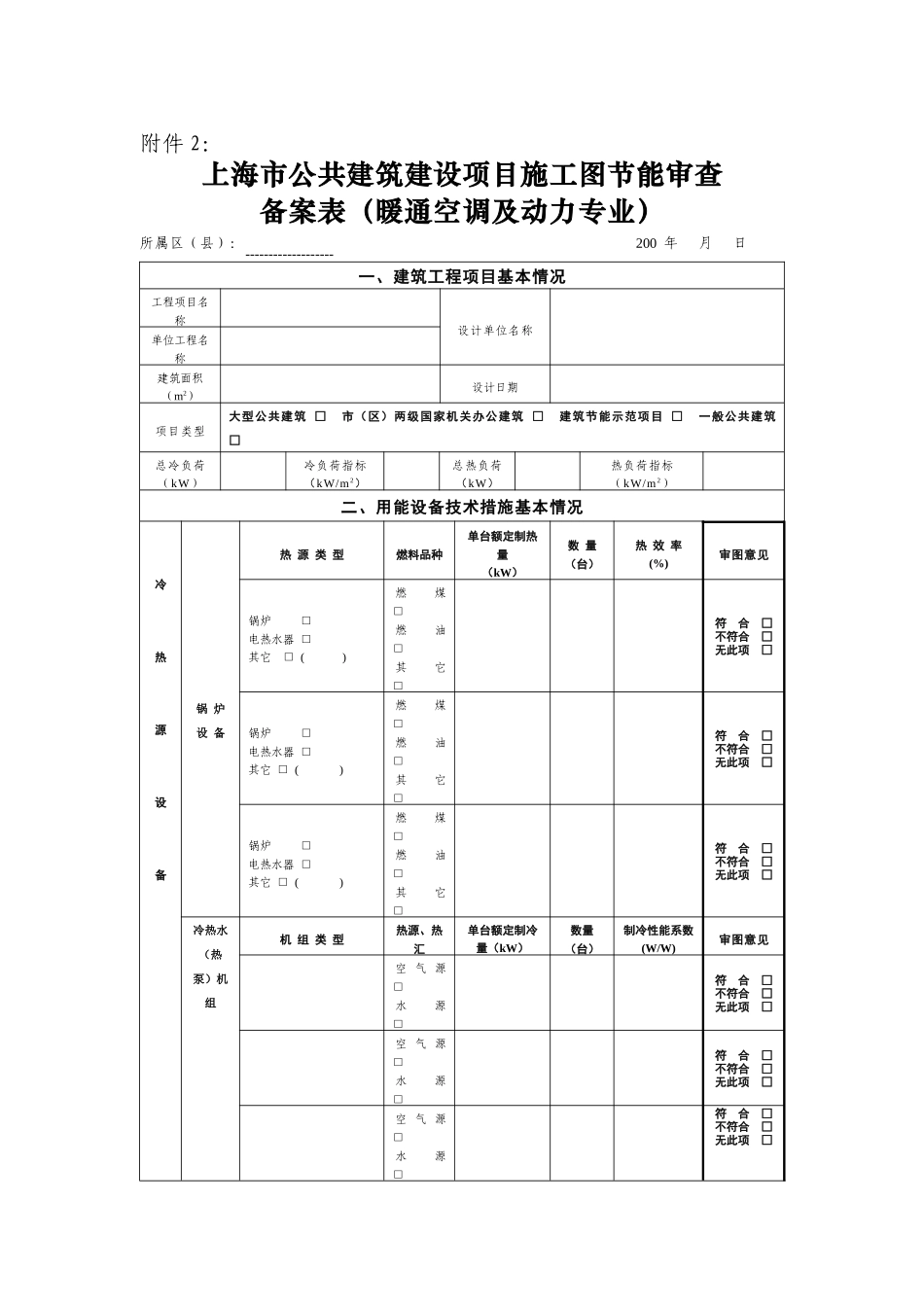
附件 2: 上海市公共建筑建设项目施工图节能审查备案表(暖通空调及动力专业)所属区(县):------------------- 200 年 月 日一、建筑工程项目基本情况工程项目名称设计单位名称单位工程名称建筑面积(m2)设计日期项目类型大型公共建筑 □ 市(区)两级国家机关办公建筑 □ 建筑节能示范项目 □ 一般公共建筑 □ 总冷负荷(kW)冷负荷指标(kW/m 2)总热负荷(kW)热负荷指标(kW/m 2)二、用能设备技术措施基本情况冷热源设备锅 炉设 备热 源 类 型燃料品种单台额定制热量(kW)数 量(台)热 效 率(%)审图意见锅炉 □电热水器 □其它 □ ( )燃煤 □燃油 □其它 □符 合 □不符合 □无此项 □锅炉 □电热水器 □其它 □ ( )燃煤 □燃油 □其它 □符 合 □不符合 □无此项 □锅炉 □电热水器 □其它 □ ( )燃煤 □燃油 □其它 □符 合 □不符合 □无此项 □冷热水(热泵)机组机 组 类 型热源、热汇单台额定制冷量(kW)数量(台)制冷性能系数(W/W)审图意见空 气 源 □水 源 □符 合 □不符合 □无此项 □空 气 源 □水 源 □符 合 □不符合 □无此项 □空 气 源 □水 源 □符 合 □不符合 □无此项 □其 他空 气调 节机 组名 称机 组 类 型能效比(W/W)审图意见空 气 源 □水 源 □接风管 □不接风管 □符 合 □不符合 □无此项 □空 气 源 □水 源 □接风管 □不接风管 □符 合 □不符合 □无此项 □空 气 源 □水 源 □接风管 □不接风管 □符 合 □不符合 □无此项 □溴 化锂 吸收 式机 组机组类型数量(台)单位制冷量蒸汽耗量 kg/(kW.h)制冷性能系数(W/W)供热性能系数(W/W)审图意见蒸汽型 □直燃型 □符 合 □不符合 □无此项 □蒸汽型 □直燃型 □符 合 □不符合 □无此项 □蒸汽型 □直燃型 □符 合 □不符合 □无此项 □通风空调系统水系统系 统输送能效比审图意见空气调节冷水系统二管制 □四管制 □★不适用 □ 符 合 □不符合 □无此项 □空气调节热水系统二管制 □四管制 □★不适用 □ 符 合 □不符合 □无此项 □通风空调系统系 统单位风量耗功率(W/(m3/h))审图意见大于等于 10000m3/h 风量的常用风机符 合 □不符合 □无此项 □大于等于 10000m3/h 风量的空调箱符 合 □不符合 □无此项 □通风空调系统管 道绝 热空 调...

1、当您付费下载文档后,您只拥有了使用权限,并不意味着购买了版权,文档只能用于自身使用,不得用于其他商业用途(如 [转卖]进行直接盈利或[编辑后售卖]进行间接盈利)。
2、本站所有内容均由合作方或网友上传,本站不对文档的完整性、权威性及其观点立场正确性做任何保证或承诺!文档内容仅供研究参考,付费前请自行鉴别。
3、如文档内容存在违规,或者侵犯商业秘密、侵犯著作权等,请点击“违规举报”。

碎片内容

上海市公共建筑建设项目施工图节能审查备案表(暖通空调及动力专

您可能关注的文档

确认删除?
VIP
微信客服
  • 扫码咨询
会员Q群
  • 会员专属群点击这里加入QQ群
客服邮箱
回到顶部