电脑桌面
添加小米粒文库到电脑桌面
安装后可以在桌面快捷访问

XXXX-学习资料大全:建筑材料见证取样检测试验标准VIP免费

XXXX-学习资料大全:建筑材料见证取样检测试验标准_第1页
1/36
XXXX-学习资料大全:建筑材料见证取样检测试验标准_第2页
2/36
XXXX-学习资料大全:建筑材料见证取样检测试验标准_第3页
3/36
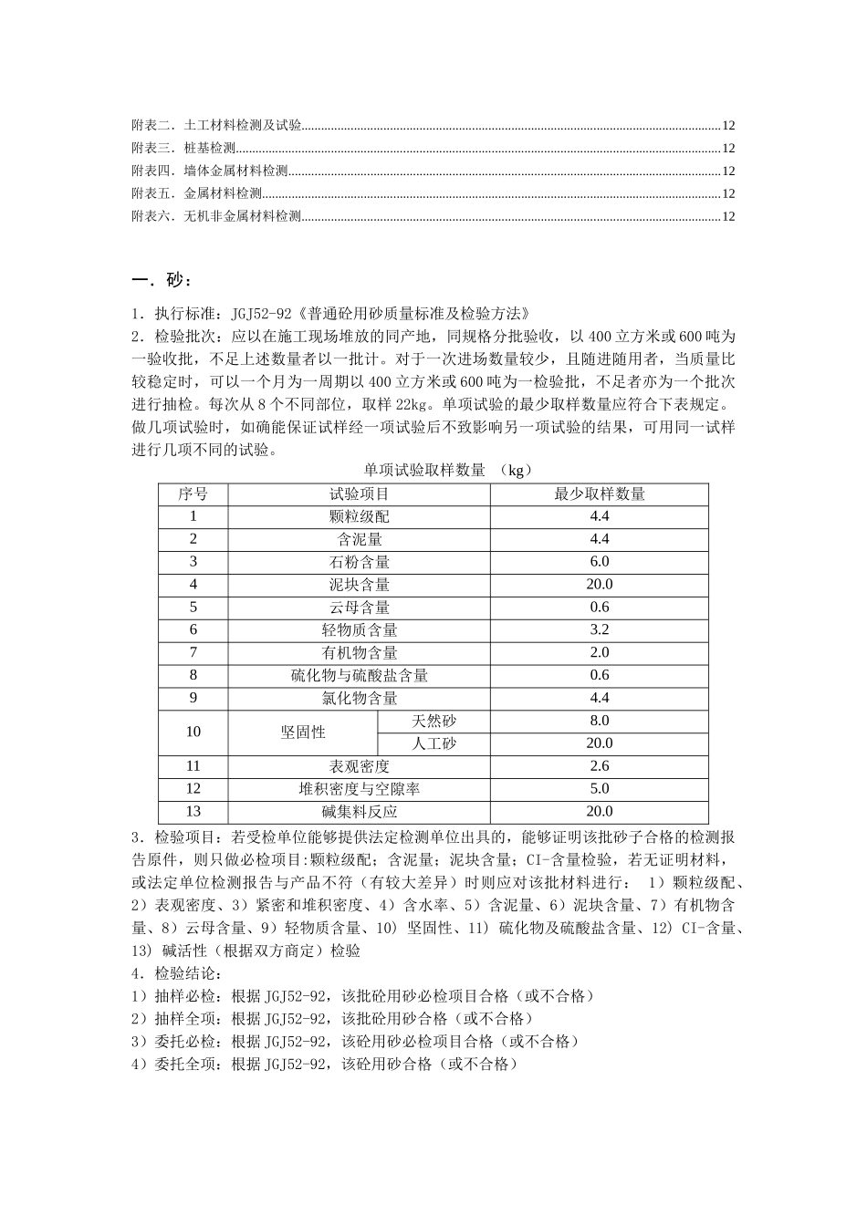
知识改变命运 勤奋塑造成功整理人落叶时间 2011-4-15天才是百分之九十九的勤奋加百分之一的灵感建筑材料见证取样检测试验标准一.砼用砂:..............................................................................................................................................................3二.砼用卵石(碎石):..........................................................................................................................................3三.混凝土试块:......................................................................................................................................................4四.砂浆试块:..........................................................................................................................................................5五.轻集料:..............................................................................................................................................................5六.烧结普通砖:......................................................................................................................................................5七.烧结多孔砖:......................................................................................................................................................6八.烧结空心砖:......................................................................................................................................................6九.水泥:..................................................................................................................................................................6十.蒸压加气砼砌块:..............................................................................................................................................7十一.混凝土路面砖:..............................................................................................................................................7十二.轻集料砼小型空心砌块:..............

1、当您付费下载文档后,您只拥有了使用权限,并不意味着购买了版权,文档只能用于自身使用,不得用于其他商业用途(如 [转卖]进行直接盈利或[编辑后售卖]进行间接盈利)。
2、本站所有内容均由合作方或网友上传,本站不对文档的完整性、权威性及其观点立场正确性做任何保证或承诺!文档内容仅供研究参考,付费前请自行鉴别。
3、如文档内容存在违规,或者侵犯商业秘密、侵犯著作权等,请点击“违规举报”。

碎片内容

XXXX-学习资料大全:建筑材料见证取样检测试验标准

确认删除?
VIP
微信客服
  • 扫码咨询
会员Q群
  • 会员专属群点击这里加入QQ群
客服邮箱
回到顶部