电脑桌面
添加小米粒文库到电脑桌面
安装后可以在桌面快捷访问

电力系统部分设备统一编号准则(DOC13页)VIP免费

电力系统部分设备统一编号准则(DOC13页)_第1页
1/13
电力系统部分设备统一编号准则(DOC13页)_第2页
2/13
电力系统部分设备统一编号准则(DOC13页)_第3页
3/13
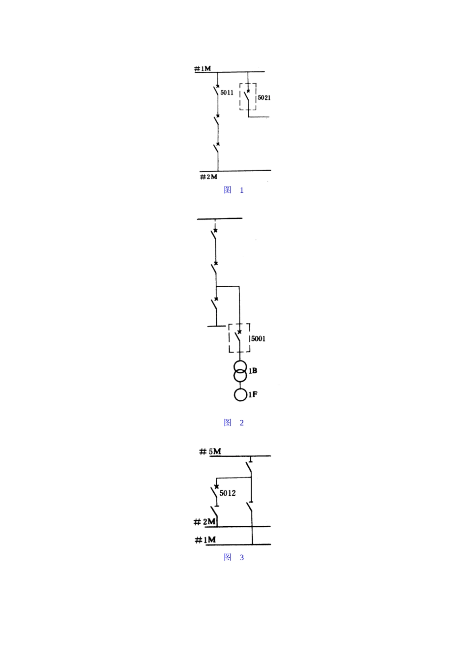
电 力 系 统 部分设备统一编号准则 SD 240-87 中华人民共和国水利电力部 关于颁发《电力系统部分设备统一编号准则》的通知 (87)水电讯字第 41 号 为加强电力系统调度运行管理,现颁发《电力系统部分设备统一编号准则》,其编号为 SD240—87。本“准则”自发文之日起实行,在此之前所发的有关电力系统设备编号的文件一律作废。各单位在实行本“准则”中发现的问题,请及时告部科技司和电力调度通讯局。 1987 年 11 月 24 日 1 总 则 1.1 为适应电网的发展和大电网间的互联;提高电力系统调度运行管理水平,特制定本准则。 1.2 凡 500kV 输变电设备,都应照本准则实行统一编号。 1.3 凡与 500kV 变压器中压、低压侧相联的设备,可参照本准则套编或按原系统编号原则编号。 1.4 新投产 220kV 设备,尽可能按照本准则套编。 1.5 330kV 输变电设备的编号,按西北电管局总调度所制定的原则进行统编。 1.6 凡遇新投产而本准则又未明确的 500kV 设备的编号,都应报部电力调度通讯局审定。 1.7 本准则由所属电管局总调所(调度局)、独立省网由省电力局中调所负责组织实施。 2 电力系统部分设备名称 调度管理中常用的电力系统设备名称,按“电力系统调度术语”命名,其文字符号按有关设备术语的汉语拼音字母缩写而成,今后逐步过渡到使用国家标准 GB7159-87。常用基本符号见表 1。 表 1 常用基本符号 项目基本符号名称汉语拼音名称汉语1Ffadianji发电机2Ttiaoxianji调相机3Lbianyaqi变压器4Mmuxian母线5Kkaihuan断路器6Ddaozha隔离开关7XLxianlu线路8LHdianliuhuganqi电流互感器9YHdianyahuguanqi电压互感器10DKdiankanqi电抗器11BLbileiqi避雷器12CBchuanglianbuchangqi串联补偿器13JBjingzhibuchangqi静止补偿器14ZBzuboqi阻波器15Jji极16LBjiaozhiliuluboqi交、直流滤波器17FQhuanliuzhanfaqiao换流站阀桥18PBpingbodiankangqi平波电抗器19ZLzaiboluboqi载波滤波器 3 交流 500kV 设备编号 3.1 电力系统交流 500 千伏设备实行双重编号,即由代码编号(以下简称编号)和设备名称两部分组成。 例如线路,以该线路两端厂(站)名称的简称命名,该线路两端断路器,按规定相应编号。 3.2 发电机、变压器等设备,按顺序分别为×号机,×号变,其主断路器按规定相应编号。 3.3 母线分别用 1、2、3、4、5 数字表示。 排列顺序规定为:从发电机、变压器侧向出线线路侧,由固定端向扩建端(平面布置)...

1、当您付费下载文档后,您只拥有了使用权限,并不意味着购买了版权,文档只能用于自身使用,不得用于其他商业用途(如 [转卖]进行直接盈利或[编辑后售卖]进行间接盈利)。
2、本站所有内容均由合作方或网友上传,本站不对文档的完整性、权威性及其观点立场正确性做任何保证或承诺!文档内容仅供研究参考,付费前请自行鉴别。
3、如文档内容存在违规,或者侵犯商业秘密、侵犯著作权等,请点击“违规举报”。

碎片内容

电力系统部分设备统一编号准则(DOC13页)

状元书店+ 关注
实名认证
内容提供者

热爱教学事业,对互联网知识分享很感兴趣

确认删除?
VIP
微信客服
  • 扫码咨询
会员Q群
  • 会员专属群点击这里加入QQ群
客服邮箱
回到顶部