电脑桌面
添加小米粒文库到电脑桌面
安装后可以在桌面快捷访问

回填灌浆施工技术措施方案VIP免费

回填灌浆施工技术措施方案_第1页
1/10
回填灌浆施工技术措施方案_第2页
2/10
回填灌浆施工技术措施方案_第3页
3/10
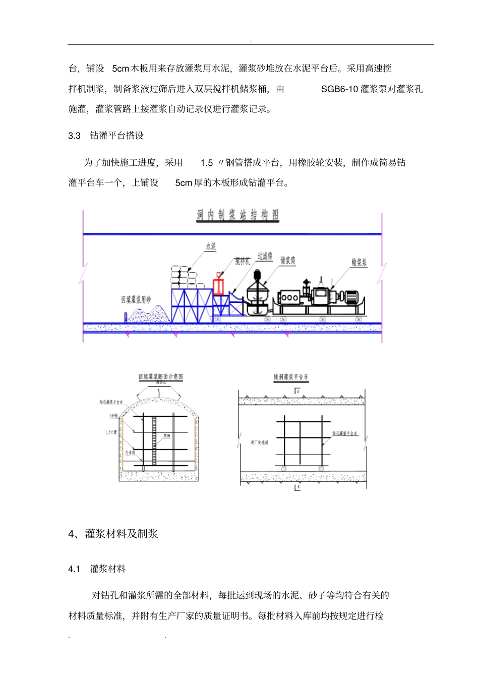
. . . 1、工程概况交通洞是地下厂房对外主要的永久通道,同时也是厂房系统施工期开挖、出渣及材料设备运输的主要通道。在交通洞开挖至J0+625 桩号时,遇到规模较大的 f209 断层,此断层一直延伸至J0+640 桩号,致使此段范围内进洞向右侧边墙至顶拱部位出现大面积的掉块和局部的塌方现象,虽经过钢拱架、挂网、喷砼等钢性支护措施封堵,但其支护仅限于挂网钢筋与钢拱架表面(25 cm 厚)和少量的回填灌浆,围岩与支护之间仍存在较大的空腔,考虑到此段围岩的地质情况对施工及交通洞后期运行存在一定的安全隐患,为安全起见, 经监理人同意, 对 f209断层及其影响带J0+517~J0+680 段范围进行回填灌浆处理。另外,交通洞J0-009.015~J0+035 、 J0+043~ 0+055 桩号范围以及与厂房、主变洞相交处各7m长锁口混凝土段、A 厂通风洞T0+005.135 ~T0+040 桩号范围,根据原设计图纸中的要求和实际的地质情况,将对以上范围内进行钢筋混凝土衬砌,衬砌完成后相应进行回填灌浆处理。 2 、施工依据1、 广东惠州抽水蓄能电站交通洞、A 厂通风洞土建施工招标、投标文件。2、 《交通洞布置、结构图(1/2 ) ~(2/2 )》:DZ15D3-2-01a~02a 。3、 《A 厂通风洞布置、结构图(1/3 )~( 3/3 ): DZ15D3-1A-01a 、 02a、03 4、 《水工建筑物水泥灌浆施工技术规范》: DL/T5148-2001 。3、施工布置3.1 供水、供电灌浆用水和用电均采用现交通洞洞内主水、电管路管线路分接。3.2 灌浆站制浆系统就近工作面布置,以不影响交通为原则。采用1.5 〃钢管搭设水泥平. . . 台,铺设5cm木板用来存放灌浆用水泥,灌浆砂堆放在水泥平台后。采用高速搅拌机制浆,制备浆液过筛后进入双层搅拌机储浆桶,由SGB6-10 灌浆泵对灌浆孔施灌,灌浆管路上接灌浆自动记录仪进行灌浆记录。3.3 钻灌平台搭设为了加快施工进度,采用1.5 〃钢管搭成平台,用橡胶轮安装,制作成简易钻灌平台车一个,上铺设5cm 厚的木板形成钻灌平台。4、灌浆材料及制浆4.1 灌浆材料对钻孔和灌浆所需的全部材料,每批运到现场的水泥、砂子等均符合有关的材料质量标准,并附有生产厂家的质量证明书。每批材料入库前均按规定进行检. . . 验验收,并及时将检验成果报送监理工程师。4.1.1 灌浆水泥(1)灌浆采用的业主提供的普通硅酸盐水泥,水泥标号不应低于P.O32.5R 。( 2)灌浆用的水泥必须符合规定的质量标准,不得使用受潮结块的水泥。对超细水泥应严格...

1、当您付费下载文档后,您只拥有了使用权限,并不意味着购买了版权,文档只能用于自身使用,不得用于其他商业用途(如 [转卖]进行直接盈利或[编辑后售卖]进行间接盈利)。
2、本站所有内容均由合作方或网友上传,本站不对文档的完整性、权威性及其观点立场正确性做任何保证或承诺!文档内容仅供研究参考,付费前请自行鉴别。
3、如文档内容存在违规,或者侵犯商业秘密、侵犯著作权等,请点击“违规举报”。

碎片内容

回填灌浆施工技术措施方案

确认删除?
VIP
微信客服
  • 扫码咨询
会员Q群
  • 会员专属群点击这里加入QQ群
客服邮箱
回到顶部