电脑桌面
添加小米粒文库到电脑桌面
安装后可以在桌面快捷访问

国内各大设计方案院考试试题VIP免费

国内各大设计方案院考试试题_第1页
1/43
国内各大设计方案院考试试题_第2页
2/43
国内各大设计方案院考试试题_第3页
3/43
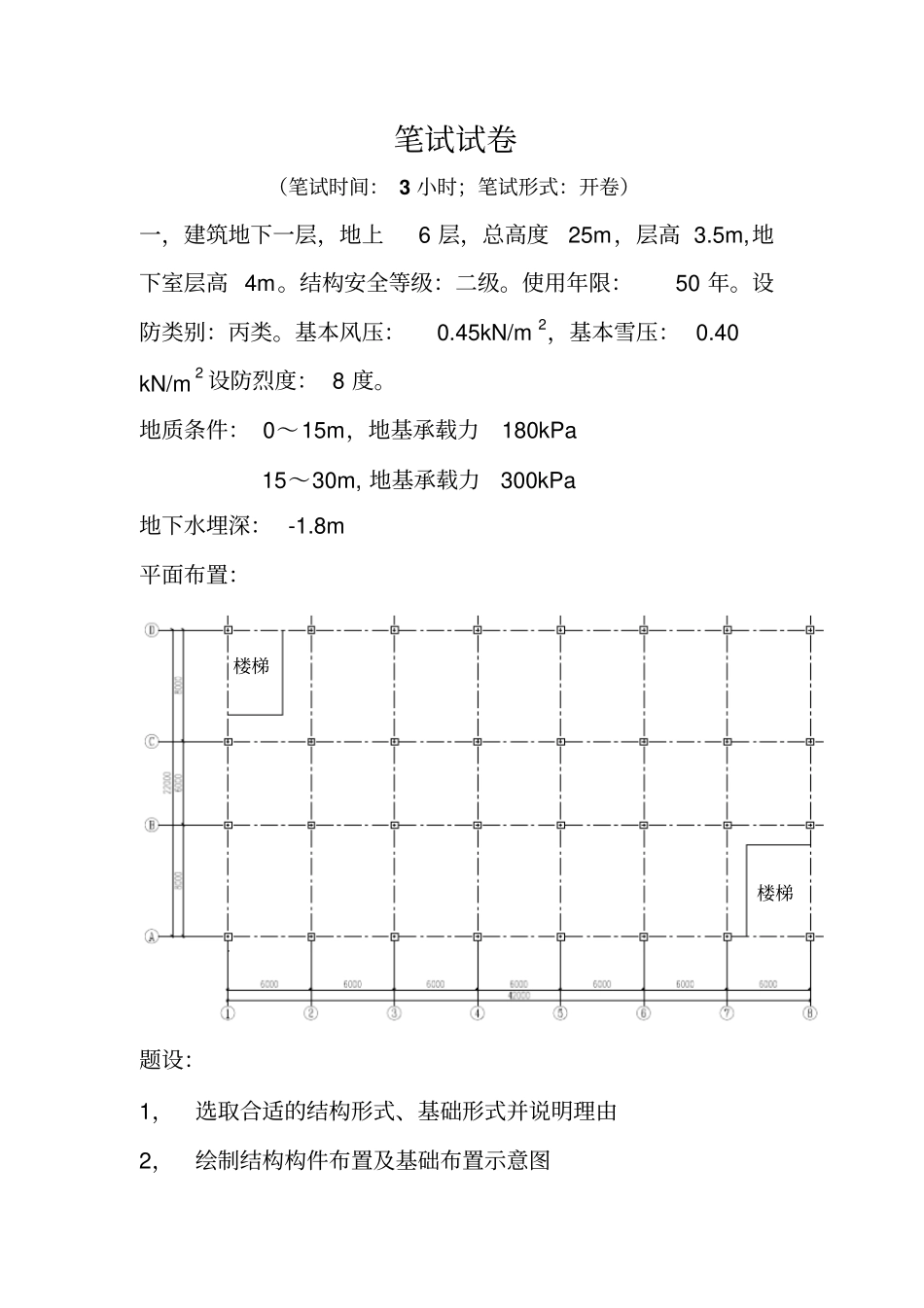
笔试试卷(笔试时间: 3 小时;笔试形式:开卷)一,建筑地下一层,地上6 层,总高度25m,层高 3.5m,地下室层高 4m。结构安全等级:二级。使用年限:50 年。设防类别:丙类。基本风压:0.45kN/m 2,基本雪压: 0.40 kN/m2 设防烈度: 8 度。地质条件: 0~15m,地基承载力180kPa 15~30m, 地基承载力300kPa 地下水埋深: -1.8m 平面布置:楼梯楼梯题设:1,选取合适的结构形式、基础形式并说明理由2,绘制结构构件布置及基础布置示意图3,估算梁、板、柱、基础的截面尺寸4,绘制典型的梁、柱节点示意图5,绘制轴线 4 所在榀的刚架内力图(在水平、竖下荷载下的弯矩、剪力、轴力图)6,绘制如图所示前二阶振型图7,绘制钢材、混凝土的应力-应变曲线并说明两种材料各自的优缺点。8,介绍一下你所做的课题,并说明其具有的现实意义。4,应聘建议:中国院的专业课笔试在编者整理的所有设计院考试中唯一采用 开卷形式 的考试,考试主要就是一道设计实例题,每年考题主要集中在高层和大跨度结构两方面。中国院的专业课试卷答题时需要应聘者有很明晰的结构概念和设计思路。有过实习经历的应聘者在做题时会轻松许多。因此编者建议应聘中国院的应聘者平时要多加强实际设计经验的积累(如梁、板、柱的截面估算等,选择不同基础形式的实际情况等),并且注重概念设计能力的培养。推荐参考书目:《手把手教你建筑结构设计》、《建筑结构概念设计 》 、 《 建 筑 结 构 实 践 教 案 及 见 习 工 程 师 图 册 --05SG110》。笔试试卷(笔试时间: 3 小时,笔试形式:闭卷)1,谈谈你对结构设计的看法,可以结合自身的专业或技能特长2,画出下列结构弯矩示意图,画出图形形状即可3,列举一项你熟悉的大跨度或超高层结构,说明它的结构体系,并简述该体系的优缺点4,某办公楼进行方案设计概括:某办公楼,平面柱网基本布置如图所示。本建筑地上 8 层,层高 4.5m,首层楼面( +0.000)比室外地面高出0.9m,地下有一层地下室,要求层高不小于2.8m。地基土情况:地表杂土厚度1m,自然地面下1m 开始为土质良好的粉质粘土,承载力特征值为200Kpa,地下水位较深,不予考虑。可以采用混凝土结构体系,也可以采用钢结构体系对此建筑进行方案设计。混凝土结构体系的混凝土采用C30(fc=14.3N/mm2 )钢结构体系结构构件的钢材选用Q345(按 f=300 N/mm2 ) ,截面形式不限。荷载条件:楼面活荷载: 2.5KN/m2 地震设防烈...

1、当您付费下载文档后,您只拥有了使用权限,并不意味着购买了版权,文档只能用于自身使用,不得用于其他商业用途(如 [转卖]进行直接盈利或[编辑后售卖]进行间接盈利)。
2、本站所有内容均由合作方或网友上传,本站不对文档的完整性、权威性及其观点立场正确性做任何保证或承诺!文档内容仅供研究参考,付费前请自行鉴别。
3、如文档内容存在违规,或者侵犯商业秘密、侵犯著作权等,请点击“违规举报”。

碎片内容

国内各大设计方案院考试试题

确认删除?
VIP
微信客服
  • 扫码咨询
会员Q群
  • 会员专属群点击这里加入QQ群
客服邮箱
回到顶部