电脑桌面
添加小米粒文库到电脑桌面
安装后可以在桌面快捷访问

土壤水吸力的测定VIP免费

土壤水吸力的测定_第1页
1/3
土壤水吸力的测定_第2页
2/3
土壤水吸力的测定_第3页
3/3
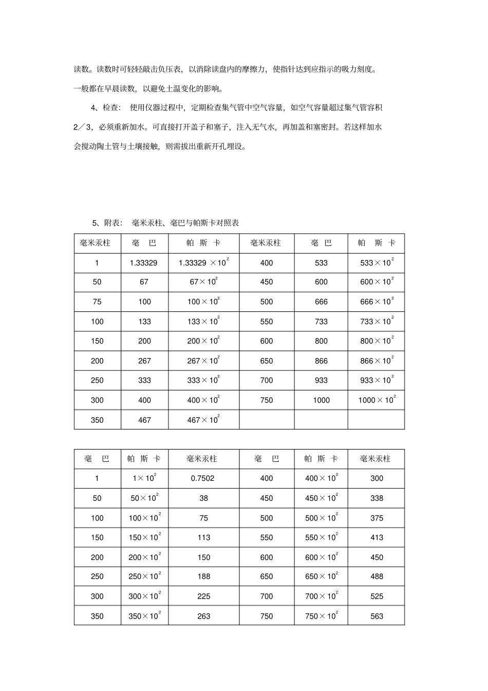
土壤水吸力的测定土壤水吸力是反映土壤水分能态的指标,它是在水分随一定土壤吸力状况下的水分能量状态, 以土壤对水的吸力来表示。植物从土壤中吸水,必须以更大的吸力来克服土壤对水的吸力,因此土壤水吸力可以直接反映土壤的供水能力以及土壤水分的运动,较之单纯用土壤含水量反映土壤水分状况更有实际意义。测定土壤水吸力是控制土壤水分状况,调节植物吸收水分和养分的一种重要手段。 (一) 测定原理本实验采用土壤湿度计( 又名张力计或负压计) 测定土壤水吸力。 当充满水、 密封的土壤湿度计插入水分不饱和的土壤后,由于土壤具有吸力,便通过湿度计的陶土管壁“吸”水。陶土管是不透气的,故此时仪器内部便产生一定的真空,使负压表指示出负压力。当仪器与土壤吸力达平衡时,此负压力即为土壤水吸力。( 二) 土壤湿度计构造土壤湿度计由下列部件所组成: l、陶土管:是土壤湿度计的感应部件,它有许多细小而均匀的孔隙。当陶土管完全被水浸润后,其孔隙间的水膜能让水或溶液通过而不让空气通过。 2、负压表:是土壤湿度计的指示部件,一般为汞柱负压表或弹簧管负压表。 3、集气管:为收集仪器里的空气之用。 (三) 测定方法1、仪器的准备:在使用土壤湿度计之前,为使仪器达到最大灵敏度,必须把仪器内部的空气除尽, 方法是: 除去集气管的盖和橡皮塞,将仪器倾斜, 注入经煮沸后冷却的无气水,注满后将仪器直立,让水将陶土管湿润。并见有水从表面滴出。在注水口塞入一个插有注射针的橡皮塞, 进行抽气, 此时可见真空表指针移至400 毫来汞柱左右, 并有气泡从真空表中逸出, 逐渐聚集在集气管中。拨出塞子则真空表指针返回原位。继续将仪器注满无气水,同上抽气,重复3— 4 次,仪器系统中的空气便可除尽,盖好橡皮塞和集气管盖,仪器即可使用。 2 、安装: 在需测量的田块上选择好有代表性的地方,以钻孔器开孔到待测深度,将湿度计插入。为了使陶土管与土壤接触紧密,开孔后可撤入少量碎土于孔底,然后插入仪器,再填入少量碎土,将仪器上下移动,使陶土管与周围土壤紧接。最后再填入其余的土壤。3、观测: 仪器安装好以后,一般需2 小时到一天方与土壤吸力平衡,平衡后便可观测读数。读数时可轻轻敲击负压表,以消除读盘内的摩擦力,使指针达到应指示的吸力刻度。一般都在早晨读数,以避免土温变化的影响。4、检查: 使用仪器过程中,定期检查集气管中空气容量,如空气容量超过集气管容积2/3,必须重新加...

1、当您付费下载文档后,您只拥有了使用权限,并不意味着购买了版权,文档只能用于自身使用,不得用于其他商业用途(如 [转卖]进行直接盈利或[编辑后售卖]进行间接盈利)。
2、本站所有内容均由合作方或网友上传,本站不对文档的完整性、权威性及其观点立场正确性做任何保证或承诺!文档内容仅供研究参考,付费前请自行鉴别。
3、如文档内容存在违规,或者侵犯商业秘密、侵犯著作权等,请点击“违规举报”。

碎片内容

土壤水吸力的测定

您可能关注的文档

文库当当响+ 关注
实名认证
内容提供者

该用户很懒,什么也没介绍

确认删除?
VIP
微信客服
  • 扫码咨询
会员Q群
  • 会员专属群点击这里加入QQ群
客服邮箱
回到顶部