电脑桌面
添加小米粒文库到电脑桌面
安装后可以在桌面快捷访问

化学光谱法测定痕量金分析研究 化学工程专业

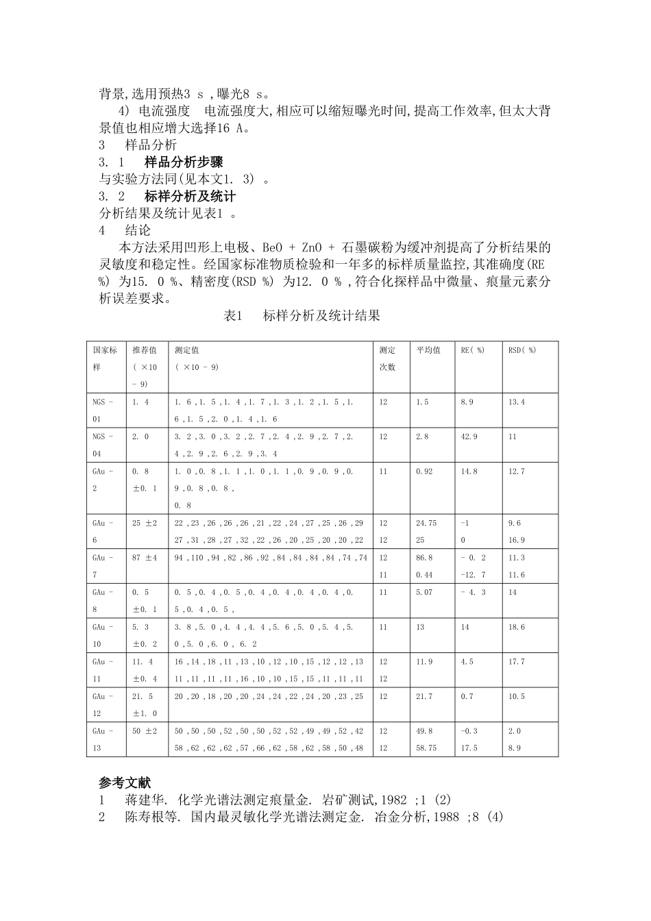
化学光谱法测定痕量金分析研究    化学工程专业_第1页
1/4
化学光谱法测定痕量金分析研究    化学工程专业_第2页
2/4
化学光谱法测定痕量金分析研究    化学工程专业_第3页
3/4
化学光谱法测定痕量金摘 要 采用凹电极为上电极、BeO + ZnO + 石墨碳粉为缓冲剂提高了金分析的灵敏度和稳定性。对泡沫塑料吸附中杂质、吸附条件等进行试验,选择了较好的仪器及工作条件。经国标样检验、日常分析监控,其准确度为15. 0 %、精密度为12 % ,满足了化探痕量金分析误差要求。关键词 发射光谱 痕量金1 实验部分1. 1 仪器及工作条件WSP - 1 型2 m 平面光栅摄谱仪(北京二光) ;光栅刻线:1 200 条/ mm ,中心波长:265. 0 nm;3 透镜照明系统,狭缝:10μm;中间光栏:5. 2 mm;激发光谱及曝光:WPF - 20 型交流电弧发生器,220 V ,16 A ;预热3 s、曝光8 s ;电极规格:下电极2 mm ×3 mm ×0. 5 mm(内径×深度×壁厚) ;上电极3 mm ×4. 5 mm ×0. 5 mm(内径×深度×壁厚) ;相板及暗室处理:天津紫外Ⅰ型相板,A、B 显影液,20 ℃显影2. 5 min ,定影30 min ;9W 型测微光度计(上海光学仪器厂) ,P 标尺,狭缝20μm;高度10 mm;分析线对及测定范围:Au 267. 595 nm/ Be 265. 0 nm(0. 3 ×10 - 9~50 ×10 - 9) ;Au 264. 826 nm/ Be 265. 0 nm(50 ×10 - 9~300 ×10 - 9) 。1. 2 试剂盐酸、硝酸(分析纯) ;聚环氧乙烷:0. 5 % ;缓冲剂(含内标) :称取1. 5 g ZnO ,用1 :1 王水5 ml 溶解,取100μg/ ml BeO (5 %HCl 介质) 50 ml ,蒸发至5 ml ,转入10 g 石墨碳粉中,于马福炉中300 ℃烘干后,用玛瑙研钵磨匀,烘干,即得150μg/ mg ZnO、0. 5μg/ mg BeO 的缓冲剂;泡沫塑料:把3 cm ×1. 5 cm ×0. 5 cm 大小的泡沫塑料用5 %盐酸煮沸、洗净、蒸馏水浸泡;金标准储备液:称取0. 5000 g 高纯金丝放入250 ml 烧杯中,加50 ml (1 :1) 王水,微热至完全溶解,移入500 ml 容量瓶中,以20 %王水稀至刻度,混匀;制得含1 mg/ ml Au 标准溶液;再以20 %王水稀释成50μg/ ml Au 溶液;使用时依次稀成100 ng/ ml 和1 000 ng/ ml ;标准曲线绘制:分别吸取上述金标准按5 、10 、20 、50 、100 、200 、500 、1 000 、2 000 ng 金标准系列与样品同步泡塑吸附、灰化、摄谱作出曲线图。1. 3 实验方法称取国家一级标样10. 0 g 放入瓷方舟中,于马福炉中由低温升至650 ℃左右,灼烧2 h 。取出冷却,移入聚氨酯溶样瓶中。加入新配制王水(1 :1) 30 ml ,于水浴中加热溶解。煮沸保温1~2 h 。取出加入1~2 m1 0....

1、当您付费下载文档后,您只拥有了使用权限,并不意味着购买了版权,文档只能用于自身使用,不得用于其他商业用途(如 [转卖]进行直接盈利或[编辑后售卖]进行间接盈利)。
2、本站所有内容均由合作方或网友上传,本站不对文档的完整性、权威性及其观点立场正确性做任何保证或承诺!文档内容仅供研究参考,付费前请自行鉴别。
3、如文档内容存在违规,或者侵犯商业秘密、侵犯著作权等,请点击“违规举报”。

碎片内容

化学光谱法测定痕量金分析研究 化学工程专业

您可能关注的文档

确认删除?
VIP
微信客服
  • 扫码咨询
会员Q群
  • 会员专属群点击这里加入QQ群
客服邮箱
回到顶部