电脑桌面
添加小米粒文库到电脑桌面
安装后可以在桌面快捷访问

土钉墙支护计算计算书VIP免费

土钉墙支护计算计算书_第1页
1/10
土钉墙支护计算计算书_第2页
2/10
土钉墙支护计算计算书_第3页
3/10
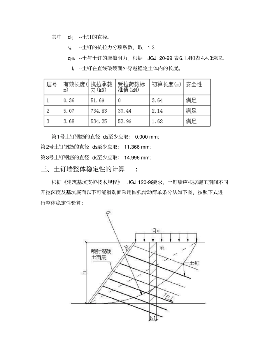
土钉墙支护计算书本计算书参照 《建筑基坑支护技术规程》JGJ120-99 中国建筑工业出版社出版《建筑施工计算手册》江正荣编著 中国建筑工业出版社、《实用土木工程手册》第三版 杨文渊 编著 人民教同出版社、《地基与基础》第三版中国建筑工业出版社、《土力学》等相关文献进行编制。土钉墙需要计算其土钉的抗拉承载力和土钉墙的整体稳定性。一、参数信息 : 1、基本参数:侧壁安全级别:二级基坑开挖深度 h(m):7.700;土钉墙计算宽度 b'(m):15.00;土体的滑动摩擦系数按照 tan φ计算, φ为坡角水平面所在土层内的内摩擦角;条分块数: 10;考虑地下水位影响;基坑外侧水位到坑顶的距离(m):15.000;基坑内侧水位到坑顶的距离(m):15.000;2、荷载参数:序号类型面荷载 q(kPa) 荷载宽度 b0(m) 基坑边线距离 b1(m) 1 满布2.00 -- -- 3、地质勘探数据如下::序号1 土名称填土土厚度 (m) 2 坑壁土的重度 γ (kN/m3) 17 坑壁土的内摩擦角φ (° )15 粘聚力 C (kPa) 11 极限摩擦阻力 (kPa) 120 饱和重度 (kN/m 3) 19 序号2 土名称卵石土厚度 (m) 15 坑壁土的重度 γ (kN/m3) 21 坑壁土的内摩擦角φ (° )45 粘聚力 C (kPa) 3 极限摩擦阻力 (kPa) 500 饱和重度 (kN/m 3) 22 4、土钉墙布置数据:放坡参数:序号放坡高度 (m) 放坡宽度 (m) 平台宽度 (m) 1 7.70 2.54 12.00 土钉参数:序号孔径(mm) 长度 (m) 入射角 (度) 竖向间距 (m) 水平间距 (m) 1 120.00 4.00 15.00 1.50 2.00 2 120.00 7.00 15.00 1.50 2.00 3 120.00 5.00 15.00 1.50 2.00 二、土钉 (含锚杆 )抗拉承载力的计算: 单根土钉受拉承载力计算,根据《建筑基坑支护技术规程》JGJ 120-99,R=1.25γ0Tjk 1、其中土钉受拉承载力标准值Tjk按以下公式计算:Tjk=δ eajksxjszj/cos αj 其中δ--荷载折减系数eajk--土钉的水平荷载sxj、szj--土钉之间的水平与垂直距离αj--土钉与水平面的夹角δ按下式计算:δ =tan[(β-φk)/2](1/(tan((β +φk)/2))-1/tan β )/tan2(45 °-φ /2)其中 β--土钉墙坡面与水平面的夹角。φ--土的内摩擦角eajk按根据土力学按照下式计算:eajk=∑{[( γi×szj)+q0] ×K ai-2c(K ai)1/2} 2、土钉抗拉承载力设计值 Tuj按照下式计算Tuj=(1/ γs) π dnj∑qsikli 其中dnj--土钉的直径。γs--土钉的抗拉力分项系数,取1.3 qsik --土...

1、当您付费下载文档后,您只拥有了使用权限,并不意味着购买了版权,文档只能用于自身使用,不得用于其他商业用途(如 [转卖]进行直接盈利或[编辑后售卖]进行间接盈利)。
2、本站所有内容均由合作方或网友上传,本站不对文档的完整性、权威性及其观点立场正确性做任何保证或承诺!文档内容仅供研究参考,付费前请自行鉴别。
3、如文档内容存在违规,或者侵犯商业秘密、侵犯著作权等,请点击“违规举报”。

碎片内容

土钉墙支护计算计算书

您可能关注的文档

爱的疯狂+ 关注
实名认证
内容提供者

该用户很懒,什么也没介绍

确认删除?
VIP
微信客服
  • 扫码咨询
会员Q群
  • 会员专属群点击这里加入QQ群
客服邮箱
回到顶部