电脑桌面
添加小米粒文库到电脑桌面
安装后可以在桌面快捷访问

在线运行维护记录参考样本VIP免费

在线运行维护记录参考样本_第1页
1/13
在线运行维护记录参考样本_第2页
2/13
在线运行维护记录参考样本_第3页
3/13
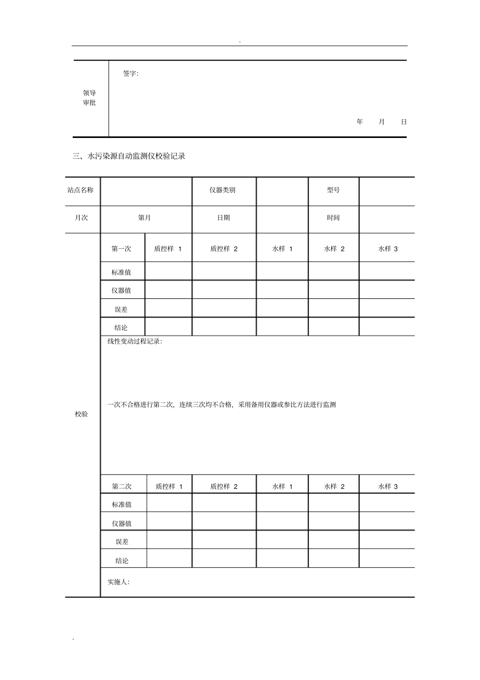
. . 自动监测设备运行与维护记录表设备名称 : 规格型号 : 设备编号:维护管理单位 : 安装地点 : 维护保养人 : 设备巡检内容、情况、及处理情况说明日常维护工作记录(一) 维护预备查询日志试剂、耗材准备(二) 系统检查供电系统(稳压、UPS等)通讯系统(本地通讯、远程通讯等)控制系统( PLC、工控机等)子站设施(泵、阀等)采水系统(三) 仪器检查仪器显示故障报警仪器管路仪器校验(四) 周期维护仪器清洗集成管路清洗废液处理试剂更换耗材更换卫生打扫站房记录(五) 其他情况异常情况处理记录更换耗材备注. . 一、水污染源自动监测设备运营维护日常巡检表企业名称:日期二、水污染源自动监测仪校准记录表站点名称仪器类别型号月份日期时间时到时常规项校准前各参数是否正常异常参数校准后各参数是否正常异常参数结果记录(异常情况描述) :原因分析与采取措施:处理结果及器件更换:线形变动记录:校验前:校验后:实施人 1:实施人 2:离站时间服务耗时维护人员业主方代表日期. . 领导审批签字:年月日三、水污染源自动监测仪校验记录站点名称仪器类别型号月次第月日期时间校验第一次质控样 1 质控样 2 水样 1 水样 2 水样 3 标准值仪器值误差结论线性变动过程记录:一次不合格进行第二次,连续三次均不合格,采用备用仪器或参比方法进行监测第二次质控样 1 质控样 2 水样 1 水样 2 水样 3 标准值仪器值误差结论实施人:. . 领导审批签字:年月日. . 四、水污染源自动监测设备故障维修记录表企业名称:设备名称规格型号设备编号:维护管理单位安装地点故障情况及发生时间仪器设备管理员:年月日维修人:年月日修复后使用前校验时间、校验结果说明校验人:年月日正常投入使用时间仪器设备管理员:年月日负责人:年月日. . 五、标准溶液核查结果记录表站点名称:测定日期:年月日序号测试项目单位自动监测仪器测定结果配置值(推荐值)相对误差(%)备注运营方代表:日期:年月日业主方代表:日期:年月日. . 六、烟气自动监测设备日常巡检维护记录表企业名称:日期:年月日设备名称 : 规格型号 : 设备编号:维护管理单位 : 安装地点 : 维护保养人 : 设备巡检内容、情况、及处理情况说明序号子系统巡检部件及事项说明巡检部件情况说明处理情况处理后结果说明1 烟气监测系统探头滤芯、采样管、伴热管是否堵塞采样探头反吹是否正常,电磁阀、反吹气源是否正常,采样泵、...

1、当您付费下载文档后,您只拥有了使用权限,并不意味着购买了版权,文档只能用于自身使用,不得用于其他商业用途(如 [转卖]进行直接盈利或[编辑后售卖]进行间接盈利)。
2、本站所有内容均由合作方或网友上传,本站不对文档的完整性、权威性及其观点立场正确性做任何保证或承诺!文档内容仅供研究参考,付费前请自行鉴别。
3、如文档内容存在违规,或者侵犯商业秘密、侵犯著作权等,请点击“违规举报”。

碎片内容

在线运行维护记录参考样本

确认删除?
VIP
微信客服
  • 扫码咨询
会员Q群
  • 会员专属群点击这里加入QQ群
客服邮箱
回到顶部