电脑桌面
添加小米粒文库到电脑桌面
安装后可以在桌面快捷访问

基础底板混凝土浇筑施工方案VIP专享VIP免费

基础底板混凝土浇筑施工方案_第1页
1/4
基础底板混凝土浇筑施工方案_第2页
2/4
基础底板混凝土浇筑施工方案_第3页
3/4
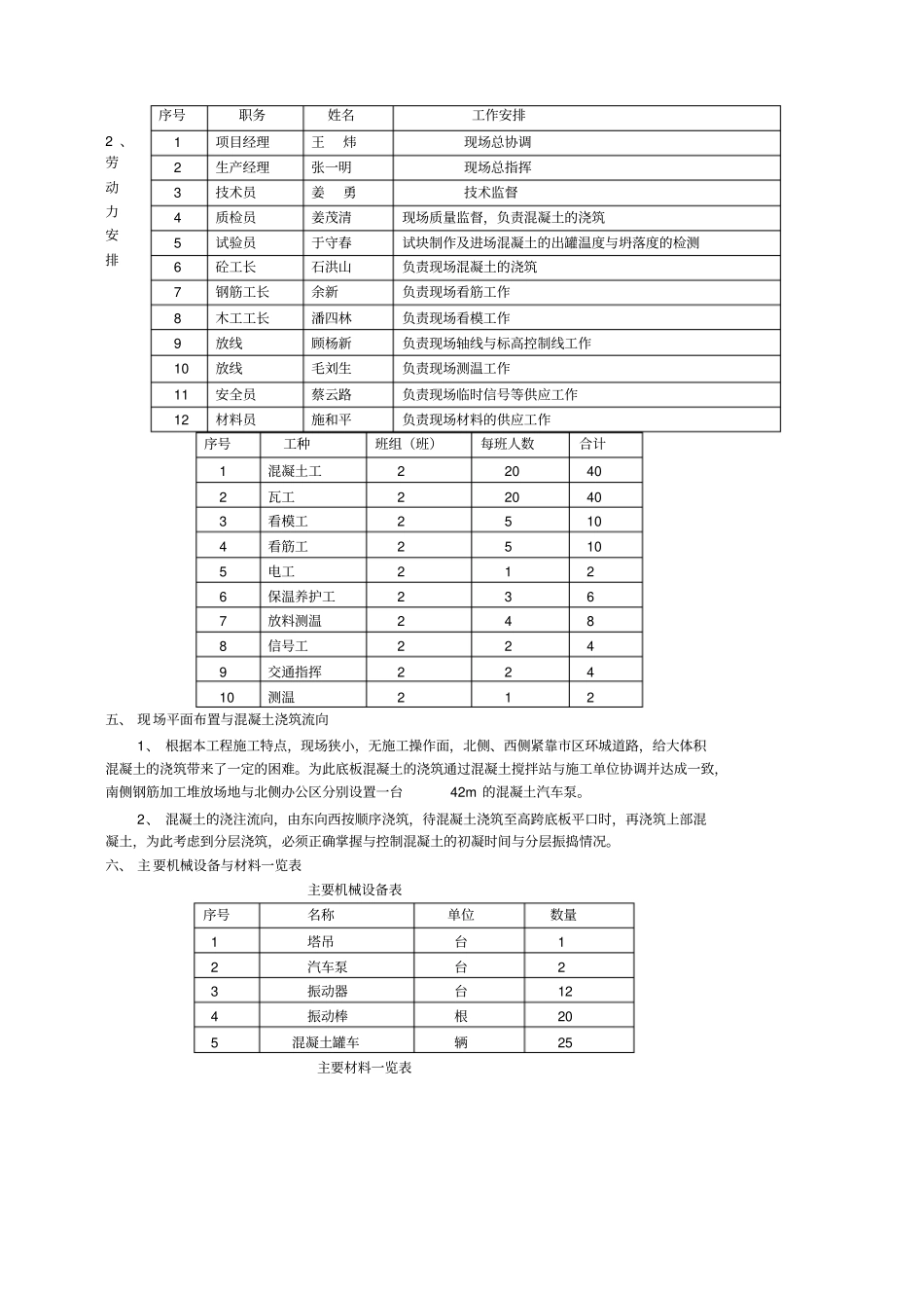
基础底板混凝土浇筑施工方案一、 工程概况本工程为昌平移动业务用房及通讯机房楼。基础埋深为 -7.22m 与-6.40m ,基础底板为筏板形式,基础埋深厚度为1.40m,底板混凝土强度等级为 C40/P8 ,底板面积为1758 ㎡。外墙与消防水池设置0.4m 高导墙, 4 个集水坑和排水沟增加部位的混凝土与高低跨接槎处总方量为2550m3,其中后浇带处混凝土为85m 3,混凝土浇注采用2 台 42m 汽车泵,在最东侧死角处,混凝土的浇筑采用塔吊、汽车泵轮流配合施工。混凝土浇筑时间为15 日早上 6:30,按每小时70m3 计算需要35 小时,考虑不利因素估计要40 个小时,方可浇筑完毕。二、 混凝土罐车要求由于混凝土罐车在路上必须行驶一个多小时,为确保混凝土浇筑顺利进行,除现场要确保正常浇筑外,应有5 辆以上的罐车在现场,防止堵车与不利因素的发生。三、 施工准备工作1、 混凝土浇筑前,必须将底板上的垃圾、杂物清理干净。钢筋、模板全部经四方验收合格,并办理好签证手续。2、 现场必须做到整洁,留有足够的余地确保混凝土浇筑有一个回旋的地方。3、 所有配电设施、振捣机械均全部检修调试处于完好状态。4、 认真做好各种材料、工具的进场准备工作(草帘被、塑料纸、温度计、木搓、刮杠、扫把、铁锹、钯子、试验模具等)5、 由总包方及时组织协调好,了解供电情况,防止混凝土浇筑时出现停电的情况。6、 由总包方及时做好防止扰民的工作,以免引起附近居民的不满,发生不愉快的事,而影响混凝土的浇筑。7、了解和掌握好天气变化情况,确保混凝土在浇筑过程中能够及时采取有效措施,确保混凝土浇筑能够顺利。8、认真做好混凝土浇筑前的各项工作的人员配备与组织落实概况,分工明确,责任到人。9、为了确保混凝土浇筑顺利进行,必须准备足够的照明设施,由安全部门检查,特别在下灰口处也要配备,不得有误。四、 人员安排1、管理人员2 、劳动力安排序号工种班组(班)每班人数合计1 混凝土工2 20 40 2 瓦工2 20 40 3 看模工2 5 10 4 看筋工2 5 10 5 电工2 1 2 6 保温养护工2 3 6 7 放料测温2 4 8 8 信号工2 2 4 9 交通指挥2 2 4 10 测温2 1 2 五、 现场平面布置与混凝土浇筑流向1、 根据本工程施工特点,现场狭小,无施工操作面,北侧、西侧紧靠市区环城道路,给大体积混凝土的浇筑带来了一定的困难。为此底板混凝土的浇筑通过混凝土搅拌站与施工单位协调并达成一致,南侧钢筋加工堆放场地与北...

1、当您付费下载文档后,您只拥有了使用权限,并不意味着购买了版权,文档只能用于自身使用,不得用于其他商业用途(如 [转卖]进行直接盈利或[编辑后售卖]进行间接盈利)。
2、本站所有内容均由合作方或网友上传,本站不对文档的完整性、权威性及其观点立场正确性做任何保证或承诺!文档内容仅供研究参考,付费前请自行鉴别。
3、如文档内容存在违规,或者侵犯商业秘密、侵犯著作权等,请点击“违规举报”。

碎片内容

基础底板混凝土浇筑施工方案

确认删除?
VIP
微信客服
  • 扫码咨询
会员Q群
  • 会员专属群点击这里加入QQ群
客服邮箱
回到顶部