电脑桌面
添加小米粒文库到电脑桌面
安装后可以在桌面快捷访问

基础施工质量保证措施VIP免费

基础施工质量保证措施_第1页
1/14
基础施工质量保证措施_第2页
2/14
基础施工质量保证措施_第3页
3/14
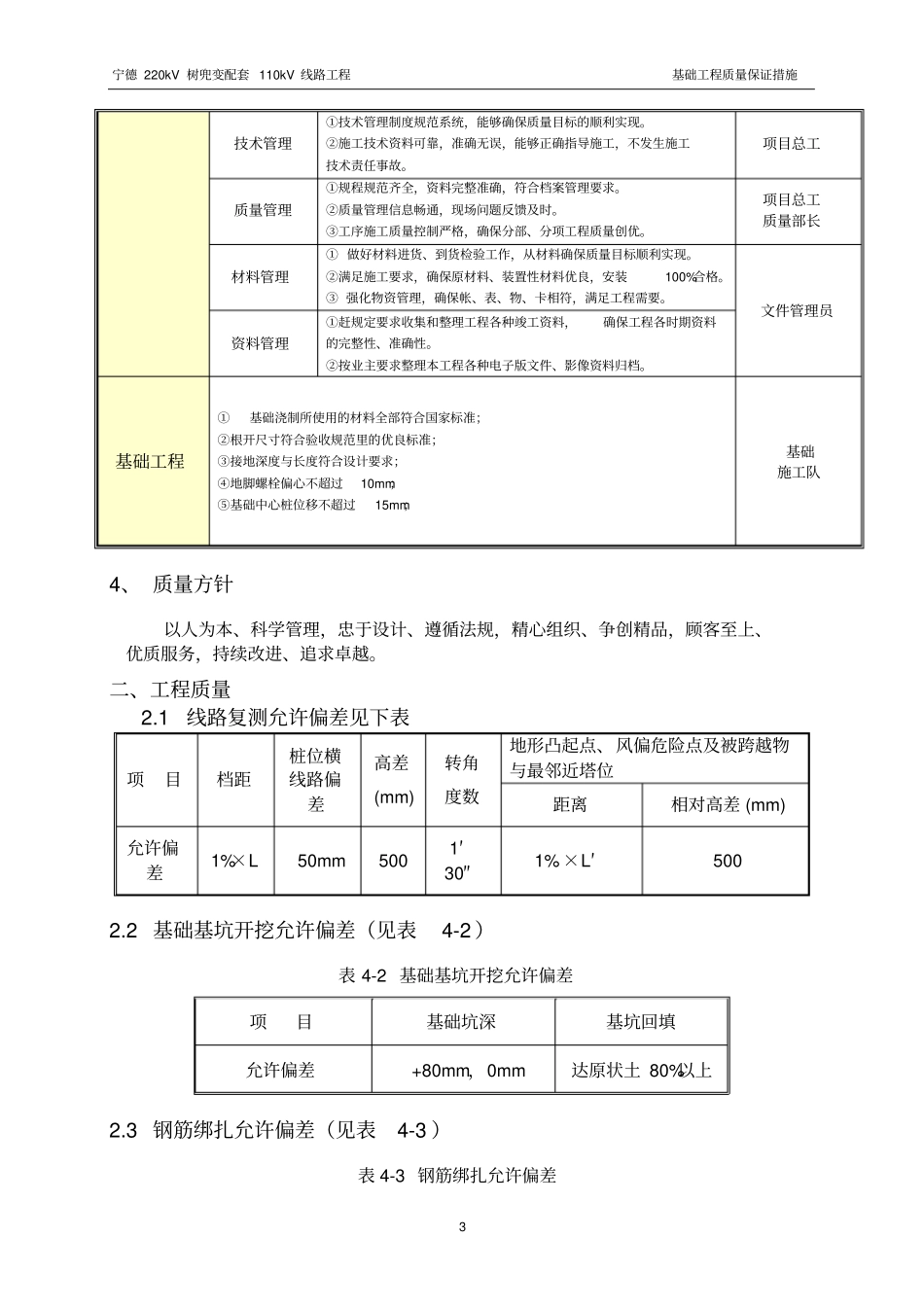
宁德 220kV 树兜变配套 110kV 线路工程基础工程质量保证措施1 福州亿力电力工程有限公司宁德 220kV 树兜变配套110kV 线路工程基础工程质量保证措施宁德 220kV 树兜变配套 110kV 线路工程项目部2009 年 12 月 15 日宁德 220kV 树兜变配套 110kV 线路工程基础工程质量保证措施2 一、质量目标及分解1、质量目标本工程质量必须达到《国家电网公司输变电工程达标投产考核办法(2008 版)》的考核标准,并按《国家电网公司输变电优质工程评选办法(2008 版)》(国家电网基建 [2008])考核标准创建国家电网公司优质工程。2、质量目标分解:质量目标分解表表 3-1 质量目标公司质量目标项目部质量目标施工队质量目标保证贯彻和顺利实施工程主要设计技术原则及国家、行业颁发的规程、规范;杜绝重大质量事故和质量管理事故的发生;工程质量达到和超过质量评级优良标准,满足国家电网公司《输变电工程达标投产考核评定标准》( 2005年版)评达标投产的要求,并争创国家优质工程,同时确保各分部工程验收合格率 100%;优良品率在≥95%以上。保证贯彻和顺利实施工程主要设计技术原则及国家、行业颁发的规程、规范;杜绝重大质量事故和质量管理事故的发生;工程质量达到和超过质量评级优良标准,满足国家电网公司《输变电工程达标投产考核评定标准》 ( 2005年版)评达标投产的要求,确保工程实现“零缺陷移交、达标投产,争创国家优质精品工程” ,同时确保各分部工程验收合格率100%;优良品率在≥ 98%以上。保证贯彻和顺利实施工程主要设计技术原则及国家、行业颁发的规程、规范;杜绝重大质量事故和质量管理事故的发生;工程质量达到和超过质量评级优良标准,满足国家电网公司《输变电工程达标投产考核评定标准》( 2005年版)评达标投产的要求,确保工程实现“零缺陷移交、达标投产,争创国家优质精品工程” ,同时确保实现:一次验收合格率98%;分部工程优良品率98%;分项工程优良品率95%;施工合同履约率100%;施工设备完好率99%;施工组织设计、质量保证资料编制及时率99%;工程回访保修及时率100%;顾客满意率100%。保证贯彻和顺利实施工程主要设计技术原则及国家、行业颁发的规程、规范;杜绝重大质量事故和质量管理事故的发生;工程质量达到和超过质量评级优良标准,满足国家电网公司《输变电工程达标投产考核评定标准》 (2005年版) 评达标投产的要求,确保工程实现“零缺陷移交、达标投产,争创国家优质...

1、当您付费下载文档后,您只拥有了使用权限,并不意味着购买了版权,文档只能用于自身使用,不得用于其他商业用途(如 [转卖]进行直接盈利或[编辑后售卖]进行间接盈利)。
2、本站所有内容均由合作方或网友上传,本站不对文档的完整性、权威性及其观点立场正确性做任何保证或承诺!文档内容仅供研究参考,付费前请自行鉴别。
3、如文档内容存在违规,或者侵犯商业秘密、侵犯著作权等,请点击“违规举报”。

碎片内容

基础施工质量保证措施

您可能关注的文档

确认删除?
VIP
微信客服
  • 扫码咨询
会员Q群
  • 会员专属群点击这里加入QQ群
客服邮箱
回到顶部