电脑桌面
添加小米粒文库到电脑桌面
安装后可以在桌面快捷访问

基础设施管理程序VIP免费

基础设施管理程序_第1页
1/7
基础设施管理程序_第2页
2/7
基础设施管理程序_第3页
3/7
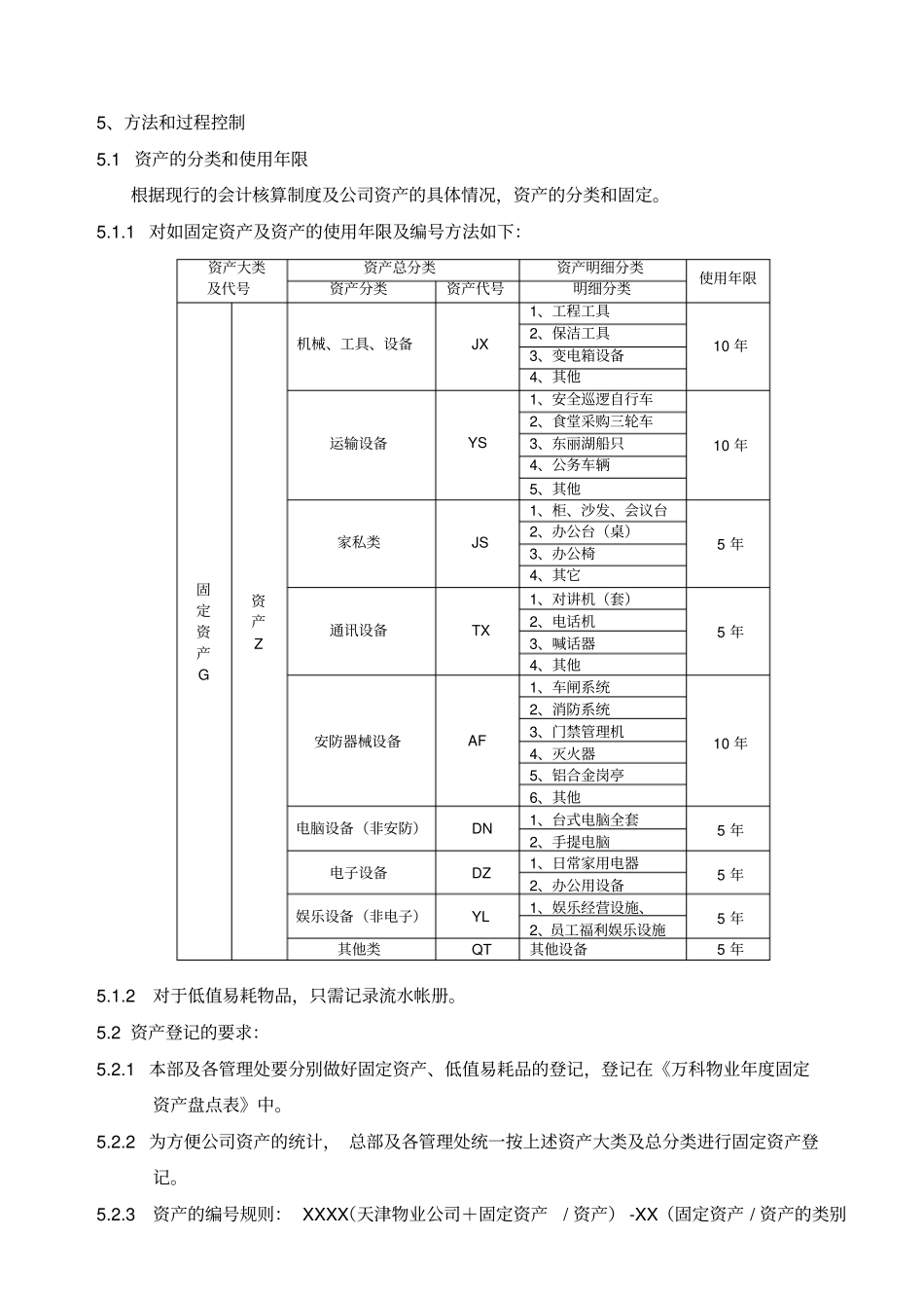
1、目的加强对公司资产的管理,保证公司资产的安全、完整,充分发挥资产使用的效能。2、范围本制度适用于天津万科物业管理有限公司对资产的管理。3、定义3.1 资产的释义:根据物品的价值和使用期限,分为固定资产类、资产类、低值易耗物品类。3.2 单位价值在人民币2000 元以上(含 2000 元),使用年限在一年以上的有形资产(包括电子设备、电脑设备、房屋建筑物、运输设备、机械设备以及其它设备)列入固定资产类。3.3 单位价值在人民币100 元以上(含 100 元) 2000 元以下的,使用年限在一年以上的各种用具物品(包括普通的办公家私、小件电脑设备、办公设施、工程工具等)列入资产类。3.4 单位价值在人民币100 元一下的物品,列入低值易耗物品类。3.5 电脑软件类的资产,根据其价值的大小,分别列入固定资产和资产的管理。3.6 为便于实物的管理,个别设备(如:工程设备中的水泵、保洁设备中的除草机等同等、同类设备)虽然其单价不足人民币2000 元,也可列入固定资产管理范围。3.7 资产物品中(如:玻璃、印刷品等)无论时价花费多少,都不纳入资产范畴,只办理入库、出库手续,登录流水帐本;4、职责4.1 资产主管部门4.1.1 办公室是公司资产实物管理的主管部门,负责对各管理处资产管理的指导监控和本部资产的实物管理。4.1.2 财务管理部是公司资产帐务管理的主管部门,着重从资产的原值、已提折旧、净值等方面对公司资产进行监控和管理。4.1.3 各管理处负责本管理处资产实物管理,接受公司办公室及财务管理部的监控和管理。4.2 电子办公设备类资产的管理办公室是公司电子办公设备类实物管理的专业部门,负责对公司电子办公设备类资产进行专项管理,对电子办公设备类资产的购进、配置、使用、维修及报废等进行全面的登记和管理。4.3 各部门、各管理处对资产的使用和保管要明确责任人,各部门、各管理处的责任人对使用资产负有妥善保管、安全使用的责任。5、方法和过程控制5.1 资产的分类和使用年限根据现行的会计核算制度及公司资产的具体情况,资产的分类和固定。5.1.1 对如固定资产及资产的使用年限及编号方法如下:资产大类及代号资产总分类资产明细分类使用年限资产分类资产代号明细分类固定资产G 资产Z 机械、工具、设备JX1、工程工具10 年2、保洁工具3、变电箱设备4、其他运输设备YS 1、安全巡逻自行车10 年2、食堂采购三轮车3、东丽湖船只4、公务车辆5、其他家私类JS 1、柜、沙发、会议台5 年2、办公...

1、当您付费下载文档后,您只拥有了使用权限,并不意味着购买了版权,文档只能用于自身使用,不得用于其他商业用途(如 [转卖]进行直接盈利或[编辑后售卖]进行间接盈利)。
2、本站所有内容均由合作方或网友上传,本站不对文档的完整性、权威性及其观点立场正确性做任何保证或承诺!文档内容仅供研究参考,付费前请自行鉴别。
3、如文档内容存在违规,或者侵犯商业秘密、侵犯著作权等,请点击“违规举报”。

碎片内容

基础设施管理程序

您可能关注的文档

爱的疯狂+ 关注
实名认证
内容提供者

该用户很懒,什么也没介绍

确认删除?
VIP
微信客服
  • 扫码咨询
会员Q群
  • 会员专属群点击这里加入QQ群
客服邮箱
回到顶部