电脑桌面
添加小米粒文库到电脑桌面
安装后可以在桌面快捷访问

塑料管明敷设VIP免费

塑料管明敷设_第1页
1/4
塑料管明敷设_第2页
2/4
塑料管明敷设_第3页
3/4
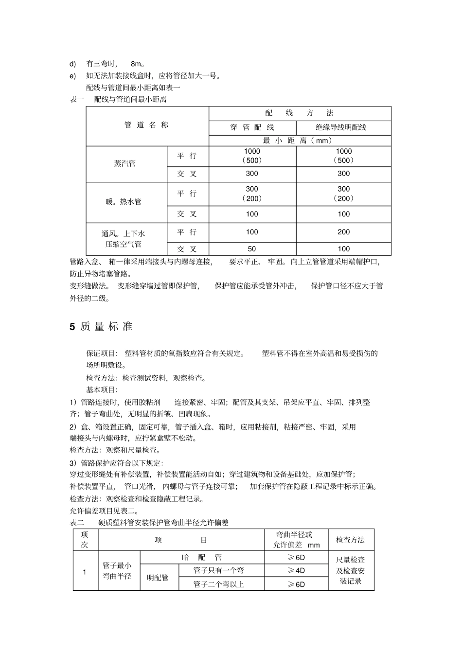
塑 料 管 明 敷 设作业指导书编号:塑 料 管 明 敷 设 作 业 指 导 书1 材 料 要 求凡使用的塑料管,其材质均具有阻燃、耐冲击,并有产品合格证。管材里外应光滑,无凸棱凹陷、针孔、气泡,内外径应符合国家统一标准,管壁厚度应均匀一致。所有塑料管附件与明配塑料制品应使用配套的阻燃塑料制品。2 主 要 机 具铅笔、皮尺、水平尺、卷尺、尺杆、角尺、线坠、小线、粉线袋等。手锤、錾子、钢锯、锯条、刀锯、半圆锉、活扳子、灰桶、水桶等。弯管弹簧、剪管器、手电钻、钻头、压力案子、台钻、水盆等。电锤、手电钻、热风机、电炉子、开孔器、绝缘手套、工具袋、工具箱、煨管器、弹簧、高凳等。3 作 业 条 件配合土建各专业作好预埋工作。喷浆完成后才能进行管路及各种盒、箱安装,并应防止管道污染。4 操 作 工 艺按照设计图加工好支架、报箍、吊架、铁件、管弯及各种盒、箱。测定盒、箱及管路固定点位置。1)按照设计图测出盒、箱、出线口等准确位置。2)根据测定的盒、箱位置,把管路的垂直点水平线弹出,按照要求标出支架、吊架固定点具体尺寸位置。管路固定方法:胀管法,木砖法,预埋铁件焊接法,稳注法,剔注法,报箍法,无论采用何种固定方法,应先固定两端支架、吊架。然后拉直固定中间的支架、吊架。管路敷设1)断管:小管径可使用剪管器,大管径使用钢锯锯断,将管口锉平。2)敷管时,先将管卡一端的螺丝(栓)拧紧一半,然后将管敷设于管卡内,逐个拧紧。3)管路水平敷设,高度不低于2000mm;垂直敷设时,不低于1500mm(低于 1500mm 应加保护管)。4)管敷设时,管路超过下列情况,应加接线盒. a)无弯时,30m;b)有一弯时, 20m;c)有两弯时, 15m;d)有三弯时,8m。e)如无法加装接线盒时,应将管径加大一号。配线与管道间最小距离如表一表一配线与管道间最小距离管 道 名 称配线方法穿 管 配 线绝缘导线明配线最 小 距 离( mm)蒸汽管平 行1000 (500)1000 (500)交 叉300 300 暖。热水管平 行300 (200)300 (200)交 叉100 100 通风。上下水压缩空气管平 行100 200 交 叉50 100 管路入盒、 箱一律采用端接头与内螺母连接,要求平正、 牢固。向上立管管道采用端帽护口,防止异物堵塞管路。变形缝做法。 变形缝穿墙过管即保护管,保护管应能承受管外冲击,保护管口径不应大于管外径的二级。5 质 量 标 准保证项目: 塑料管材质的氧指数应符合有关规定。塑料管...

1、当您付费下载文档后,您只拥有了使用权限,并不意味着购买了版权,文档只能用于自身使用,不得用于其他商业用途(如 [转卖]进行直接盈利或[编辑后售卖]进行间接盈利)。
2、本站所有内容均由合作方或网友上传,本站不对文档的完整性、权威性及其观点立场正确性做任何保证或承诺!文档内容仅供研究参考,付费前请自行鉴别。
3、如文档内容存在违规,或者侵犯商业秘密、侵犯著作权等,请点击“违规举报”。

碎片内容

塑料管明敷设

您可能关注的文档

确认删除?
VIP
微信客服
  • 扫码咨询
会员Q群
  • 会员专属群点击这里加入QQ群
客服邮箱
回到顶部