电脑桌面
添加小米粒文库到电脑桌面
安装后可以在桌面快捷访问

塑胶产品设计方法及注意事项VIP免费

塑胶产品设计方法及注意事项_第1页
1/9
塑胶产品设计方法及注意事项_第2页
2/9
塑胶产品设计方法及注意事项_第3页
3/9
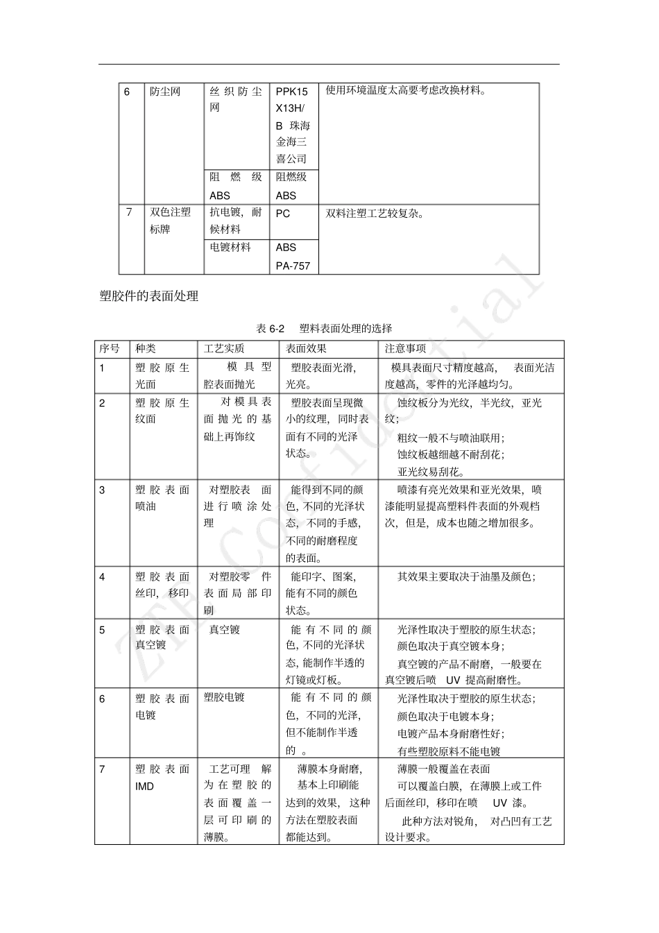
第六章塑料件设计工艺塑胶件设计一般步骤塑料件是在工业造型的基础上进行的结构设计,首先看有无相似的产品借鉴,再对产品及零件进行详尽的功能分解,确定零件的折分、壁厚、脱模斜度、零件间的过渡处理、连接处理、零件的强度处理等主要工艺问题。1)相似借鉴在设计前, 首先应查找公司和同行类似的产品,原有的产品发生过那些问题,有那些不足,参考现有的成熟结构,避免有问题的结构形式。2)确定零件折分、零件间的过渡、连接、间隙处理从造型图和效果图理解造型风格,配合产品的功能分解,确定零件折分的数目(不同的表面状态要么分为不同的零件,要么在不同的表面之间须有过度处理),确定零件表面间的过度处理,决定零件之间的连接方式,零件之间的配合间隙。3)零件强度与连接强度的确定根据产品大小,确定零件主体壁厚。零件本身的强度,由壁厚塑料件、结构形式(平板形状的的塑料件强度最差)、加强筋与加强骨共同决定。在决定零件的单个强度的同时,须确定零件之间的连接强度,改变连接强度的方法有,加螺钉柱,加止口,加扣位,加上下顶住的加强骨。4)脱模斜度的确定脱模斜度要根据材料(PP,PE 硅胶,橡胶能强行脱模) 、表面状态(饰纹的斜度要比光面的大,蚀纹面的斜度尽可能比样板要求的大0.5 度,保证蚀纹表面不被损伤,提高产品的良品率) 、透明与否决定零件应有的脱模斜度(透明的斜度要大)等因素综合确定。公司不同的产品系列推荐的材料种类。表 6-1 不同塑料零件的推荐材料序号零件分类推荐材料标记示例注意问题1 扳手类阻燃级ABS 阻燃级ABS 加色一定要抽粒,真空镀,电镀性能不好2 小面板类阻燃级ABS HF-606 加色一定要抽粒,真空镀,电镀性能不好3 导轨类PA66+玻纤PA66-RG25 零件看起来表面粗糙,颜色难以调配,此种材料脆,韧性不好,结构件上的扣位等小结构易断,在结构设计上要加圆角,增强强度4 灯镜,导光柱类PMMA,PC PMMA560F 透明 PC 韧性好,不易脆裂,价格高,透光性差些。 PMMA 易脆,透光性较好,价格低些。 PC 和 PMMA 的流动性不好,设计要充分考虑5 镜片,透明窗透明 PC 陶氏302-05 6 防尘网丝 织 防 尘网PPK15X13H/B 珠海金海三喜公司使用环境温度太高要考虑改换材料。阻燃级ABS 阻燃级ABS 7双色注塑标牌抗电镀,耐候材料PC 双料注塑工艺较复杂。电镀材料ABS PA-757 塑胶件的表面处理表 6-2 塑料表面处理的选择序号种类工艺实质表面效果注意事项1 塑 ...

1、当您付费下载文档后,您只拥有了使用权限,并不意味着购买了版权,文档只能用于自身使用,不得用于其他商业用途(如 [转卖]进行直接盈利或[编辑后售卖]进行间接盈利)。
2、本站所有内容均由合作方或网友上传,本站不对文档的完整性、权威性及其观点立场正确性做任何保证或承诺!文档内容仅供研究参考,付费前请自行鉴别。
3、如文档内容存在违规,或者侵犯商业秘密、侵犯著作权等,请点击“违规举报”。

碎片内容

塑胶产品设计方法及注意事项

文库当当响+ 关注
实名认证
内容提供者

该用户很懒,什么也没介绍

相关文档

确认删除?
VIP
微信客服
  • 扫码咨询
会员Q群
  • 会员专属群点击这里加入QQ群
客服邮箱
回到顶部